电脑桌面
添加小米粒文库到电脑桌面
安装后可以在桌面快捷访问

雨污水管道井下有限空间作业安全专项方案

雨污水管道井下有限空间作业安全专项方案_第1页
1/25
雨污水管道井下有限空间作业安全专项方案_第2页
2/25
雨污水管道井下有限空间作业安全专项方案_第3页
3/25
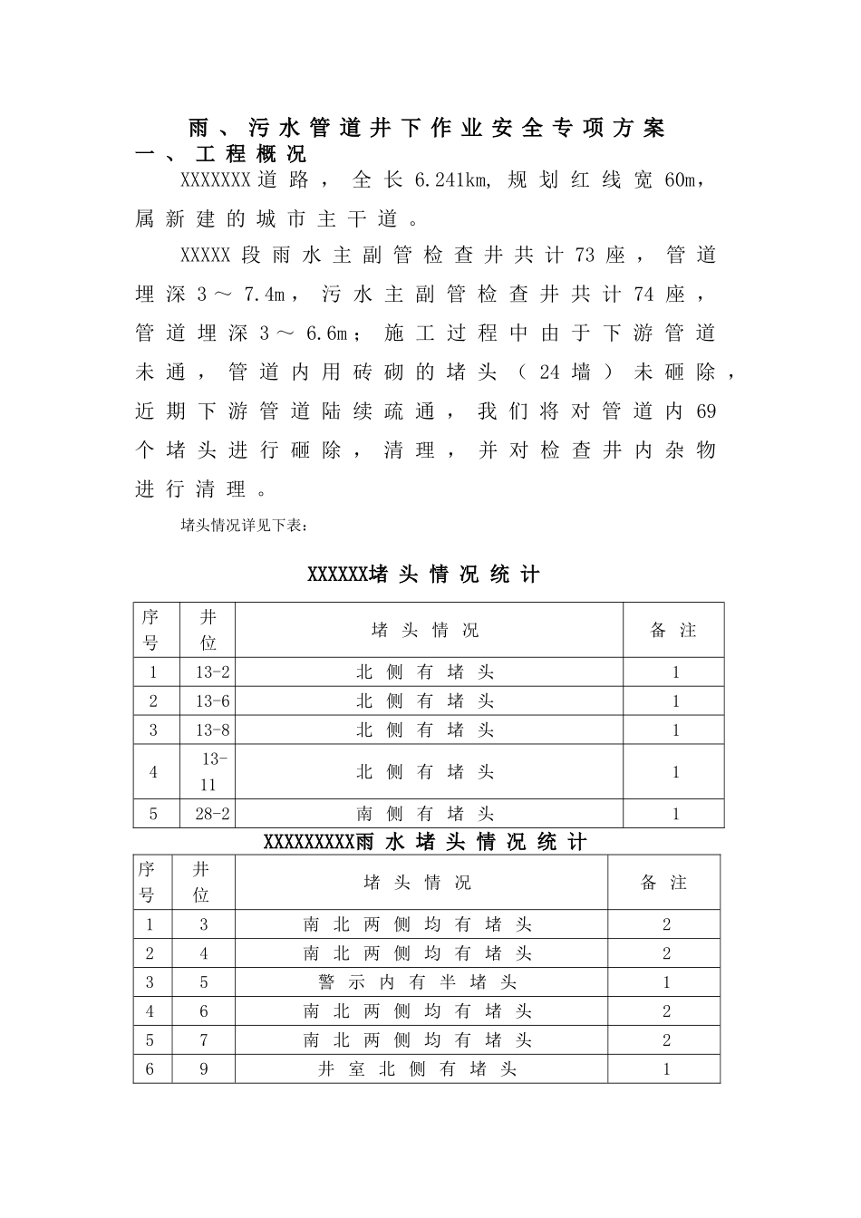
XX 省 XXXXXXXXXXXXXXXXXX 市 政 工 程雨 、 污 水 管 道 井 下 有 限 空 间 作 业安 全 专 项 方 案 编 制 : 审 核 : 审 批 : XXXXXXXXXXXXXXXXX 公 司 年 月 日目 录一 、 工 程 概 况 ..................................... 1二 、 编 制 依 据 ..................................... 4三 、 施 工 计 划 ..................................... 4四 、 砸 堵 头 及 清 理 施 工 工 艺 技 术 ............. 6五 、 施 工 安 全 保 证 措 施 ......................... 9六 、 有 限 空 间 应 急 预 案 ........................ 17七 、 附 件 .......................................... 26雨 、 污 水 管 道 井 下 作 业 安 全 专 项 方 案一 、 工 程 概 况XXXXXXX 道 路 , 全 长 6.241km, 规 划 红 线 宽 60m,属 新 建 的 城 市 主 干 道 。XXXXX 段 雨 水 主 副 管 检 查 井 共 计 73 座 , 管 道埋 深 3 ~ 7.4m , 污 水 主 副 管 检 查 井 共 计 74 座 ,管 道 埋 深 3 ~ 6.6m ; 施 工 过 程 中 由 于 下 游 管 道未 通 , 管 道 内 用 砖 砌 的 堵 头 ( 24 墙 ) 未 砸 除 ,近 期 下 游 管 道 陆 续 疏 通 , 我 们 将 对 管 道 内 69个 堵 头 进 行 砸 除 , 清 理 , 并 对 检 查 井 内 杂 物进 行 清 理 。堵头情况详见下表:XXXXXX堵 头 情 况 统 计序号井位堵 头 情 况备 注113-2北 侧 有 堵 头1213-6北 侧 有 堵 头1313-8北 侧 有 堵 头1413-11北 侧 有 堵 头1528-2南 侧 有 堵 头1XXXXXXXXX雨 水 堵 头 情 况 统 计序号井位堵 头 情 况备 注13南 北 两 侧 均 有 堵 头224南 北 两 侧 均 有 堵 头235警 示 内 有 半 堵 头146南 北 两 侧 均 有 堵 头257南 北 两 侧 均 有 堵 头269井 室 北 侧 有 堵 头1710井 室 南 侧 有 堵 头1820井 室 南 北 两 侧 堵 头 已 经 破除 , 但 砖 块 未 清 理 。921南 北 两 侧 均 有 堵 头21026井 室 向 南 约 8 米 位 置 有 半 堵头11128-30可 能 存 在 堵 头1230-31存 ...

1、当您付费下载文档后,您只拥有了使用权限,并不意味着购买了版权,文档只能用于自身使用,不得用于其他商业用途(如 [转卖]进行直接盈利或[编辑后售卖]进行间接盈利)。
2、本站所有内容均由合作方或网友上传,本站不对文档的完整性、权威性及其观点立场正确性做任何保证或承诺!文档内容仅供研究参考,付费前请自行鉴别。
3、如文档内容存在违规,或者侵犯商业秘密、侵犯著作权等,请点击“违规举报”。

碎片内容

雨污水管道井下有限空间作业安全专项方案

您可能关注的文档

阳光书坊+ 关注
实名认证
内容提供者

阳光书坊,传播未来

确认删除?
VIP
微信客服
  • 扫码咨询
会员Q群
  • 会员专属群点击这里加入QQ群
客服邮箱
回到顶部