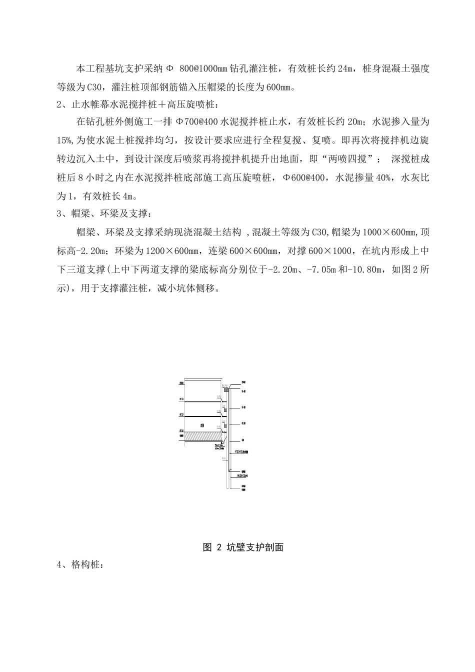
电脑桌面
添加小米粒文库到电脑桌面
安装后可以在桌面快捷访问

鞍山某工程软土地基深基坑综合支护技术

鞍山某工程软土地基深基坑综合支护技术_第1页
1/6
鞍山某工程软土地基深基坑综合支护技术_第2页
2/6
鞍山某工程软土地基深基坑综合支护技术_第3页
3/6
软土地基深基坑综合支护技术一、工程概况 本工程位于市 XX 道与 XX 路路口交叉处,分为 A、B 二个区,地下均为 3 层。A 区为27 层 XX 大厦,结构形式为框架剪力墙结构,总高为 99.9 米(结构板上皮),室内外高差为 0.3m;B 区为框架结构,为 6 层,总高为 30.6m(结构板上皮),室内外高差为1.2m。地上建筑面积为 57515.51㎡,地下室建筑面积为 15664.25㎡。高层(A 区)地下三层,地下室基础底板下皮相对标高-14.75m,基础选型采纳后压浆钻孔灌注桩基础,满堂红布桩,筏板板厚 2200mm。XX 广场(B 区)地下三层,基础采纳承台+十字交叉梁板,承台厚 1500mm,主梁:800×1500,次梁:500×1000,板厚 700mm。本工程采纳带三道支撑的灌注桩支护体系挡土,水泥搅拌桩及旋喷桩做止水帷幕,采纳大口井基坑内降水。本工程±0.000 同建筑标高,室外自然地面相对标高为-1.200;基坑侧壁安全等级为一级。具体桩数量如下:支护桩总计 326 根,分为三种桩型,桩顶标高均为-2.75m。灌注桩 1:143 根,桩径 ø800,有效桩长 23.45m;灌注桩 2:121 根,桩径 ø800,有效桩长 22.45;灌注桩 3:62 根,桩径 ø800,有效桩长 25.45m。支撑桩:35 根,桩径 ø800,桩顶标高-14.85m,有效桩长 15.35。水泥搅拌桩:807 组,桩径 ø700,桩顶标高-2.2m,有效桩长 20m。高压旋喷桩:807 根,桩径 ø600 桩顶标高-22.15m,有效桩长 4.0m;122 根,桩顶标高-14.15m,有效桩长 12.05m。格构柱:36 根,尺寸为 460×460(用 L160×160×10 角钢焊接而成)。工程周边场地有限,基坑东侧为一期 XX 大厦,且本工程要与 XX 大厦连接(裙房及基础部位),基坑西侧为 XX 路,距围墙 3m;南侧为 XX 公寓楼 ,距围墙约 4 米;北侧是 XX 主干道—XX 道;本工程场地地下水位埋藏较浅,地下静止水位为 1.5m,基坑土层的主要物理力学性能见表 1。表 1 土层的主要物理力学性能层号土层名称层号土层名称重度KN/ m 3渗透系数粘聚力(固结快剪) 粘聚力(直剪快剪) c(Kpa)垂直 cm/s水平 cm/sc(Kpa)1杂填土18.8////2粉质粘土18.75.7×10-56.56×10-520.212.231淤泥质粉质粘土18.05.13×10-6 5.32×10-615.410.832淤泥质土18.65.52×10-6 5.75×10-617.214.34粉土19.65.55×10-6 5.81×10-619.916.3二、基坑支护形式采纳单排钻孔灌注桩结合钢筋混凝土内支撑型式作为基坑挡土结构;在钻孔灌注桩外侧设置...

1、当您付费下载文档后,您只拥有了使用权限,并不意味着购买了版权,文档只能用于自身使用,不得用于其他商业用途(如 [转卖]进行直接盈利或[编辑后售卖]进行间接盈利)。
2、本站所有内容均由合作方或网友上传,本站不对文档的完整性、权威性及其观点立场正确性做任何保证或承诺!文档内容仅供研究参考,付费前请自行鉴别。
3、如文档内容存在违规,或者侵犯商业秘密、侵犯著作权等,请点击“违规举报”。

碎片内容

鞍山某工程软土地基深基坑综合支护技术

津创媒+ 关注
实名认证
内容提供者

欢迎交流文创,小店资料希望满足您的需要。

相关文档

确认删除?
VIP
微信客服
  • 扫码咨询
会员Q群
  • 会员专属群点击这里加入QQ群
客服邮箱
回到顶部