电脑桌面
添加小米粒文库到电脑桌面
安装后可以在桌面快捷访问

风荷载标准值计算

风荷载标准值计算_第1页
1/7
风荷载标准值计算_第2页
2/7
风荷载标准值计算_第3页
3/7
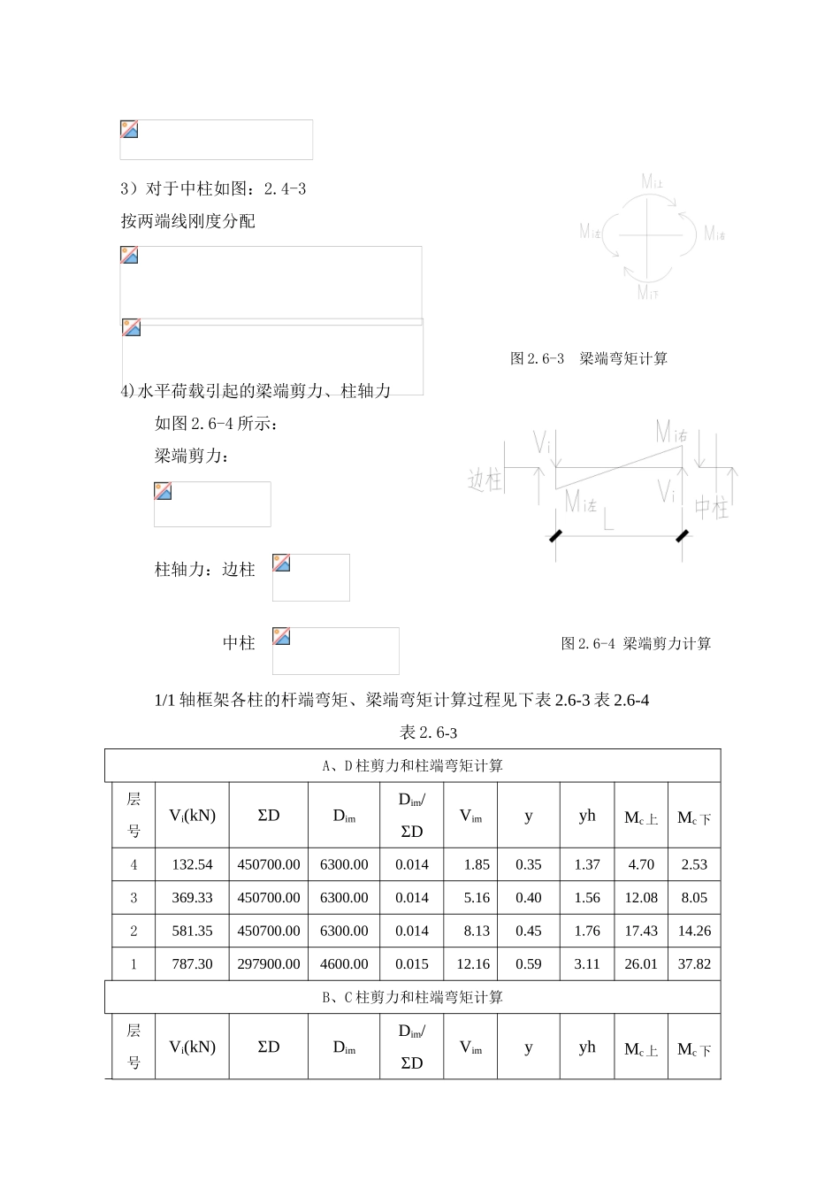
2.6 风荷载标准值计算作用在屋面梁和楼面梁节点处的集中风荷载标准值:为了简化计算起见,通常将计算单元范围内外墙面的分布风荷载,化为等量的作用于楼面集中风荷载,计算公式如下:式中: 基本风压;结构基本周期,取考虑风振影响。作用在屋面梁和楼面梁节点处的集中风荷载标准值为:w=βz·μs·μz·ωo,对于矩形平面 μs=1.3;μz可査荷载法律规范底层柱高取 h=4.3+0.45=4.75m。计算过程如下表中所示 Wk=zsz. 。T 1 2 =0.5 ×0.3 2 =0.045, 由于地面粗糙度为 C 类,T 1 2 应乘以 0.62,得 0.0279 查表ξ=1.15 ;H/B=16.45 /82.5=0.20 查表 V=0.40。(1)各楼层位置处的值计算结果=1+ξVZ/H 表 2.6-1楼层号离地高度z(m)相对高度z/hξvμzβzi14.750.291.150.450.741.20280428.650.531.150.450.741.370642312.550.761.150.450.741.531486416.4511.150.450.751.69(2)各楼层位置处的风荷载标准值 Fi= Aiμsωo 表 2.6-2楼层号离地高度z(m)μzβziμsiw0(kN/㎡)hihjAiF/(kN)416.450.751.691.30.53.90160.875132.5409312.550.71.531.30.53.93.321.75236.78549528.650.741.371.30.53.93.9321.75212.023614.750.741.21.30.54.753.9356.8125205.9522水平风荷载作用下框架内力分析1) 柱端弯矩 如图 2.6-2 图 2.6-2 柱端弯矩计算图2)梁端弯矩:根据结点平衡求出对于边柱如图 2.6-3 3)对于中柱如图:2.4-3按两端线刚度分配 图 2.6-3 梁端弯矩计算4)水平荷载引起的梁端剪力、柱轴力如图 2.6-4 所示:梁端剪力:柱轴力:边柱 中柱 图 2.6-4 梁端剪力计算1/1 轴框架各柱的杆端弯矩、梁端弯矩计算过程见下表 2.6-3 表 2.6-4表 2.6-3A、D 柱剪力和柱端弯矩计算层号Vi(kN)ΣDDimDim/ΣDVimyyhMc上Mc下4132.54 450700.00 6300.00 0.014 1.85 0.35 1.37 4.70 2.53 3369.33 450700.00 6300.00 0.014 5.16 0.40 1.56 12.08 8.05 2581.35 450700.00 6300.00 0.014 8.13 0.45 1.76 17.43 14.26 1787.30 297900.00 4600.00 0.015 12.16 0.59 3.11 26.01 37.82 B、C 柱剪力和柱端弯矩计算层号Vi(kN)ΣDDimDim/ΣDVimyyhMc上Mc下4132.54 450700.00 10000.00 0.022 2.94 0.391.54 6.95 4.52 3369.33 450700.00 10000.00 0.022 8.19 0.45 1.76 17.58 14.38 2581.35 450700.00 10000.00 0.022 12.90 0.49 1.93 25.66 24.85 1787.30 297900.00 5800.00 0.019 15.33 0.55 2.89 36.21 44.30 表 2.6-4 梁端弯矩剪力MAB/MDCMBA/MCDMBC/MCBVAB/VCDVBC4.73.26 3.69 1.15 3.51 14.6110.37 11.73 3.62 11.17 25.4818.79 21.25 6.42 20.23 40.2728.66 32.40 9.99 30.86 横向水平风荷载作用下 1/1 轴的弯矩、剪力和轴力图如图 2.4-5~图 2.4-7 所示。图 2.6-5 横向水平风荷载作用下 1/1 轴的 M 图(单位:kN·m)图 2.6-6 横向水平风荷载作用下 1/1 轴的 V 图(单位:kN)图 2.6-7 横向水平风荷载作用下 1/1 轴的 N 图(单位:kN)

1、当您付费下载文档后,您只拥有了使用权限,并不意味着购买了版权,文档只能用于自身使用,不得用于其他商业用途(如 [转卖]进行直接盈利或[编辑后售卖]进行间接盈利)。
2、本站所有内容均由合作方或网友上传,本站不对文档的完整性、权威性及其观点立场正确性做任何保证或承诺!文档内容仅供研究参考,付费前请自行鉴别。
3、如文档内容存在违规,或者侵犯商业秘密、侵犯著作权等,请点击“违规举报”。

碎片内容

风荷载标准值计算

您可能关注的文档

领读文化+ 关注
实名认证
内容提供者

传播文化,铸就未来

相关文档

确认删除?
VIP
微信客服
  • 扫码咨询
会员Q群
  • 会员专属群点击这里加入QQ群
客服邮箱
回到顶部