电脑桌面
添加小米粒文库到电脑桌面
安装后可以在桌面快捷访问

高层商务楼钢结构整体提升施工技术2

高层商务楼钢结构整体提升施工技术2_第1页
1/7
高层商务楼钢结构整体提升施工技术2_第2页
2/7
高层商务楼钢结构整体提升施工技术2_第3页
3/7
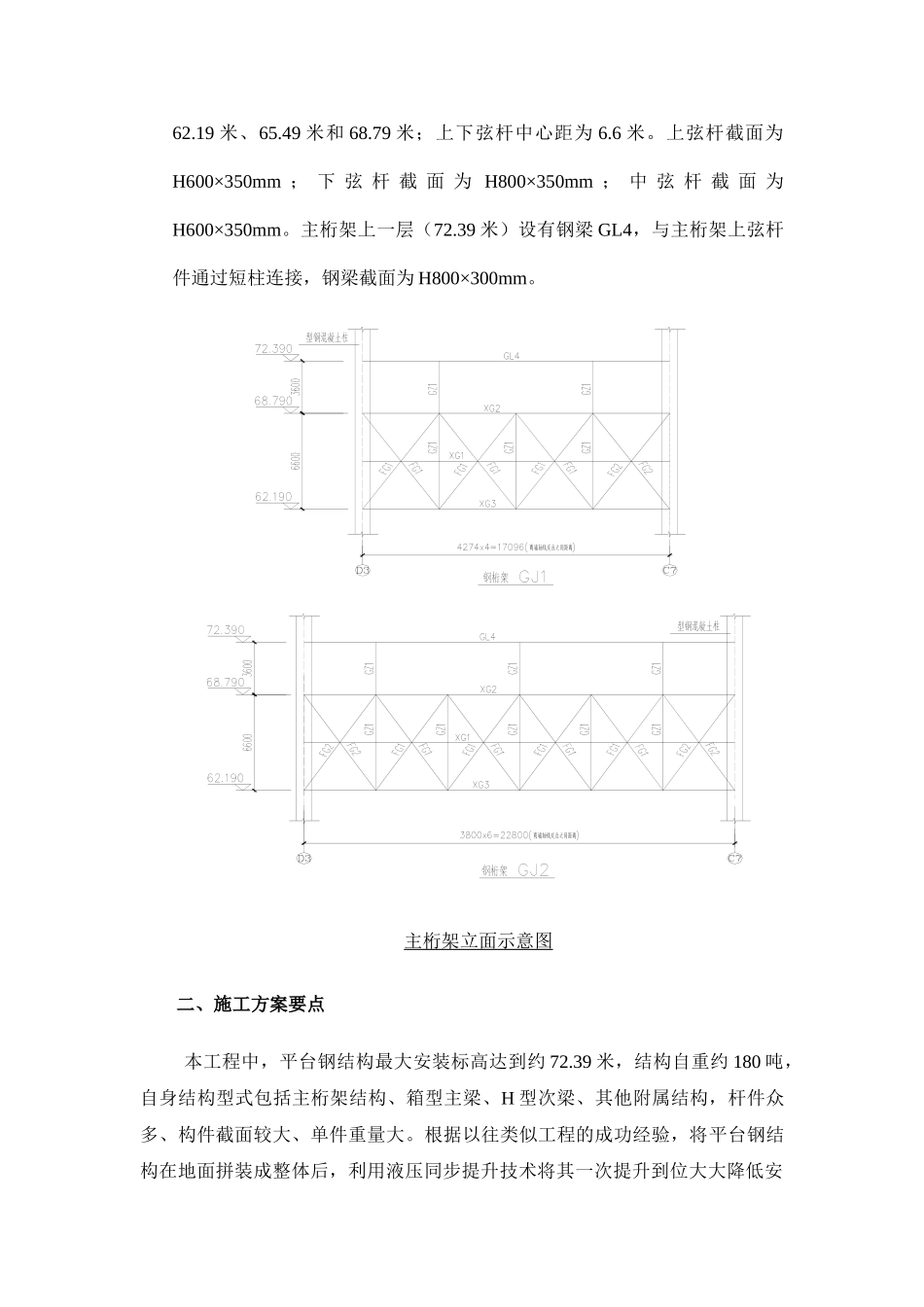
钢结构整体提升施工技术1 工程概况XX 两栋主楼之间设有平台钢结构,立面布置在 A 楼 17F~19F、B 楼 18F~20F 之间,顶面高度约 72.60 米。平台钢结构平面呈不等腰梯形,四个角点分别位于 D3/A5 轴、A1A2/B4 轴、B5/C7 轴、B4/C6 轴交点附近。平台钢结构正下方设计有三层混凝土裙楼。平台钢结构总重量约为 180 吨。平台钢结构为主次结构体系:梯形两条斜边各设计有一榀主桁架,跨度分别约 17.1 米(GJ1)和 22.8 米(GJ2)。在 A4、A2/3 轴线上为箱型主梁,共三层 , 标 高 分 别 为 : 62.19 米 、 68.79 米 、 72.39 米 。 箱 型 主 梁 截 面 为□1100×640×32×32mm。三层主梁垂直方向无联系结构。平台钢结构的主结构均在两端与主楼型钢混凝土柱刚接固定。次梁结构设计在主梁与桁架结构之间。平台钢 结构平面布置图 主桁架为 H 型主弦杆+H 型腹杆组成的双层平面桁架,垂直于大地安装;设计跨度分别约 17.1 米(GJ1)和 22.8 米(GJ2);共有三层弦杆,分别位于62.19 米、65.49 米和 68.79 米;上下弦杆中心距为 6.6 米。上弦杆截面为H600×350mm ; 下 弦 杆 截 面 为 H800×350mm ; 中 弦 杆 截 面 为H600×350mm。主桁架上一层(72.39 米)设有钢梁 GL4,与主桁架上弦杆件通过短柱连接,钢梁截面为 H800×300mm。主桁架立面示意图二、施工方案要点本工程中,平台钢结构最大安装标高达到约 72.39 米,结构自重约 180 吨,自身结构型式包括主桁架结构、箱型主梁、H 型次梁、其他附属结构,杆件众多、构件截面较大、单件重量大。根据以往类似工程的成功经验,将平台钢结构在地面拼装成整体后,利用液压同步提升技术将其一次提升到位大大降低安装施工难度,于质量、安全和工期等均有利。三 、施工工艺施工组织设计编制工况计算,深化设计材料采购、临时设施制作液压提升系统设备进场提升下吊点地锚安装液压提升系统设备安装钢绞线预张紧、系统调试方案报批、审查通过提升设备、吊点设施拆除测量配合安装定位、找正裙楼三层楼面预埋件设置提升牛腿、预埋结构安装下吊点安装/结构局部加固平台钢结构拼装胎架安装平台钢结构连续同步提升平台钢结构空中姿态微调钢绞线/油管/电缆等安装液压提升系统同步卸载注:非主要吊装工序整体吊装主要工序液压同步提升系统锁定平台钢结构整体试提升全面检查,测量配合观测液压同步提升系统锁定液压提升设备单台点动主桁...

1、当您付费下载文档后,您只拥有了使用权限,并不意味着购买了版权,文档只能用于自身使用,不得用于其他商业用途(如 [转卖]进行直接盈利或[编辑后售卖]进行间接盈利)。
2、本站所有内容均由合作方或网友上传,本站不对文档的完整性、权威性及其观点立场正确性做任何保证或承诺!文档内容仅供研究参考,付费前请自行鉴别。
3、如文档内容存在违规,或者侵犯商业秘密、侵犯著作权等,请点击“违规举报”。

碎片内容

高层商务楼钢结构整体提升施工技术2

您可能关注的文档

确认删除?
VIP
微信客服
  • 扫码咨询
会员Q群
  • 会员专属群点击这里加入QQ群
客服邮箱
回到顶部