电脑桌面
添加小米粒文库到电脑桌面
安装后可以在桌面快捷访问

高速公路边坡支护钢花管抗滑桩首件工程施工总结报告

高速公路边坡支护钢花管抗滑桩首件工程施工总结报告_第1页
1/6
高速公路边坡支护钢花管抗滑桩首件工程施工总结报告_第2页
2/6
高速公路边坡支护钢花管抗滑桩首件工程施工总结报告_第3页
3/6
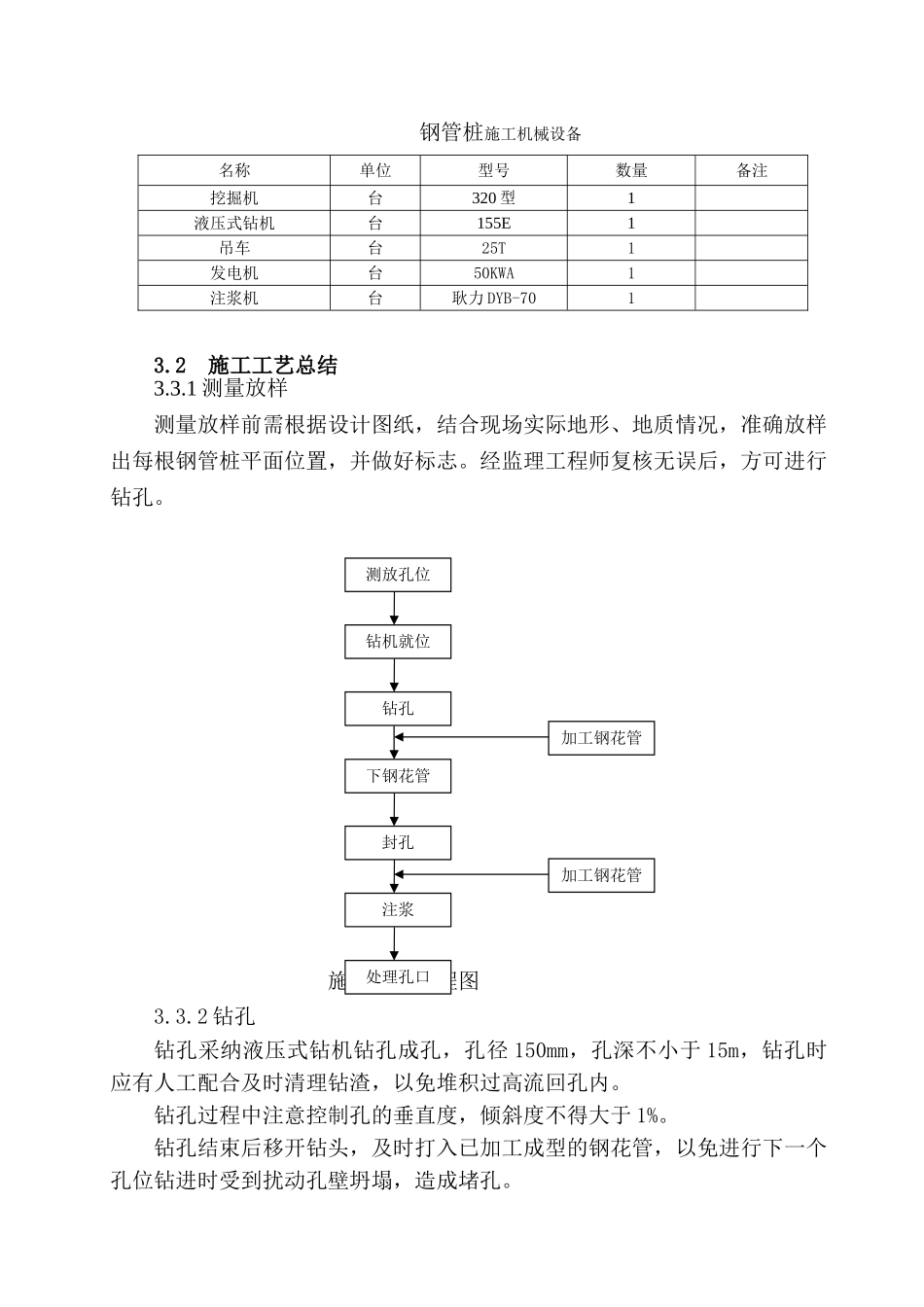
XX 至 XX 高速公路YT3 合同段钢花管抗滑桩首件工程施工总结报告(即 K30+300~K30+520 右侧钢花管抗滑桩施工总结报告)施工单位:XX 第一公路工程局有限公司监理单位:XX 省交通建设咨询监理有限公司K30+300~K30+520 右侧钢花管抗滑桩首件工程总结一、 工程概况根据法律规范要求,钢花管抗滑桩在大面积施工以前,应先施工钢花管抗滑桩首件工程。只有在首件制满足法律规范及相关要求的基础之上,才能进行大规模的钢花管抗滑桩施工。根据施工现场实际情况, 本次选择K30+300~K30+520 右侧边坡 10 根钢花管抗滑桩作为首件工程施工。K30+300~K30+520 右侧为单斜坡顺层风化泥岩,岩质较软,岩体破裂,分层厚度 0.3~1.0m,岩层倾角约 42°,层间伴随软土,边坡顶部采纳 3 排 Φ108 注浆钢花管进行防护。钢花管单根长 15m,平面间距 1.5m,梅花形错开布置。二、进度情况K30+300~K30+520 右侧边坡钢花管抗滑桩首件工程施工计划从 2025 年6 月 13 日开始进行施工场地平整,2025 年 6 月 30 日完成整体施工。经过我部科学组织,合理配置劳动力资源,钢花管抗滑桩首件工程按计划如期完成施工。三、施工总结3.1 机械及人员配置总结通过首件工程施工,结合我部实际情况,满足我部钢花管抗滑桩施工要求的人员及机械配置如下:1、主要管理人员及劳动力配置施工管理架构图项目经理: 施工负责人: 技术负责人: 施工组组长: 质检、安全组组长: 材料、设备组组长: 施工队伍主要劳动力计配置序号施工项目人数1钢花管焊接32钢管桩钻孔33下管、注浆42、施工机械设备钢管桩施工机械设备名称单位型号数量备注挖掘机台320 型1液压式钻机台 155E1吊车台25T1发电机台50KWA1注浆机台耿力 DYB-7013.2 施工工艺总结3.3.1 测量放样测量放样前需根据设计图纸,结合现场实际地形、地质情况,准确放样出每根钢管桩平面位置,并做好标志。经监理工程师复核无误后,方可进行钻孔。施工工艺流程图3.3.2 钻孔钻孔采纳液压式钻机钻孔成孔,孔径 150mm,孔深不小于 15m,钻孔时应有人工配合及时清理钻渣,以免堆积过高流回孔内。钻孔过程中注意控制孔的垂直度,倾斜度不得大于 1%。钻孔结束后移开钻头,及时打入已加工成型的钢花管,以免进行下一个孔位钻进时受到扰动孔壁坍塌,造成堵孔。测放孔位钻机就位钻孔下钢花管封孔注浆加工钢花管加工钢花管处理孔口3.2.3 钢花管加工钢花管采纳 108mm 直径钢管,钢管采纳焊接方式对...

1、当您付费下载文档后,您只拥有了使用权限,并不意味着购买了版权,文档只能用于自身使用,不得用于其他商业用途(如 [转卖]进行直接盈利或[编辑后售卖]进行间接盈利)。
2、本站所有内容均由合作方或网友上传,本站不对文档的完整性、权威性及其观点立场正确性做任何保证或承诺!文档内容仅供研究参考,付费前请自行鉴别。
3、如文档内容存在违规,或者侵犯商业秘密、侵犯著作权等,请点击“违规举报”。

碎片内容

高速公路边坡支护钢花管抗滑桩首件工程施工总结报告

您可能关注的文档

确认删除?
VIP
微信客服
  • 扫码咨询
会员Q群
  • 会员专属群点击这里加入QQ群
客服邮箱
回到顶部