电脑桌面
添加小米粒文库到电脑桌面
安装后可以在桌面快捷访问

2025年储量动用报告

2025年储量动用报告_第1页
1/2
2025年储量动用报告_第2页
2/2
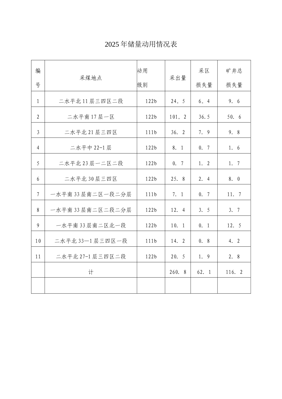
2025 年峻德矿储量动用报告峻德煤矿 2025 动用的煤层有 11、17、21、22-1、23、27—1、30、33-1 层八个煤层,采煤工作面地点分别二水平北 11 层三四区二段、二水平南 17 层一区、二水平北 21 层三四区、二水平中 22—1 层、二水平北 23 层一二区二段、二水平北 30 层三四区、一水平南 33—1 层南二区一、二段二分层、二水平北 33—1 层三四区一段、二水平北 27-1 层三四区二段。2025 年全矿共采出煤量为 260。8 万吨,采区损失煤量为 62.1万吨,全矿井损失量为 116.2 万吨。2025 底保有储量为 33028。3 万吨.截止 2025 年底,峻德井田保有储量见下表:(单位:千吨)储量基础储量资源量111122111b122b2M212M222S112S22331332333758141407263721126264476337857255400725165683638940动用的煤层及动用储量见下表2025 年储量动用情况表编号采煤地点动用级别采出量采区损失量矿井总损失量1二水平北 11 层三四区二段122b24。56。49.62二水平南 17 层一区122b101。236.550.63二水平北 21 层三四区111b36.27.99.84二水平中 22-1 层122b8.10.71.65二水平北 23 层一二区二段122b0.71.21.76二水平北 30 层三四区122b25.82.48.07一水平南 33 层南二区一段二分层111b7.10.711.78一水平南 33 层南二区二段二分层122b12.43.53.79一水平南 33 层南二区北一段122b10.10.112.510二水平北 33—1 层三四区一段111b14.20.84.211二水平北 27-1 层三四区二段122b20.51.92.8计260.862.1116.2

1、当您付费下载文档后,您只拥有了使用权限,并不意味着购买了版权,文档只能用于自身使用,不得用于其他商业用途(如 [转卖]进行直接盈利或[编辑后售卖]进行间接盈利)。
2、本站所有内容均由合作方或网友上传,本站不对文档的完整性、权威性及其观点立场正确性做任何保证或承诺!文档内容仅供研究参考,付费前请自行鉴别。
3、如文档内容存在违规,或者侵犯商业秘密、侵犯著作权等,请点击“违规举报”。

碎片内容

2025年储量动用报告

确认删除?
VIP
微信客服
  • 扫码咨询
会员Q群
  • 会员专属群点击这里加入QQ群
客服邮箱
回到顶部