电脑桌面
添加小米粒文库到电脑桌面
安装后可以在桌面快捷访问

2025年输电设备风险及维护策略

2025年输电设备风险及维护策略_第1页
1/27
2025年输电设备风险及维护策略_第2页
2/27
2025年输电设备风险及维护策略_第3页
3/27
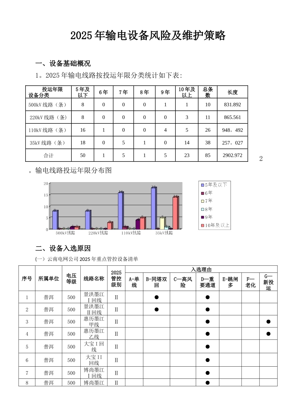
2025 年输电设备风险及维护策略一、设备基础概况1。2025 年输电线路按投运年限分类统计如下表:2。输电线路投运年限分布图二、设备入选原因(一)云南电网公司 2025 年重点管控设备清单序号所属单位电压等级线路名称2025管控级别入选理由A-单线B-同塔双回C—高风险D—重要通道E-跳闸多F—老化G—新投运1普洱500景洪墨江Ⅰ回线Ⅱ●●2普洱500景洪墨江Ⅱ回线Ⅱ●●3普洱500惠历墨江甲线Ⅱ●●4普洱500惠历墨江乙线Ⅱ●●5普洱500大宝 I 回线Ⅱ●6普洱500大宝 II回线Ⅱ●7普洱500博尚墨江Ⅰ回线Ⅱ●8普洱500博尚墨江Ⅱ● 投运年限设备分类5 年及以下6 年7 年8 年9 年10 年及以上总条数长度500kV 线路(条)80001110831.892220kV 线路(条)80000311865.561110kV 线路(条)161004526948。49235kV 线路(条)1805101438257。027合计50151523852902.972Ⅱ回线9普洱500玉溪墨江I 回线Ⅱ●●10普洱500玉溪墨II 回线Ⅱ●●11普洱220唐木 I 回线Ⅱ●●●12普洱220大东线Ⅱ●●13普洱220木东线Ⅱ●●14普洱220木景线Ⅱ●15普洱110木普 T 三线Ⅱ●●16普洱110木三线Ⅱ●●17普洱110木普线Ⅱ●●(二)普洱电网 2025 年八大风险及二十四项措施重点设备清单序号所属单位电压等级线路名称2025管控级别入选理由A—单线B-同塔双回C—高风险D—重要通道E—跳闸多F—老化G-新投运1普洱110城洗线Ⅲ●●2普洱110洗江 T 线Ⅲ●3普洱110普马线Ⅲ●●4普洱110漫景线Ⅲ●●●5普洱110景街线Ⅲ●●●6普洱110唐惠线Ⅲ●●●7普洱110唐西线Ⅲ●●8普洱110澜孟线Ⅲ●●●9普洱110东正线Ⅲ●10普洱110东那民乐线Ⅲ●●11普洱110东那迁糯Ⅰ回线Ⅲ●12普洱110普恩线Ⅲ●●13普洱110唐铅线Ⅲ●●14普洱220墨木Ⅰ回线Ⅲ●15普洱220墨龙线Ⅲ16普洱220墨崖线Ⅲ●17普洱220墨居线Ⅲ●●18普洱220墨泗线Ⅲ●19普洱220墨戈Ⅰ回线Ⅲ●●20普洱220墨戈Ⅱ回线Ⅲ●21普洱110东那团结线Ⅲ●22普洱110木澜 T 线Ⅲ●23普洱110木城Ⅱ回线Ⅲ●24普洱110恩街线Ⅲ●●25普洱110普正线Ⅲ●26普洱110木茶线Ⅳ●27普洱110木城线Ⅳ-——-——-——-—-——28普洱110唐澜Ⅱ回线Ⅳ●29普洱110唐澜Ⅰ回线Ⅳ●30普洱110木澜 T 茶支线Ⅳ——-———-—-——-——31普洱110城大线Ⅳ—-—-—-——————--(三)日常维护设备清单序号所属单位电压等级线路名称2025管控级别入选理由A—单线B-同塔双回C—高风险D-重要通道E-跳闸多F-老化G—新投运1普洱35长青线日常●2普洱35木城线...

1、当您付费下载文档后,您只拥有了使用权限,并不意味着购买了版权,文档只能用于自身使用,不得用于其他商业用途(如 [转卖]进行直接盈利或[编辑后售卖]进行间接盈利)。
2、本站所有内容均由合作方或网友上传,本站不对文档的完整性、权威性及其观点立场正确性做任何保证或承诺!文档内容仅供研究参考,付费前请自行鉴别。
3、如文档内容存在违规,或者侵犯商业秘密、侵犯著作权等,请点击“违规举报”。

碎片内容

2025年输电设备风险及维护策略

阳光书坊+ 关注
实名认证
内容提供者

阳光书坊,传播未来

确认删除?
VIP
微信客服
  • 扫码咨询
会员Q群
  • 会员专属群点击这里加入QQ群
客服邮箱
回到顶部