电脑桌面
添加小米粒文库到电脑桌面
安装后可以在桌面快捷访问

B.2设备设施风险分级控制清单

B.2设备设施风险分级控制清单_第1页
1/37
B.2设备设施风险分级控制清单_第2页
2/37
B.2设备设施风险分级控制清单_第3页
3/37
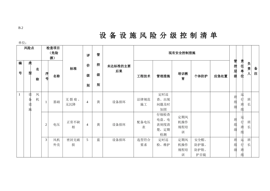
B.2设 备 设 施 风 险 分 级 控 制 清 单单位:风险点检查项目(危险源)标准评价级别管控级别未达标准的主要后果现有安全控制措施管控层级责任单位负责人备注编号类型名称序号名称工程技术管理措施培训教育个体防护应急处置1设备设施风机1基础无 裂 痕 、无沉降4黄设备损坏法律规范施工定时巡查、出现问题及时加固班组级运行班组班长2电压正常不缺相4黄设备损坏配备电压表仔细检查电盘、电表刻度清楚,定期检测定期风机操作规程培训班组级运行班组班长3风机外壳密封无破损5蓝设备损坏选型符合要求定时巡检、维护定期风机操作规程培训安全帽、防护服、防护鞋、护目镜班组级运行班组班长4联轴器无破损5蓝设备损坏安装法律规范、找正定时巡检安全帽、防护服、防护鞋、护目镜班组级运行班组班长5轴承无异声4黄烧毁电机轴承配套定时巡检,重点检查轴承室温度安全帽、防护服、防护鞋、护目镜班组级运行班组班长6润滑油无变质、油位正常5蓝设备损坏选择质量好的油品、制定合理油位定时巡检,检查油位并及时添加班组级运行班组班长7进出风道无破损、无异声4黄设备损坏法律规范安装定时巡检,及时维护安全帽、防护服、防护鞋、护目镜班组级运行班组班长2设备设施变压器1瓷套清洁4黄设备损伤采购法律规范的设备定期清扫,保持瓷套表面清洁开 展 用电 安 全知 识 培训。正 确 穿 戴绝 缘 劳 保用品。班组级运行班组班长2油箱无渗漏4黄设备损伤采购法律规范的设备定时检查,维护保养得当班组级运行班组班长3接地良好4黄设备损坏按法律规范接地定时检查,维护保养得当开 展 用电 安 全知 识 培训。正 确 穿 戴绝 缘 劳 保用品。班组级运行班组班长4风雨罩完好4黄设备损坏风雨罩进行固定安装定时检查,保持各部件无锈蚀班组级运行班组班长5温度计灵敏完好4黄设备损坏选择量程适合的温度计定时检查,按期检定班组级运行班组班长6接线盒完好5蓝设备损坏有电工按时检查,维护开 展 用电 安 全知 识 培训。正 确 穿 戴绝 缘 劳 保用品。班组级运行班组班长3设备设施开关柜1空气开关完好,无卡阻、无松动、发热、接线良好。4黄操作失灵选择质量合格的产品,法律规范安装使用前检查电气操作规程培训,用电安全知识培训正确穿戴绝缘劳保用品。班组级运行班组班长2接触器完好,无卡阻、无松动、发热、接线良好、无噪音.4黄动作失灵、误动作、缺相烧毁电器选择质量合格的产品,法律规范安装每周检查两次电气操作规程培训...

1、当您付费下载文档后,您只拥有了使用权限,并不意味着购买了版权,文档只能用于自身使用,不得用于其他商业用途(如 [转卖]进行直接盈利或[编辑后售卖]进行间接盈利)。
2、本站所有内容均由合作方或网友上传,本站不对文档的完整性、权威性及其观点立场正确性做任何保证或承诺!文档内容仅供研究参考,付费前请自行鉴别。
3、如文档内容存在违规,或者侵犯商业秘密、侵犯著作权等,请点击“违规举报”。

碎片内容

B.2设备设施风险分级控制清单

确认删除?
VIP
微信客服
  • 扫码咨询
会员Q群
  • 会员专属群点击这里加入QQ群
客服邮箱
回到顶部