电脑桌面
添加小米粒文库到电脑桌面
安装后可以在桌面快捷访问

CB-D07应急救援预案的编制要求9

CB-D07应急救援预案的编制要求9_第1页
1/9
CB-D07应急救援预案的编制要求9_第2页
2/9
CB-D07应急救援预案的编制要求9_第3页
3/9
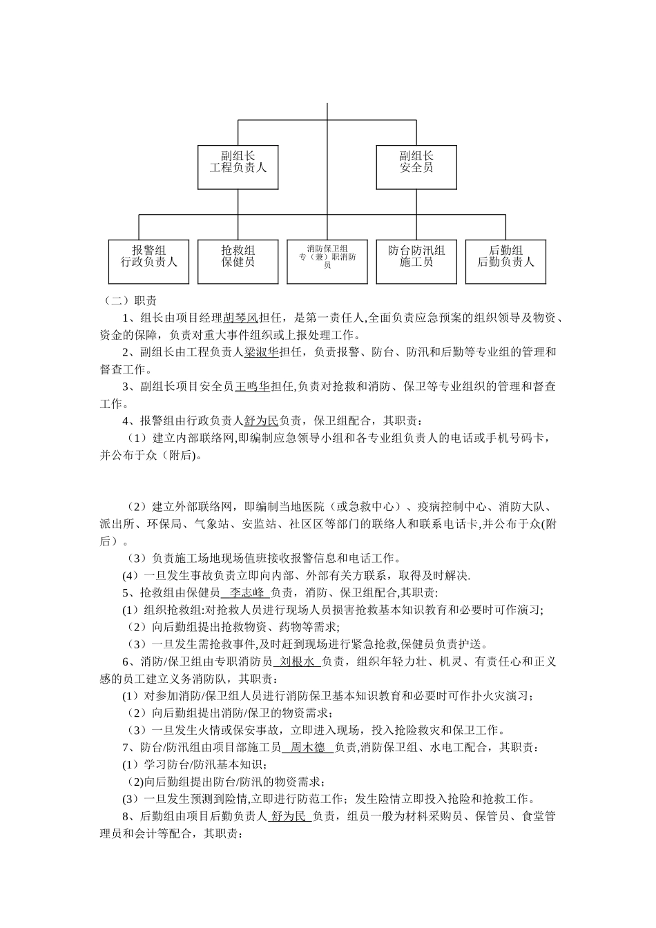
目 录一、工程概况……………………………………………………………2二、组织机构职责及成员名单…………………………………………3三、材料、设备准备……………………………………………………4四、应急联络网…………………………………………………………5五、现场人员损害应急预案……………………………………………5六、消防应急预案………………………………………………………8一、工程概况1 工程名称:综合大楼。2 建设单位:南昌市第九医院。3 设计单位:江西省建筑设计讨论总院4 建设地点:南昌市洪都中大道。5 建筑规模:建筑面积 23808 m2。建筑基底面积 2501 m2。6 建筑层次:本工程为地下一层,裙楼四层,地上十二层,建筑高度 48.05m.7 建筑性质:建筑耐火等级一级;屋面防水等级二级。8 本工程采纳框架结构体系,基础为人工挖孔灌注桩。 抗震烈度为 6 度,地下室及主楼的煎力墙的抗震等级为二级,其它抗震等级为三级.9 该建设项目位于洪都中大道 167 号,区域社会经济结构以商业、居住为主。施工场地位于医院内,东面为单位车库,南面为居民区,西面为洪都中大道,北面为住院部,周围企事业单位有江西旧货交易大市场、江西省广播电视厅、江西师范大学、江科技活动中心及星罗棋布的商业娱乐业场所和居民楼等。区域人口稠密。流动多,环境敏感度高.10 安全、消防通道总平面布置图二、组织机构职责及成员(一)应急领导小组组织机构组长项目经理(二)职责1、组长由项目经理胡琴风担任,是第一责任人,全面负责应急预案的组织领导及物资、资金的保障,负责对重大事件组织或上报处理工作。2、副组长由工程负责人梁淑华担任,负责报警、防台、防汛和后勤等专业组的管理和督查工作。3、副组长项目安全员王鸣华担任,负责对抢救和消防、保卫等专业组织的管理和督查工作。4、报警组由行政负责人舒为民负责,保卫组配合,其职责:(1)建立内部联络网,即编制应急领导小组和各专业组负责人的电话或手机号码卡,并公布于众(附后)。(2)建立外部联络网,即编制当地医院(或急救中心)、疫病控制中心、消防大队、派出所、环保局、气象站、安监站、社区区等部门的联络人和联系电话卡,并公布于众(附后)。(3)负责施工场地现场值班接收报警信息和电话工作。(4)一旦发生事故负责立即向内部、外部有关方联系,取得及时解决.5、抢救组由保健员 李志峰 负责,消防、保卫组配合,其职责:(1)组织抢救组:对抢救人员进行现场人员损害抢...

1、当您付费下载文档后,您只拥有了使用权限,并不意味着购买了版权,文档只能用于自身使用,不得用于其他商业用途(如 [转卖]进行直接盈利或[编辑后售卖]进行间接盈利)。
2、本站所有内容均由合作方或网友上传,本站不对文档的完整性、权威性及其观点立场正确性做任何保证或承诺!文档内容仅供研究参考,付费前请自行鉴别。
3、如文档内容存在违规,或者侵犯商业秘密、侵犯著作权等,请点击“违规举报”。

碎片内容

CB-D07应急救援预案的编制要求9

您可能关注的文档

确认删除?
VIP
微信客服
  • 扫码咨询
会员Q群
  • 会员专属群点击这里加入QQ群
客服邮箱
回到顶部