电脑桌面
添加小米粒文库到电脑桌面
安装后可以在桌面快捷访问

EPS板外墙外保温系统施工方案

EPS板外墙外保温系统施工方案_第1页
1/15
EPS板外墙外保温系统施工方案_第2页
2/15
EPS板外墙外保温系统施工方案_第3页
3/15
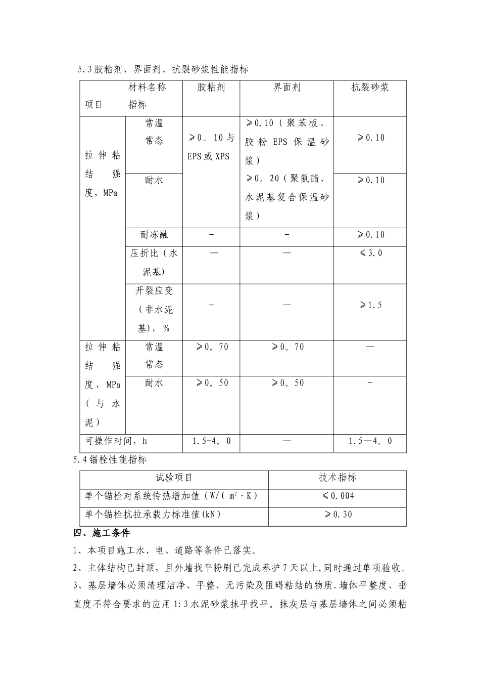
EPS 保温板外墙外保温系统施工方案一、工程概况: 大白 · 书香华庭 外墙外保温工程,在外墙体基糙已做好(抹平)采纳膨胀聚苯板(EPS 板)作为保温层, 160g/m2 耐碱玻纤网格布,由重庆聚源塑料有限公司生产的胶粘剂、抹面胶浆作保护层.二、编制依据《膨胀聚苯板抹灰外墙外保温系统》JG 149-2025;《建筑节能工程施工质量验收规程》DGJ 32/J 19—2025;《外墙外保温工程技术规程》JGJ 144-2025;《建筑节能工程施工质量验收法律规范》GB 50411-2025;三、主要材料及性能指标1、膨胀聚苯保温板膨胀聚苯保温板(EPS),具优良的保温隔热、防水透气性能,与抹面层形成柔韧、牢固的外墙外保温系统。厚度 20mm,容重 18~22㎏/,粘结砂浆点粘法固定。2、粘结砂浆/聚合物抗裂砂浆由粉料、水泥、石英砂、树脂和添加剂组成的干粉状混合剂,与洁净水搅拌成厚浆分别作为粘结胶浆和抹面抗裂胶浆使用。粘结胶浆干凝后与常规材料墙面和聚苯板具有较高的粘结强度;抹面胶浆薄涂层与耐碱玻璃纤维网格布结合形成一道具有一定得柔韧性、防水性和透气性的保护层,对保温板形成牢固耐久有效的保护。3、耐碱玻纤网格布采纳插编式并经特别耐碱涂敷的玻璃纤维网格布,插编网能缓冲由于墙体位移、开裂等原因引起的保温板的轻微位移,经耐碱涂敷后,网格布能抵抗水泥的碱性腐蚀。将网格布完全埋入抹面胶浆内,能提高系统防护层的机械强度和抗裂性。4、锚固件由带圆盘的塑料膨胀套管和塑料栓或具防腐性能的金属螺钉组成,用来把保温板固定于基层墙体,对系统起到辅助加固的作用。5.1 膨胀聚苯板性能指标表面密度(Kg/m3)导热系数(W/(m·K))吸水率%(v/v)尺寸稳定性%18~22≤0。041≤4。0≤0.3压缩强度Mpa拉伸强度Mpa水蒸气透湿系数Ng/ Mpa。ms燃烧性能≥0。10≥0。10≤4。50B25.2 耐碱网格布网性能指标材料名称项目耐碱玻纤网格布热镀锌电焊网格布网孔中心距,mm4.612.7*12。7丝经,mm-0.9±0.04单位面积质量(g/m2)≥160-断裂应变,%≤5-断裂强力,N/50mm(经、纬向)≥1500-耐 碱 断 裂 强 力 保 留 率(经、纬向)(%)≥50-焊点抗拉力,N->65热镀锌质量,g/m2-≥1225.3 胶粘剂、界面剂、抗裂砂浆性能指标材料名称项目 指标胶粘剂界面剂抗裂砂浆拉 伸 粘结强度,MPa常温常态≥0。10 与EPS 或 XPS≥0.10 ( 聚 苯 板 、胶 粉 EPS 保 温 砂浆)≥0。20(聚氨酯、水泥基复合保温砂浆)≥0.10耐水≥0.10耐冻融--≥0.10压折比...

1、当您付费下载文档后,您只拥有了使用权限,并不意味着购买了版权,文档只能用于自身使用,不得用于其他商业用途(如 [转卖]进行直接盈利或[编辑后售卖]进行间接盈利)。
2、本站所有内容均由合作方或网友上传,本站不对文档的完整性、权威性及其观点立场正确性做任何保证或承诺!文档内容仅供研究参考,付费前请自行鉴别。
3、如文档内容存在违规,或者侵犯商业秘密、侵犯著作权等,请点击“违规举报”。

碎片内容

EPS板外墙外保温系统施工方案

确认删除?
VIP
微信客服
  • 扫码咨询
会员Q群
  • 会员专属群点击这里加入QQ群
客服邮箱
回到顶部