电脑桌面
添加小米粒文库到电脑桌面
安装后可以在桌面快捷访问

JS-008房屋建筑和市政基础设施工程勘察文件质量检查报告

JS-008房屋建筑和市政基础设施工程勘察文件质量检查报告_第1页
1/4
JS-008房屋建筑和市政基础设施工程勘察文件质量检查报告_第2页
2/4
JS-008房屋建筑和市政基础设施工程勘察文件质量检查报告_第3页
3/4
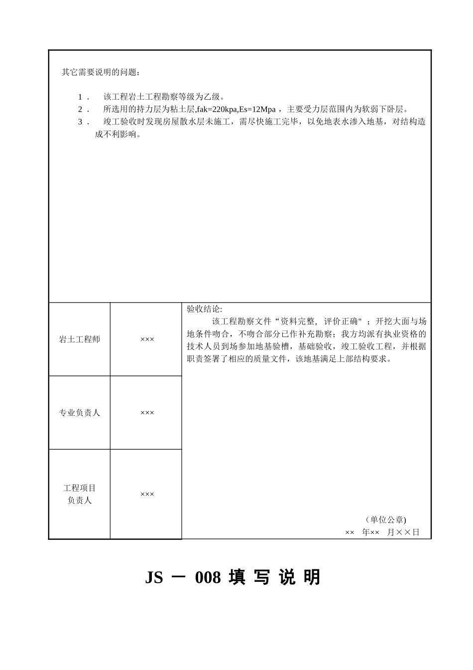
JS-008房 屋 建 筑 工 程 和 市 政 基 础 设 施 工程勘 察 文 件 质 量 检 查 报 告勘 察 号 : 2025—001 工 程 名 称 : 成 都 市 住 房 储 备 中 心 八 宝 街1# 楼 建 设 单 位 : 成 都 市 住 房 储 备 中 心工 程 地 址 : ×× 街 ××× 号 勘 察 单 位 ( 章 ) :××× 勘 察 设 计 讨 论 院 ( 甲 、 乙 、 丙 级 )×× 年 ×× 月 ×× 日工程概况工程类别三类建筑面积8000㎡层数地上7 层, 地下1 层总高20.7m结构类型砖混基础类型条形基础重要性等级二级场地等级二级地基等级二级勘察文件检查情况是否根据国家强制性标准进行勘察(自查)□ 是 □否勘察文件深度是否符合设计要求(自查)□ 是 □否勘察文件经建设行政主管部门审查的结论及其整改情况审查结论口合格口基本合格口不合格是否违反强制性条文口是口否是否按审查意见修改口是口否是否具备承揽勘察业务所需的资质口是口否执业人员资格是否满足相关要求口是口否工程建设过程中质量控制情况勘察文件是否与实际情况(开挖)相符口是口否勘察文件是否变更(如补充勘察等)口是口否勘察文件变更情况的说明:现场开挖发现3# 、4# 勘探孔间有一淤泥质土层,补勘2 点(补3#,补4# ),确定了淤泥质土层的平面分布范围及深度。发现问题的处理情况:该淤泥质土层已超挖清除,清除后土层为粘土,达到设计要求,超挖部分设计确认采纳C10 素混凝土回填至原设计基底标高。履行责任情况(参加现场检查的部位或其它):到场参加了地基验槽,基础验收,竣工验收,并根据职责签署了相应意见.参加现场检查人员的执业资格及质量文件的签署情况:到场参加地基验槽, 基础验收, 竣工验收的技术人员均具备相应的执业资格,并根据职责签署了相应意见。其它需要说明的问题:1 .该工程岩土工程勘察等级为乙级。2 .所选用的持力层为粘土层,fak=220kpa,Es=12Mpa ,主要受力层范围内为软弱下卧层。3 .竣工验收时发现房屋散水层未施工,需尽快施工完毕,以免地表水渗入地基,对结构造成不利影响。岩土工程师×××验收结论:该工程勘察文件“资料完整, 评价正确" ;开挖大面与场地条件吻合,不吻合部分已作补充勘察;我方均派有执业资格的技术人员到场参加地基验槽,基础验收,竣工验收工程,并根据职责签署了相应的质量文件,该地基满足上部结构要求。(单位公章)××年××月××日...

1、当您付费下载文档后,您只拥有了使用权限,并不意味着购买了版权,文档只能用于自身使用,不得用于其他商业用途(如 [转卖]进行直接盈利或[编辑后售卖]进行间接盈利)。
2、本站所有内容均由合作方或网友上传,本站不对文档的完整性、权威性及其观点立场正确性做任何保证或承诺!文档内容仅供研究参考,付费前请自行鉴别。
3、如文档内容存在违规,或者侵犯商业秘密、侵犯著作权等,请点击“违规举报”。

碎片内容

JS-008房屋建筑和市政基础设施工程勘察文件质量检查报告

一帆文传+ 关注
实名认证
内容提供者

欢迎光临店铺,各类公文供您挑选。

确认删除?
VIP
微信客服
  • 扫码咨询
会员Q群
  • 会员专属群点击这里加入QQ群
客服邮箱
回到顶部