电脑桌面
添加小米粒文库到电脑桌面
安装后可以在桌面快捷访问

NPI工程师职责相关

NPI工程师职责相关_第1页
1/3
NPI工程师职责相关_第2页
2/3
NPI工程师职责相关_第3页
3/3
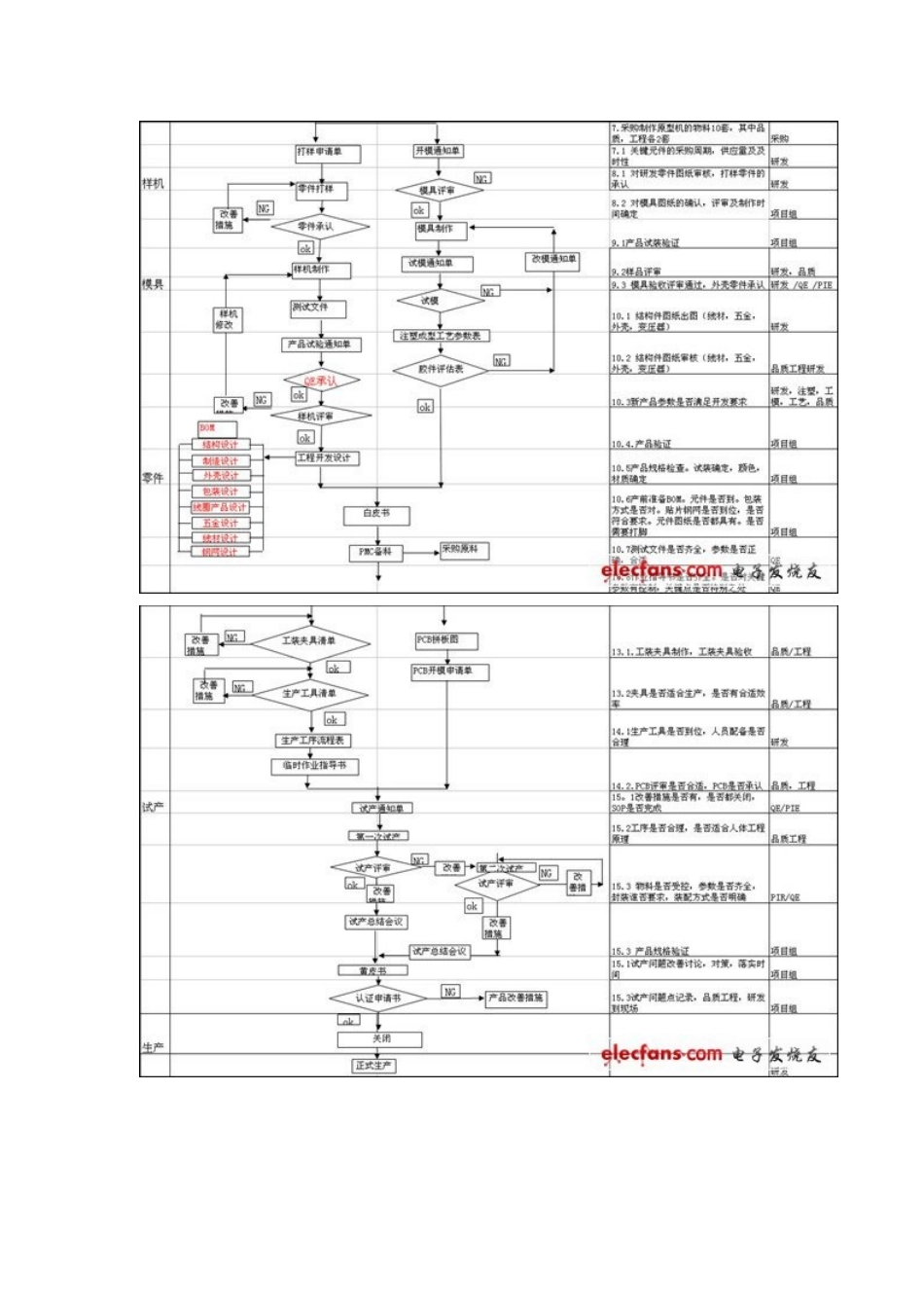
npi 是什么意思_npi 工程师主要职责npi 是什么意思NPI 是英文 New Product Introduction 的缩写,即“新产品导入”;是指把研发设计的产品通过首次生产制造出来的整个过程,按产品工艺的不同,如电子产品涉及 DFM/T,SMT,Test,Sop 等与制造相关制程工作,主要是作为新产品的测试、验证的生产阶段;经 NPI 验证成功后的产品,由研发部门交接给后段的量产工程部门,同时发行产品批量性生产的认可文件。npi 工程师工作内容1、在总工程师领导下,负责全公司工艺技术工作和工艺管理工作,仔细贯彻国家技术工作方针、政策和公司有关规定。组织制定工艺技术工作近期和长远进展规划,并制定技术组织措施方案。2、编制产品的工艺文件,制定材料消耗工艺定额;根据工艺需要,设计工艺装备并负责工艺工装的验证和改进工作;设计公司、车间工艺平面布置图。3、工艺人员要深化生产现场,掌握质量情况;指导、督促车间一线生产及时解决生产中出现的技术问题,搞好工艺技术服务工作。4、负责新产品图纸的会签和新产品批量试制的工艺工装设计,完善试制报告和有关工艺资料,参加新产品鉴定工作。5、承担工艺技术管理制度的起草和修订工作,组织相关人员搞好工艺管理,监督执行工艺纪律.6、组织领导新工艺、新技术的试验讨论工作,抓好工艺试验课题的总结与成果鉴定,并组织推广应用。搞好工艺技术资料的立卷、归档工作。7、协助人力资源部搞好对职工的技术教育及培训。8、积极开展技术攻关和技术改进工作,对技术改进方案与措施,负责签署意见,不断提高工艺技术水平。9、负责本部门方针目标的展开和检查、诊断、落实工作。10、完成总工程师布置的各项临时任务。npi 工程师职权1、按规定审批程序,对工艺文件、工装图纸有更改权,对制订的工艺文件有解释权,对不符合图纸要求的工艺作业有纠正权。2、对各车间执行工艺的情况有检查、监督权,对违反工艺纪律的行为有制止和处罚权。3、有权向有关部门索取产品质量和原材料消耗的资料。4、有权召开全公司性工艺技术人员的专业会议,进行技术沟通,组织技术攻关,对各车间的技术业务工作进行布置和指导5、工艺部部长对全公司工艺技术人员的奖惩、晋升、晋级有建议权。 npi 工程师主要职责1、对在计划规定期限内未完成工艺准备工作,而影响新产品试制进度和生产任务完成负责. 2、对因工艺编制或工装设计问题,导致产品大量报废或返修,造成经济损失负责。 3、对解决生产中发生的工艺技术问题不及时,影响生产负...

1、当您付费下载文档后,您只拥有了使用权限,并不意味着购买了版权,文档只能用于自身使用,不得用于其他商业用途(如 [转卖]进行直接盈利或[编辑后售卖]进行间接盈利)。
2、本站所有内容均由合作方或网友上传,本站不对文档的完整性、权威性及其观点立场正确性做任何保证或承诺!文档内容仅供研究参考,付费前请自行鉴别。
3、如文档内容存在违规,或者侵犯商业秘密、侵犯著作权等,请点击“违规举报”。

碎片内容

NPI工程师职责相关

您可能关注的文档

雏圣文化+ 关注
实名认证
内容提供者

欢迎光临,大量办公文档供您挑选。

确认删除?
VIP
微信客服
  • 扫码咨询
会员Q群
  • 会员专属群点击这里加入QQ群
客服邮箱
回到顶部