电脑桌面
添加小米粒文库到电脑桌面
安装后可以在桌面快捷访问

PMC部绩效考核方案73324

PMC部绩效考核方案73324_第1页
1/7
PMC部绩效考核方案73324_第2页
2/7
PMC部绩效考核方案73324_第3页
3/7
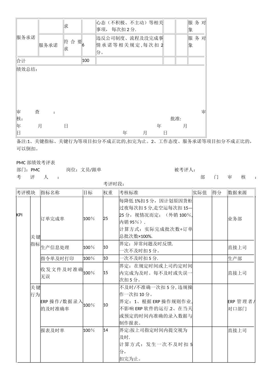
PMC 部绩效考核表标签: pmc 部绩效考核PMC 部绩效考评表部门:PMC 岗位:生产计划员 被考评人: 考评人: 部门审核: 考评时段:考评模块指标名称目标权重考核标准实际值 得分数据来源 KPI 关键指标订单完成率100%25每降低 1%扣 5 分,因计划原因货柜过夜每次扣 5 分,走空运每次扣 15—30 分,视情况而定;(外销 100%,内销 95%).计算方式。:实际完成批次数÷订单总批次数×100% 业务部生产计划及时率100%20生产计划不及时一次扣 5 分.界定:漏排或前、后道工序排产不成正比;一般计划变更必须提前一天以上通知生产班组,紧急(客户、业务要求)变更要提前 4 小时. 生产部计划成本控制率100%15生产指令异常导致物料库存或报废,损失金 额 500 元 以 下 ( 包 括 失 误 ) 一 次 扣 5分,500 元以上每超出 100 元另加扣 1分。 采购部/生产部物料需求(外发、套料单、自制品)及时准确率100%10界定:① 物料计划异常导致不及时/不准确一次扣 5 分。②跟进不到位(前道工序异常造成物料供应不及时,计划员没有通知生产部门变更,而是生产/采购投诉的)导致物料供应不及时一次扣 3 分。 采购部/生产部ERP 操 作 / 数 据 录入的及时准确率100%10不及时/不准确一次扣 5 分, 违规操作一次扣 10 分.界定:1、根据 ERP 操作规则作业,不影响 ERP 软件的运行。2、在当天或预定的时间内准确的录入数据与制作报表。 ERP 主 管 /对口部门关键行为报表及时率100%4界定:按上司规定时间内提交,一次不及时扣 2 分。 上级领导其它管理符合要求 6团队素养及工作协调;培训、沟通、内部管理;任务能力或工作效率、服从度;部门整体工作状况,其它没有包括在 KPI 范围内的正常工作事项。 直接上级/公司领导工 作 态 度 /服务承诺工作态度符合要求 4包括工作失误、工作质量、工作心态(不积极、不主动)等相关事项, 每次扣 2分。 服务对象服务承诺符合要求 6违反公司制度、流程、标准及没完成事情承诺等相关规定,每次扣 2 分。 服务对象合计100 绩效总结: 审查: 审核: 批准:年 月 日 年 月 日 年 月 日备注:1、关键指标、关键行为等项目扣分不成正比的,扣完为止。2、工作态度、服务承诺等项目扣分不成正比的可以倒扣。PMC 部绩效考评表部门:PMC 岗位:主管 被考评人: 考评人: 考评时段:考评模块 指标名称目标权重考核标准实 际值得分 ...

1、当您付费下载文档后,您只拥有了使用权限,并不意味着购买了版权,文档只能用于自身使用,不得用于其他商业用途(如 [转卖]进行直接盈利或[编辑后售卖]进行间接盈利)。
2、本站所有内容均由合作方或网友上传,本站不对文档的完整性、权威性及其观点立场正确性做任何保证或承诺!文档内容仅供研究参考,付费前请自行鉴别。
3、如文档内容存在违规,或者侵犯商业秘密、侵犯著作权等,请点击“违规举报”。

碎片内容

PMC部绩效考核方案73324

不二商店+ 关注
实名认证
内容提供者

我是你的不二选择

确认删除?
VIP
微信客服
  • 扫码咨询
会员Q群
  • 会员专属群点击这里加入QQ群
客服邮箱
回到顶部