电脑桌面
添加小米粒文库到电脑桌面
安装后可以在桌面快捷访问

QSEPC技4.4.16-2025-发电机转子通风试验措施

QSEPC技4.4.16-2025-发电机转子通风试验措施_第1页
1/11
QSEPC技4.4.16-2025-发电机转子通风试验措施_第2页
2/11
QSEPC技4.4.16-2025-发电机转子通风试验措施_第3页
3/11
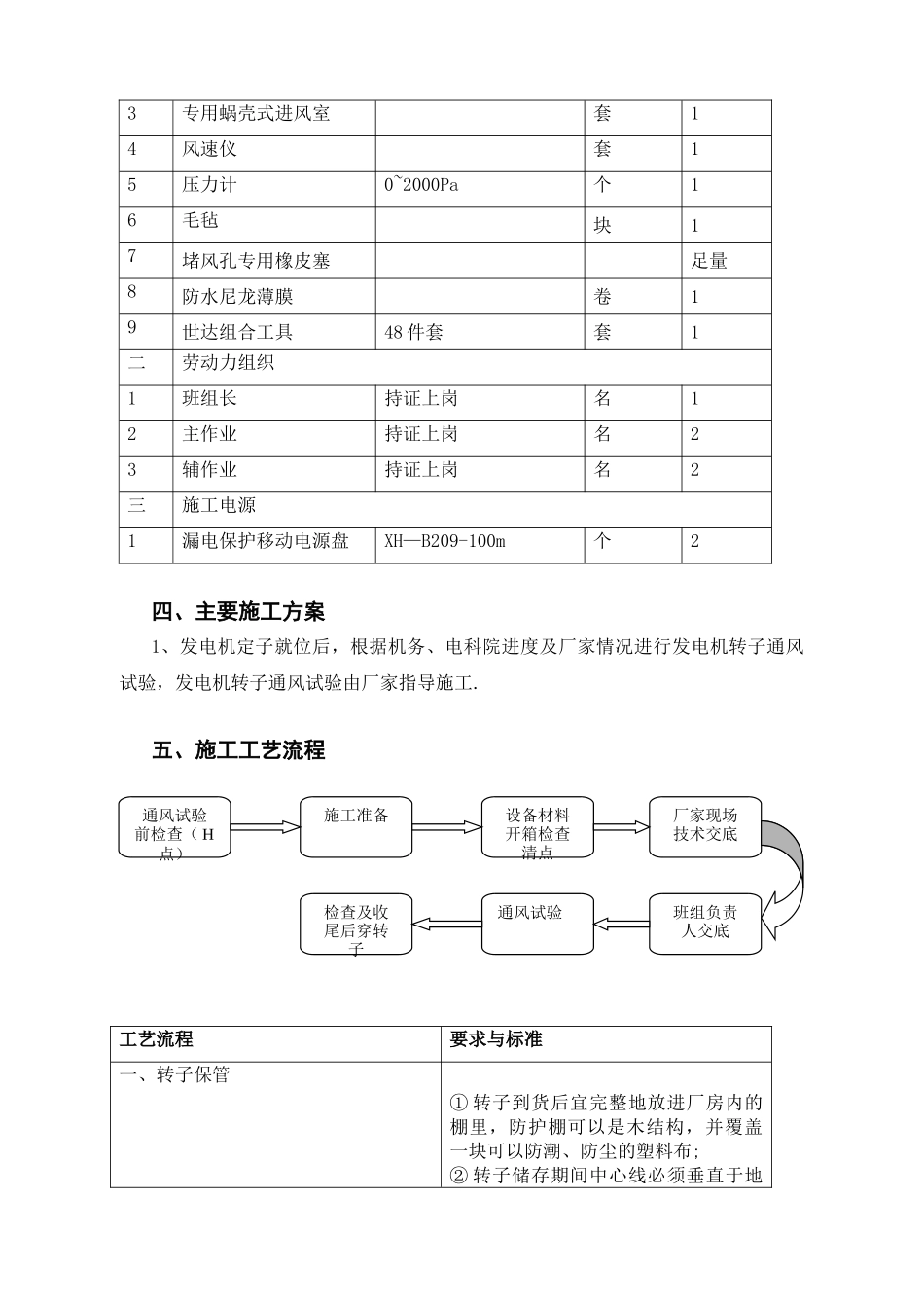
14.发电机转子通风试验措施(Q/SEPC 技 4.4.16-2025)初版版 次日 期审 核改版原因批 准新疆农六师煤电有限公司 2×1100MW 超超临界空冷机组工程编 号作 业 指 导 书发电机转子通风试验措施(Q/SEPC 技 4.4。16—2025)编写/日期:单位:山东电力建设第二工程公司 电仪工程处一、工程概述1、工程概况新疆农六师煤电有限公司2×1100MW 超超临界空冷机组工程发电机采纳的是东方电机股份有限公司生产的QFSN-1000—2-27型隐极式、二极、三相同步发电机,发电机采纳水氢氢冷却方式,转子线圈氢内冷,机座内部的氢气由装于转子两端的轴流式风扇驱动,在机内密闭循环;集电环及电刷空气冷却,两集电环间设有离心式风扇,氢冷转子为气隙取气通风方式.发电机主要参数:型号: QFSN—1000-2—27 型。额定容量: 1220MVA额定功率: 1100MW额定功率因数: 0.9(滞后)额定电压: 27kV额定电流: 26135A额定转速: 3000r/min额定频率: 50Hz绝缘等级: F(B 级温升)直轴超瞬变电抗(饱和值)X″d: 18%冷却方式: 水氢氢定子绕组连接方式: YY 定子绕组出线端子: 62、施工范围 1、发电机转子通风试验。3、主要工程量 本措施施工主要工程量包括通风试验缘施工材料清点、转子设备检查,发电机转子通风试验.二、编制依据1、东方汽轮发电机厂提供的图纸、说明书、安装工艺导则等技术资料2、《火电施工安装工程旋转电机施工及验收法律规范》GB50170—20253、《电气装置安装工程质量检验及评定规程》DL/T5161。1~5161。17-20254、《火力发电机组施工创优工艺质量手册》5、《汽轮发电机转子直接氢冷通风道检验方法及限值》6、《电力建设安全工作规程》(火力发电厂部分)DL5009。1-2025三、施工准备序号名称规格型号单位数量一工器具1吸尘器台12鼓风机台13专用蜗壳式进风室套14风速仪套15压力计0~2000Pa个16毛毡块17堵风孔专用橡皮塞足量8防水尼龙薄膜卷19世达组合工具48 件套套1 二劳动力组织1班组长持证上岗名12主作业持证上岗名23辅作业持证上岗名2三施工电源1漏电保护移动电源盘XH—B209-100m 个2四、主要施工方案 1、发电机定子就位后,根据机务、电科院进度及厂家情况进行发电机转子通风试验,发电机转子通风试验由厂家指导施工.五、施工工艺流程工艺流程要求与标准一、转子保管① 转子到货后宜完整地放进厂房内的棚里,防护棚可以是木结构,并覆盖一块可以防潮、防尘的塑料布;② 转子储存期间中心线必须垂直于地通风试验前检...

1、当您付费下载文档后,您只拥有了使用权限,并不意味着购买了版权,文档只能用于自身使用,不得用于其他商业用途(如 [转卖]进行直接盈利或[编辑后售卖]进行间接盈利)。
2、本站所有内容均由合作方或网友上传,本站不对文档的完整性、权威性及其观点立场正确性做任何保证或承诺!文档内容仅供研究参考,付费前请自行鉴别。
3、如文档内容存在违规,或者侵犯商业秘密、侵犯著作权等,请点击“违规举报”。

碎片内容

QSEPC技4.4.16-2025-发电机转子通风试验措施

不二商店+ 关注
实名认证
内容提供者

我是你的不二选择

确认删除?
VIP
微信客服
  • 扫码咨询
会员Q群
  • 会员专属群点击这里加入QQ群
客服邮箱
回到顶部