电脑桌面
添加小米粒文库到电脑桌面
安装后可以在桌面快捷访问

TBS植物护坡施工方案

TBS植物护坡施工方案_第1页
1/6
TBS植物护坡施工方案_第2页
2/6
TBS植物护坡施工方案_第3页
3/6
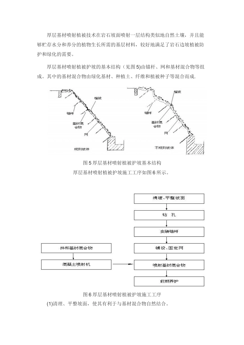
TBS 植草护坡施工方案一、编制说明1、编制依据(1)、《绿化营养基(绿化基材)》(Q/71189。91-0.1-2001);(2)、《公路工程质量检验评定标准》(JTG F80/1-2025);(3)、《公路工程施工安全技术法律规范》(JTJ 076—95);(7)、其它相关文件。2、编制原则充分考虑工程的特点、工期要求,结合高边坡防护所在地的地质水文、气候气象、工程规模、技术特点及工程造价等因素,结合公司类似工程施工经验及施工机械设备配套能力,力求达到技术先进、经济合理、切实可行、安全可靠,确保招标文件所要求的工期、质量、安全、环保的目标。3、编制目标1)、质量目标全部工程项目达到法律规范要求的标准2)、安全目标全面贯彻“安全第一,预防为主”安全生产管理方针,不发生重大机械破损事故,杜绝因工造成的重大人身伤亡事故、重大设备事故、交通事故、火灾事故等,创建平安施工场地.3)、文明施工目标 严格遵守国家和当地政府的环境保护法律、法规的规定,保护生态环境,防止水土流失,杜绝环境污染事故。确保施工现场环境干净、纪律严明、设备完好、物流有序,创文明施工样板施工场地。二、工程概况1、施工准备(1)施工场地布置确定施工现场临时占用的场地范围,并制定安全防护措施。合理布置场地内的原料堆放点、设备间及临时管理用房。(2)取土地厚层基材喷射植被护坡工程中需要最大量的材料是种植土,种植土的及时供给是制约施工顺利进行的关键因素之一,因此要合理选择取土的场地,保证量的足够.取土场经现场详细勘查后在施施工场地就近选取.并且控制好取土的颗粒大小及改良加工,做好防雨的准备,保证雨后有土可用.(3)施工用电施工用电的保障从两方面来考虑:其一是利用工程段范围原土建施工单位的电源引至施工场地现场;其二是自配发电机组。(4)施工及养护用水厚层基材喷射植被护坡的施工和养护都需要用水,因此,需要保障用水的及时供给。使用高扬程抽水机组,就近抽取符合标准的水。(5)临时用房因工期较短,管理人员租用施施工场地附近的房屋设置相应的部门,施工现场工作人员用房租工程地的民房,工点生产用房搭设简易的活动房屋,以满足临时短期的施工要求为准.(6)材料准备及运输方式1)护坡材料护坡材料包括绿化基材、纤维、种植土、混合植被种子、锚杆、网片等,材料的场外运输采纳汽车运输方式,场内运输以人力搬运为主。2)喷射作业平台坡面作业平台用自行设计的可升降的简易吊篮,每个班配 2 台,保证提供合理、安全的作业平台.(...

1、当您付费下载文档后,您只拥有了使用权限,并不意味着购买了版权,文档只能用于自身使用,不得用于其他商业用途(如 [转卖]进行直接盈利或[编辑后售卖]进行间接盈利)。
2、本站所有内容均由合作方或网友上传,本站不对文档的完整性、权威性及其观点立场正确性做任何保证或承诺!文档内容仅供研究参考,付费前请自行鉴别。
3、如文档内容存在违规,或者侵犯商业秘密、侵犯著作权等,请点击“违规举报”。

碎片内容

TBS植物护坡施工方案

文旅传媒+ 关注
实名认证
内容提供者

传播文化,成就未来

确认删除?
VIP
微信客服
  • 扫码咨询
会员Q群
  • 会员专属群点击这里加入QQ群
客服邮箱
回到顶部