电脑桌面
添加小米粒文库到电脑桌面
安装后可以在桌面快捷访问

TPS工程师手册-创建自由格式报表

TPS工程师手册-创建自由格式报表_第1页
1/4
TPS工程师手册-创建自由格式报表_第2页
2/4
TPS工程师手册-创建自由格式报表_第3页
3/4
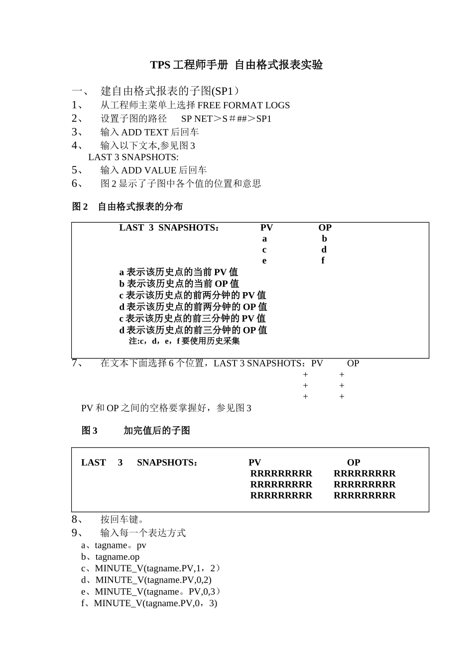
TPS 工程师手册 自由格式报表实验一、 建自由格式报表的子图(SP1)1、从工程师主菜单上选择 FREE FORMAT LOGS2、设置子图的路径 SP NET>S###>SP13、输入 ADD TEXT 后回车4、输入以下文本,参见图 3LAST 3 SNAPSHOTS:5、输入 ADD VALUE 后回车6、图 2 显示了子图中各个值的位置和意思图 2 自由格式报表的分布LAST 3 SNAPSHOTS: PV OP a b c d e fa 表示该历史点的当前 PV 值b 表示该历史点的当前 OP 值c 表示该历史点的前两分钟的 PV 值d 表示该历史点的前两分钟的 OP 值c 表示该历史点的前三分钟的 PV 值d 表示该历史点的前三分钟的 OP 值 注:c,d,e,f 要使用历史采集7、在文本下面选择 6 个位置,LAST 3 SNAPSHOTS:PV OP + + + + + + PV 和 OP 之间的空格要掌握好,参见图 3图 3 加完值后的子图LAST 3 SNAPSHOTS: PV OP RRRRRRRRR RRRRRRRRR RRRRRRRRR RRRRRRRRR RRRRRRRRR RRRRRRRRR8、按回车键。9、输入每一个表达方式a、tagname。pvb、tagname.opc、MINUTE_V(tagname.PV,1,2)d、MINUTE_V(tagname.PV,0,2)e、MINUTE_V(tagname。PV,0,3)f、MINUTE_V(tagname.PV,0,3)10、 输入 SET ORIGIN11、 把光标定位在 LAST 3 SNAPSHOTS 的字母 L 旁边,按[SELECT]键,回车12、 输入 WRITE 后回车。子图 SP1 存到了你指定的 HM 路径下13、 输入 NEW 后回车。画面被清掉了,准备作下面的练习二、 建自由格式报表(FFL###)1、设置自由格式报表的路径 SP FFL###2、输入 SET GRID ON; ADD TEXT3、输入文本,参见图 4。输入你自己的名字和位号。空格的控制参见图 6图 4 自由格式报表的文本 your name FREE FORMAT LOG DATE OF REPORT POINT tagname TIME OF REPORT LAST SHIFT TWO SHIFTS AGO DATE TIME SHIFT AVERAGES LAST HOUR TWO HOURS AGO TIMEHOURLY AVERAGES 4、输入 ADD VALUE 命令,加 16 个值(a-p)。参见图 5图 5 自由格式报表值的位置 your name FREE FORMAT LOG DATE OF REPORT a POINT tagname TIME OF REPORT b LAST SHIFT TWO SHIFTS AGO DATE c d TIME e f SHIFT AVERAGES g h i j LAST HOUR TWO HOURS AGO TIME k lHOURLY AVERAGES m n o pEXPRESSION FORMAT a=SYS_TIME DATEMM/DD/YYENDDATE b=SYS_TIME TIMEHH...

1、当您付费下载文档后,您只拥有了使用权限,并不意味着购买了版权,文档只能用于自身使用,不得用于其他商业用途(如 [转卖]进行直接盈利或[编辑后售卖]进行间接盈利)。
2、本站所有内容均由合作方或网友上传,本站不对文档的完整性、权威性及其观点立场正确性做任何保证或承诺!文档内容仅供研究参考,付费前请自行鉴别。
3、如文档内容存在违规,或者侵犯商业秘密、侵犯著作权等,请点击“违规举报”。

碎片内容

TPS工程师手册-创建自由格式报表

阳光书坊+ 关注
实名认证
内容提供者

阳光书坊,传播未来

确认删除?
VIP
微信客服
  • 扫码咨询
会员Q群
  • 会员专属群点击这里加入QQ群
客服邮箱
回到顶部