电脑桌面
添加小米粒文库到电脑桌面
安装后可以在桌面快捷访问

T梁安装专项施工方案VIP专享

T梁安装专项施工方案_第1页
1/18
T梁安装专项施工方案_第2页
2/18
T梁安装专项施工方案_第3页
3/18
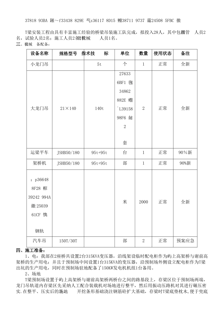
中铁三局集团厦漳高速公路扩建工程 ZA4 合同段T 梁安装专项施工方案中铁三局集团有限公司厦漳高速公路扩建工程 ZA4 合同段项目经理部二 0 一 0 年六月十五日厦漳高速公路(漳州段)扩建工程T梁安装施工专项方案第一章 工程概况一、工程简介厦漳高速公路(漳州段)扩建工程ZA4合同段为南港特大桥的一部分,位于龙海市紫泥镇、海澄镇.工程起点K497+757,终点K499+672。5;右幅桥长1915。5米,左幅桥长1939。5米。桥梁桩号K498+808.181前为整体式桥梁布置,该桩号后为分离式桥梁布置。桥梁上部采纳30m、35m、40m预应力砼T形梁共计525片,3处连续箱梁单幅共计1269米。桥梁除(85+150+85)m连续刚构下部采纳双肢薄壁墩、(44+75+45)m连续刚构下部采纳箱形墩和(45+60+45)m连续梁下部采纳三柱式墩外,其余均采纳双柱式墩、薄壁墩;基础均采纳钻孔桩基础.桥梁118#墩到127—2#墩位于水中,水深16.0m,设计最高通航水位4。78m,最低通航水位3。75m,施工中需搭设栈桥及钻孔平台辅助施工.二、工程数量:桥梁名称九龙江特大桥30mT 梁九龙江特大桥35mT 梁九龙江特大桥40mT 梁合计T 梁数量259 片70 片196 片U]=35586 8B02 謂=39327 999F 馟525 片根据工程情况,梁片交错布置,架桥机必须要满足起吊40mT梁的要求,最大构件重130t。本工程全为桥梁工程,根据其特点分析,T梁安装施工安全风险高,为本标段的重点工程,因此完成本专项工程具有举足轻重的作用。第二章 施工组织一、计划工期本专项工程的计划施工工期为2025年10月1日~2025年08月31日,工程期为336天.二、施工组织T 梁安装施工组织机构框图桥梁吊装现场项目经理:步庆革现场安全员 刘 卓机械管理员 蔡宝杰现场施工员 罗 斌现场测量员 常 鹍 仝地现场质检员 韩付亮架桥机作业组龙门吊作业组运梁车作业组副经理:李晓峰 项目总工:洪 亮财 务 部 任德明 34331 861B 蘛安 质 部 刘 卓综合办公室 赵 虹机 物 部 王润红 现场技术员 连紫旭合 同 部 师荣伟 工 程 部 韩付亮 37818 93BA 鎺~f33438 829E 芞z36117 8D15 贕38711 9737 霷24508 5FBC 徼T梁安装工程由具有丰富施工经验的桥梁吊装施工队完成,拟投入28人,其中包括管理人员2名,试验人员2名;施工人员2名;机械管理人员1名。三、机械设备配备:设备名称规格型号技术指标单位数量使用状态备注小龙门吊5t个1正常全新大龙门吊21×140140t27633 6BF1 毱34862 882E 蠮`L39158 9...

1、当您付费下载文档后,您只拥有了使用权限,并不意味着购买了版权,文档只能用于自身使用,不得用于其他商业用途(如 [转卖]进行直接盈利或[编辑后售卖]进行间接盈利)。
2、本站所有内容均由合作方或网友上传,本站不对文档的完整性、权威性及其观点立场正确性做任何保证或承诺!文档内容仅供研究参考,付费前请自行鉴别。
3、如文档内容存在违规,或者侵犯商业秘密、侵犯著作权等,请点击“违规举报”。

碎片内容

T梁安装专项施工方案

确认删除?
VIP
微信客服
  • 扫码咨询
会员Q群
  • 会员专属群点击这里加入QQ群
客服邮箱
回到顶部