电脑桌面
添加小米粒文库到电脑桌面
安装后可以在桌面快捷访问

XC3系列PLC安装使用手册

XC3系列PLC安装使用手册_第1页
1/3
XC3系列PLC安装使用手册_第2页
2/3
XC3系列PLC安装使用手册_第3页
3/3
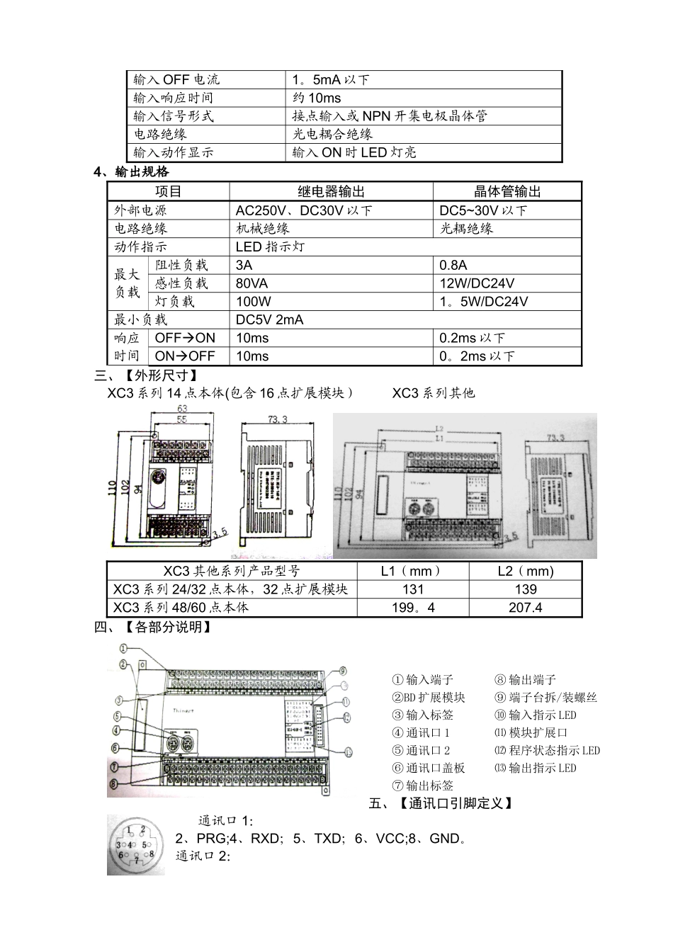
XC3 系列可编程控制器安装使用手册一、【正确的使用方式】1、不要在以下环境中使用: 1)环境潮湿,有凝露;2)有腐蚀性气体、粉尘存在;3)有水、化学药品等导电液体飞溅到的地方。2、配线:避开接近高压、大电流的电源或电缆;电源勿超压;极性正确;通讯电缆连接无误。二、【产品性能】1、一般规格1)绝缘电压:DC500V 2MΩ 以上;2)抗噪声:1000V 1μs 脉冲 1 分钟;3)环境温度:0~60℃;4)环境湿度:5~95%(无凝露);5)通讯口 1:RS-232C,连接上位机、 人机界面编程或调试;6)通讯口 2:RS—485,连网或连接智能仪表、变频器等;7)通讯口 3:BD 扩展、RS—485;8)安装:螺丝固定或导轨安装;9)接地:第三种接地(不可与强电系统公共接地)。2、电源规格项目AC 电源型DC 电源型额定电压AC220VDC24V电压允许范围AC90V~265VDC21.6V~26.4V额定频率/输入电流50/60Hz120mA DC24V允许瞬间断电时间中断时间≤0.5 个沟通周期,间隔≥1 秒10ms DC24V冲击电流最大 40A 5ms 以下/AC100V最大 60A 5ms 以下/AC200V10A DC26.4V最大消耗功率12W传感器用电源24VDC±10% 最大 400mA注:1)电源线请用 2mm2以上的电线,以防止电压下降; 2)即使出现 10ms 以内的断电,可编程序控制器仍可继续工作。当长时间地断电或异常电压下降时,可编程控制器就停止工作,输出也呈 OFF 状态,当电源恢复供电时,可编程控制器就自动开始运行。 3)基本单元和扩展模块的接地端子互相连接,并可靠接地.3、输入规格输入信号电压DC24V±10%输入信号电流7mA/DC24V输入 ON 电流4.5mA 以上输入 OFF 电流1。5mA 以下输入响应时间约 10ms输入信号形式接点输入或 NPN 开集电极晶体管电路绝缘光电耦合绝缘输入动作显示输入 ON 时 LED 灯亮4、输出规格项目继电器输出晶体管输出外部电源AC250V、DC30V 以下DC5~30V 以下电路绝缘机械绝缘光耦绝缘动作指示LED 指示灯最大负载阻性负载3A0.8A感性负载80VA12W/DC24V灯负载100W1。5W/DC24V最小负载DC5V 2mA响应时间OFFON10ms0.2ms 以下ONOFF10ms0。2ms 以下三、【外形尺寸】XC3 系列 14 点本体(包含 16 点扩展模块) XC3 系列其他XC3 其他系列产品型号L1(mm)L2(mm)XC3 系列 24/32 点本体,32 点扩展模块131139XC3 系列 48/60 点本体199。4207.4四、【各部分说明】① 输入端子②BD 扩展模块③ 输入标签④ 通讯口 1⑤ 通讯口 2⑥ 通讯口盖板⑦ 输出标签⑧ 输出端...

1、当您付费下载文档后,您只拥有了使用权限,并不意味着购买了版权,文档只能用于自身使用,不得用于其他商业用途(如 [转卖]进行直接盈利或[编辑后售卖]进行间接盈利)。
2、本站所有内容均由合作方或网友上传,本站不对文档的完整性、权威性及其观点立场正确性做任何保证或承诺!文档内容仅供研究参考,付费前请自行鉴别。
3、如文档内容存在违规,或者侵犯商业秘密、侵犯著作权等,请点击“违规举报”。

碎片内容

XC3系列PLC安装使用手册

阳光书坊+ 关注
实名认证
内容提供者

阳光书坊,传播未来

确认删除?
VIP
微信客服
  • 扫码咨询
会员Q群
  • 会员专属群点击这里加入QQ群
客服邮箱
回到顶部