电脑桌面
添加小米粒文库到电脑桌面
安装后可以在桌面快捷访问

“夹克法”基桩加固专项施工方案

“夹克法”基桩加固专项施工方案_第1页
1/15
“夹克法”基桩加固专项施工方案_第2页
2/15
“夹克法”基桩加固专项施工方案_第3页
3/15
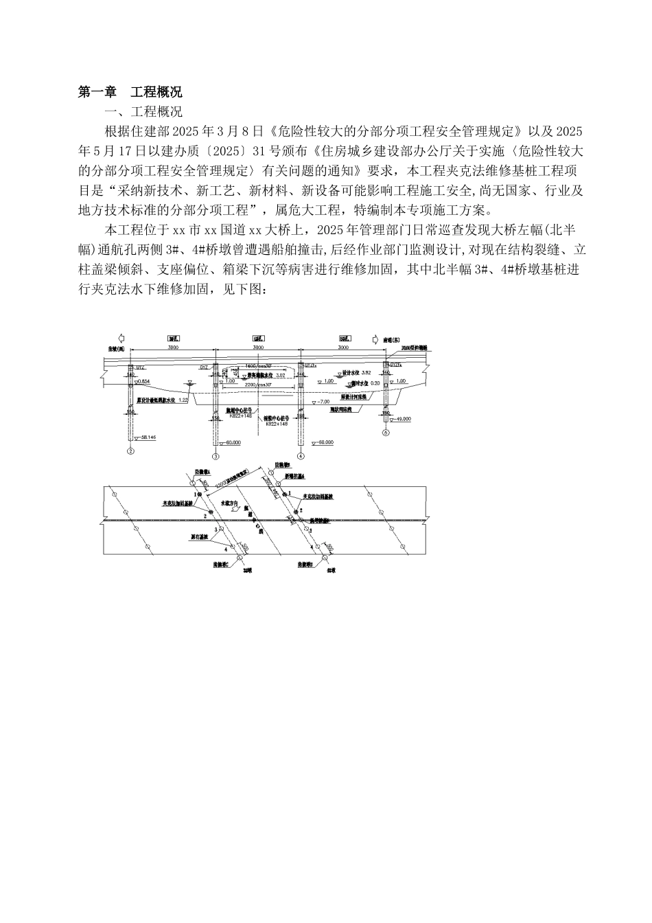
2025 年 xx 市 Gxx 国道 xx 市 xx 大桥船舶撞损维修加固工程夹克法维修基桩专项施工方案xx 公司2025 年 x 月 x 日目 录第一章 工程概况一、工程概况二、编制依据和原则三、施工计划四、投入人员设备第二章 夹克法施工一、主要维修材料及选用二、施工流程、工艺要点及操作方法三、验收标准、内容第三章质量保障措施第四章施工安全保障措施第五章 事故应急抢救预案一、潜水作业淹溺事故应急救援程序二、急救医疗机构及路线图三、联系电话Gxx 国道 xx 市 xx 大桥维修加固工程夹克法维修基桩专项施工方案第一章 工程概况一、工程概况根据住建部 2025 年 3 月 8 日《危险性较大的分部分项工程安全管理规定》以及 2025年 5 月 17 日以建办质〔2025〕31 号颁布《住房城乡建设部办公厅关于实施〈危险性较大的分部分项工程安全管理规定〉有关问题的通知》要求,本工程夹克法维修基桩工程项目是“采纳新技术、新工艺、新材料、新设备可能影响工程施工安全,尚无国家、行业及地方技术标准的分部分项工程”,属危大工程,特编制本专项施工方案。本工程位于 xx 市 xx 国道 xx 大桥上,2025 年管理部门日常巡查发现大桥左幅(北半幅)通航孔两侧 3#、4#桥墩曾遭遇船舶撞击,后经作业部门监测设计,对现在结构裂缝、立柱盖梁倾斜、支座偏位、箱梁下沉等病害进行维修加固,其中北半幅 3#、4#桥墩基桩进行夹克法水下维修加固,见下图:二、编制依据和原则 1、编制依据① 施工图设计;② 施工组织设计;③ 现行相关法律、法规、法律规范性文件、标准、法律规范.2、编制原则① 坚持科学性、先进性、经济性、合理性与有用性相结合的原则;② 安全生产,预防为主的原则;③ 百年大计、质量第一的原则;④ 文明施工、环境保护的原则;⑤ 坚持专业化作业与综合管理相结合的原则。三、施工计划定制材料 15 天(现已完成现场水下探摸、尺寸丈量),现场施工 15 天。现场施工自顶升纠偏结束起计。估计开竣工时间为:2025 年 11 月 15 日-12 月 20 日四、投入人员设备1、投入人员 潜水员 4-6 人,其他 2 人.2、投入设备设备名称容量数量备注软式潜水头盔4干式潜水服4潜水脐带4含信号绳空压机0。9—1。2m31 台压铅4潜水电话4救生衣6施工平台6m×6m1可用船铲刀5—8用于刮胶气动角磨机4打磨气动起子4安装不锈钢钉心型搅拌器2搅拌水下环氧灌浆料高压水枪1清洗结构表面水下拍摄像机2水下拍摄第二章 夹克法施工...

1、当您付费下载文档后,您只拥有了使用权限,并不意味着购买了版权,文档只能用于自身使用,不得用于其他商业用途(如 [转卖]进行直接盈利或[编辑后售卖]进行间接盈利)。
2、本站所有内容均由合作方或网友上传,本站不对文档的完整性、权威性及其观点立场正确性做任何保证或承诺!文档内容仅供研究参考,付费前请自行鉴别。
3、如文档内容存在违规,或者侵犯商业秘密、侵犯著作权等,请点击“违规举报”。

碎片内容

“夹克法”基桩加固专项施工方案

确认删除?
VIP
微信客服
  • 扫码咨询
会员Q群
  • 会员专属群点击这里加入QQ群
客服邮箱
回到顶部