电脑桌面
添加小米粒文库到电脑桌面
安装后可以在桌面快捷访问

《基础工程》课程设计任务书

《基础工程》课程设计任务书_第1页
1/9
《基础工程》课程设计任务书_第2页
2/9
《基础工程》课程设计任务书_第3页
3/9
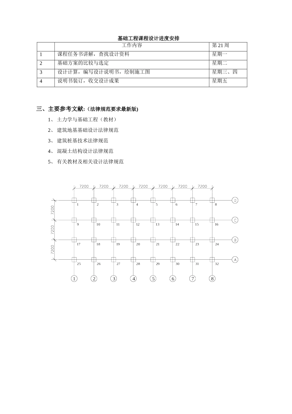
《土力学与基础工程》课程设计任务书学校:班级:学号:姓名:《土力学基础工程》课程设计任务书学生姓名: 专业班级:土木 13 级 1 班指导老师: 专业院(系):一、题目某小区住宅楼基础设计二、课程设计任务1、设计任务任务 A 某小区住宅楼底层柱网布置及柱编号如图 1,柱截面,柱身混凝土为C20 各柱的荷载标准值见表 1,场地的地层条件及主要土层的物理力学指标见表 2,对该大楼进行基础设计。任 务 B 某 小 区 住 宅 楼 为 框 架 结 构 建 筑 , 柱 网 布 置 及 柱 编 号 如 图 1, 底 层 柱 截 面,柱身混凝土为 C20,各柱的荷载标准值见表 3,场地的地层条件及主要土层的物理力学指标见表 4,对该建筑进行基础设计。2、设计原始资料(1)地质、水文资料场地地下水类型为潜水,地下水位离地表 3。0m,根据实验分析表明,该场地地下水对混凝土无腐蚀性.(2)场地地基物理、力学资料场地的地层条件及主要土层的物理力学指标见表 2、表 4。(3)建筑物情况该建筑物为 8 层的框架结构,底层柱网布置及柱编号如图 1,各柱的荷载标准值见表 1 及表 3.(4)抗震设防要求不考虑三、设计内容及要求要求1、对指定的任务(如 A15,第 15 号柱,,柱子荷载见表 1,地层条件见表 2;B15,第 15 号柱,柱子荷载见表 3,地层条件见表 4)进行基础设计,设计成果包括计算书和施工图(平面图及剖面图,并附相应的施工说明)。2、设计内容和步骤参照课程设计指导书; 3、要求设计合理,计算正确,书写工整,计算书用 A4 纸,附必要的计算简图。4、进度安排见下表基础工程课程设计进度安排三、主要参考文献:(法律规范要求最新版)1、 土力学与基础工程(教材)2、 建筑地基基础设计法律规范3、 建筑桩基技术法律规范4、 混凝土结构设计法律规范5、 有关教材及相关设计法律规范工作内容第 21 周1课程任务书讲解,查找设计资料星期一2基础方案的比较与选定星期二3设计计算,编写设计说明书,绘制施工图星期三、四4说明书装订,收交设计成果星期五《基础工程》课程设计任务安排(注:A 表示任务 A,B 表示任务 B)姓名任务姓名任务姓名任务姓名任务全树成A1桂薇B23王将B1张宇A16陈银A2罗继航A17娄金辉B2马海余B24谢伟B3蔡海云B25周东远B4陈昶铭B26徐彬B5孙悦B27韦代柯A3张颂析B28余旺A4杨登财A18王泓泓A5吴秀才A19刘云雄B5索配A20雷明祥B7梁天宇B29简朝中A6符江A21徐位领B8曹立B30吴源宝B9邰成保B31...

1、当您付费下载文档后,您只拥有了使用权限,并不意味着购买了版权,文档只能用于自身使用,不得用于其他商业用途(如 [转卖]进行直接盈利或[编辑后售卖]进行间接盈利)。
2、本站所有内容均由合作方或网友上传,本站不对文档的完整性、权威性及其观点立场正确性做任何保证或承诺!文档内容仅供研究参考,付费前请自行鉴别。
3、如文档内容存在违规,或者侵犯商业秘密、侵犯著作权等,请点击“违规举报”。

碎片内容

《基础工程》课程设计任务书

您可能关注的文档

确认删除?
VIP
微信客服
  • 扫码咨询
会员Q群
  • 会员专属群点击这里加入QQ群
客服邮箱
回到顶部