电脑桌面
添加小米粒文库到电脑桌面
安装后可以在桌面快捷访问

《安装工程估价实训》报告撰写要求作业

《安装工程估价实训》报告撰写要求作业_第1页
1/15
《安装工程估价实训》报告撰写要求作业_第2页
2/15
《安装工程估价实训》报告撰写要求作业_第3页
3/15
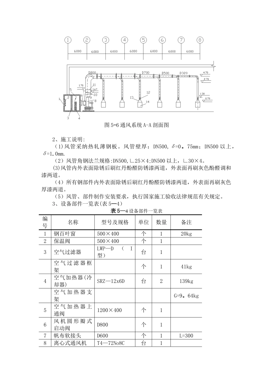
兵团广播电视大学开放教育(专科)安装工程估价实训报告姓名:学号:班 级:分 校:安装工程估价实训对于安装工程估价学习,我对某通风空调进行了预算。一、某工程的工程概况、施工图与施工说明1、工程概况:本工程为某工厂车间送风系统的安装,其施工图见图 5—5、图 5-6。。室外空气由空调箱的固定式钢百叶窗引入,经保温阀去空气过滤器过滤。再由上通阀,进入空气加热器(冷却器),加热或降温后的空气由帆布软管,经风机圆形瓣式启动阀进入风机,由风机驱动进入主风管。再由六根支管上的空气分布器送入室内。空气分布器前均设有圆形蝶阀,供调节风量用。图 5-5 通风系统平面图图 5-6 通风系统 A-A 剖面图2、施工说明:(1)风管采纳热轧薄钢板。风管壁厚:DN500,δ=0。75mm;DN500 以上,δ=1.0mm.(2)风管角钢法兰规格:DN500,∟25×4;DN500 以上,∟30×4。(3)风管内外表面除锈后刷红丹酚醛防锈漆两道,外表面再刷灰色酚醛调和漆两道。(4)所有钢部件内外表面除锈后刷红丹酚醛防锈漆两道,外表面再刷灰色厚漆两道。(5)风管、部件制作安装要求,执行国家施工验收法律规范有关规定。3、设备部件一览表(表 5—4)表 5—4 设备部件一览表编号名称型号及规格单位数量备注1钢百叶窗500×400个120kg2保温阀500×400个13空气过滤器LWP—D(I型)台1空 气 过 滤 器 框架个141kg4空气加热器(冷却器)SRZ—12x6D台2139kg空 气 加 热 器 支架G=9。64kg5空 气 加 热 器 上通阀1200×400个16风 机 圆 形 瓣 式启动阀D800个17帆布软接头D600个1L=3008离心式通风机T4—72No8C台1电动机Y200 L–4 300kw台1皮带防护罩C 式 II 型个1G=15.5kg风机减震台CG327 8Ckg291.39天圆地方管D800/560×640个1H=40010密 闭 式 斜 插 板阀D800个1G=40kg/个11帆布软接头D800个1L=30012圆形蝶阀D320个613天圆地方管D320/600×3006H=20014空气分布器4# 600×300个6空 气 分 布 器 支架个6图 5。8二、编制的依据1、某工厂车间通风工程施工图.2、全国统一安装工程预算工程量计算规则。3、《全国统一安装工程预算定额》第九册 通风空调工程;第十一册 刷油、防腐蚀、绝热工程。4、某省建筑安装工程费用定额.5、某市建筑安装工程造价信息。三、分项工程项目的划分和排列根据本例的工程内容,通风系统安装套用全国统一安装工程预算定额第九册《通风空调工程》,通风系统的除锈、刷油漆套用第十一册《刷油、防腐蚀、绝热工程》。...

1、当您付费下载文档后,您只拥有了使用权限,并不意味着购买了版权,文档只能用于自身使用,不得用于其他商业用途(如 [转卖]进行直接盈利或[编辑后售卖]进行间接盈利)。
2、本站所有内容均由合作方或网友上传,本站不对文档的完整性、权威性及其观点立场正确性做任何保证或承诺!文档内容仅供研究参考,付费前请自行鉴别。
3、如文档内容存在违规,或者侵犯商业秘密、侵犯著作权等,请点击“违规举报”。

碎片内容

《安装工程估价实训》报告撰写要求作业

您可能关注的文档

确认删除?
VIP
微信客服
  • 扫码咨询
会员Q群
  • 会员专属群点击这里加入QQ群
客服邮箱
回到顶部