电脑桌面
添加小米粒文库到电脑桌面
安装后可以在桌面快捷访问

《工程竣工结算审计必备资料清单》VIP专享

《工程竣工结算审计必备资料清单》_第1页
1/5
《工程竣工结算审计必备资料清单》_第2页
2/5
《工程竣工结算审计必备资料清单》_第3页
3/5
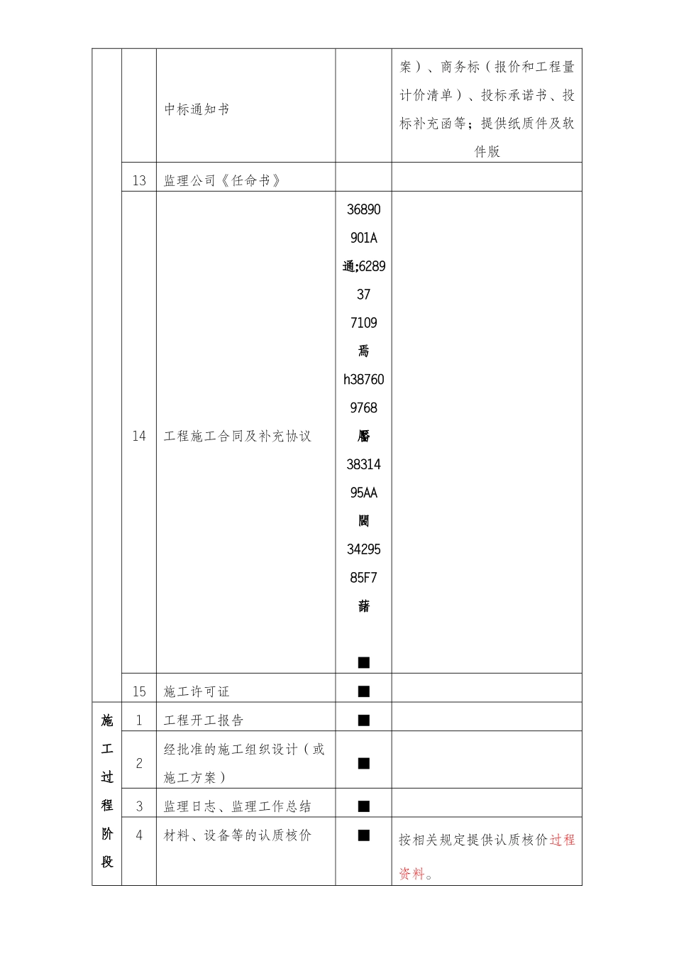
工程竣工结算审计必备资料清单阶段序号资料名称必备资料其他说明建设前期阶段1项目立项报告、立项批复■可提供复印件,原件备查2项目建议书、可行性讨论报告及批复■可提供复印件,原件备查3规划部门的规划测绘批准手续(规划许可)■可提供复印件,原件备查4i40546 9E62 鹢 33487 82CF 苏 h}38229 9555 镕 HQ土地管理部门下达的土地划拨或审批文件■可提供复印件,原件备查5建设用地许可证(用地许可)■可提供复印件,原件备查6工程原始地形地貌和高程的测量图提供纸质件及电子版7地勘报告■8设计概算、概算调整及批复■提供纸质件及电子版;概算批复可提供复印件,原件备查;相对应的概算书。933849 8439 萹 30361 7699 皙 s§xxI[施工图及审查文件■提供纸质件及电子版;10施工图预算书(限价/标底)■提供纸质件及软件版11工程项目招标投标文件及答疑文件(包括相关的施工组织设计或方案等资料)、非公开招投标项目提供审批文件■12评标过程资料、中标资料、■中标资料含技术标(施工方中标通知书案)、商务标(报价和工程量计价清单)、投标承诺书、投标补充函等;提供纸质件及软件版13监理公司《任命书》14工程施工合同及补充协议36890 901A 通;628937 7109 焉h38760 9768 靨38314 95AA 閪34295 85F7 藷■15施工许可证■施工过程阶段1工程开工报告■2经批准的施工组织设计(或施工方案)■3监理日志、监理工作总结■4材料、设备等的认质核价■按相关规定提供认质核价过程资料。-s21709 54CD 响L25450 636A 捪20454 4FE6 俦=5变更依据、变更现场签证■按时间顺序整理装订成册;按相关变更程序规定提供变更会议纪要、专家意见等过程资料6现场签证资料■7隐蔽验收记录■提供影像资料,含照片、摄像、录音等8工程洽商及会议纪要■9工程竣工验收报告■10926258 6692 暒 MU!23941 5D85 嶅 23495 5BC7 寇 4工程进度款支付资料■须财务部签章确认结算1经双方确认的工程竣工结算书■提供纸质件及软件版阶段2竣工图(含电子版)■提供纸质件及电子版3委托中介初审结算资料及委托咨询合同■假如有委托就提供4与工程相关的影像资料包含影像资料,含照片、摄像、录音等注意:1. 标注“■”为必备资料,如无法提供,应在自查报告中说明原因。2. 所有施工过程阶段的资料,须签章齐全。

1、当您付费下载文档后,您只拥有了使用权限,并不意味着购买了版权,文档只能用于自身使用,不得用于其他商业用途(如 [转卖]进行直接盈利或[编辑后售卖]进行间接盈利)。
2、本站所有内容均由合作方或网友上传,本站不对文档的完整性、权威性及其观点立场正确性做任何保证或承诺!文档内容仅供研究参考,付费前请自行鉴别。
3、如文档内容存在违规,或者侵犯商业秘密、侵犯著作权等,请点击“违规举报”。

碎片内容

《工程竣工结算审计必备资料清单》

确认删除?
VIP
微信客服
  • 扫码咨询
会员Q群
  • 会员专属群点击这里加入QQ群
客服邮箱
回到顶部