电脑桌面
添加小米粒文库到电脑桌面
安装后可以在桌面快捷访问

《市政工程施工安全检查表》VIP专享

《市政工程施工安全检查表》_第1页
1/16
《市政工程施工安全检查表》_第2页
2/16
《市政工程施工安全检查表》_第3页
3/16
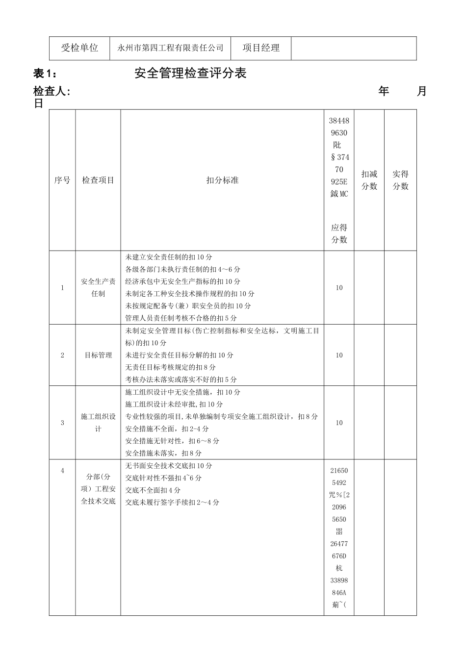
附件:___ 永州市利安路道路 ___ _工 程市政(安全)工程施工安全检查评分汇总表编号: 年 月 日项目名称满分扣分得分安全管理15文明施工20土石方工程10桥涵工程15隧道工程15主要工序10/Q20256 4F02 伂O20251 4EAD 亭32728 7FD8 翘27454 6B3E 款施工用电10个人防护5应得分实得分总评分总 评:检查单位负责人受检单位永州市第四工程有限责任公司项目经理表 1: 安全管理检查评分表检查人: 年 月 日序号检查项目扣分标准38448 9630 阰§37470 925E 鉞 MC应得分数扣减分数实得分数1安全生产责任制未建立安全责任制的扣 l0 分各级各部门未执行责任制的扣 4~6 分经济承包中无安全生产指标的扣 10 分未制定各工种安全技术操作规程的扣 l0 分未按规定配备专(兼)职安全员的扣 10 分管理人员责任制考核不合格的扣 5 分102目标管理未制定安全管理目标(伤亡控制指标和安全达标,文明施工目标)的扣 10 分未进行安全责任目标分解的扣 10 分无责任目标考核规定的扣 8 分考核办法未落实或落实不好的扣 5 分103施工组织设计施工组织设计中无安全措施,扣 10 分施工组织设计未经审批,扣 l0 分专业性较强的项目,未单独编制专项安全施工组织设计,扣 8 分安全措施不全面,扣 2-4 分安全措施无针对性,扣 6~8 分安全措施未落实,扣 8 分104分部(分项)工程安全技术交底无书面安全技术交底扣 10 分交底针对性不强扣 4~6 分交底不全面扣 4 分交底未履行签字手续扣 2~4 分21650 5492 咒%[22096 5650 噐26477 676D 杭33898 846A 葪~(105安全检查无定期安全检查制度扣 5 分安全检查无记录扣 5 分事故隐患整改做不到定人,定时间、定措施扣 2~6 分106安全教育无安全教育制度扣 10 分新入厂工人未进行三级安全教育扣 10 分无具体安全教育内容扣 6~8 分变换工种时未进行安全教育扣 10 分每有一人不懂本工种安全技术操作规程扣 2 分施工管理人员未按规定进行培训的扣 5 分107班前安全活动未建立班前安全活动制度,扣 l0 分班前安全活动无记录,扣 2 分108特种作业持证上岗一人未经培训从事特种作业,扣 4 分一人未持操作证上岗,扣 2 分1031304 7A48 穈a38086 94C6 铆39425 9A01 騁36131 8D23 责24775 60C7 惇 C9工伤事故处理工伤事故未按规定报告,扣 3~5 分工伤事故未按事故调查分析规定处理,扣 l0 分未建立工伤事故档案,扣 4 分1010安全标志无...

1、当您付费下载文档后,您只拥有了使用权限,并不意味着购买了版权,文档只能用于自身使用,不得用于其他商业用途(如 [转卖]进行直接盈利或[编辑后售卖]进行间接盈利)。
2、本站所有内容均由合作方或网友上传,本站不对文档的完整性、权威性及其观点立场正确性做任何保证或承诺!文档内容仅供研究参考,付费前请自行鉴别。
3、如文档内容存在违规,或者侵犯商业秘密、侵犯著作权等,请点击“违规举报”。

碎片内容

《市政工程施工安全检查表》

确认删除?
VIP
微信客服
  • 扫码咨询
会员Q群
  • 会员专属群点击这里加入QQ群
客服邮箱
回到顶部