电脑桌面
添加小米粒文库到电脑桌面
安装后可以在桌面快捷访问

《建筑地基基础工程施工质量验收规范》06365

《建筑地基基础工程施工质量验收规范》06365_第1页
1/27
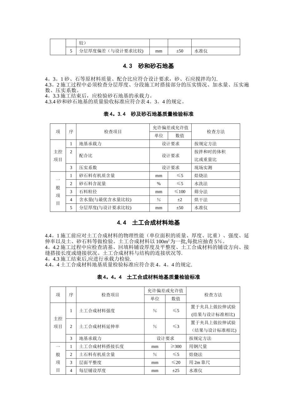
《建筑地基基础工程施工质量验收规范》06365_第2页
2/27
《建筑地基基础工程施工质量验收规范》06365_第3页
3/27
《建筑地基基础工程施工质量验收法律规范》GB50202-2025Code for acceptance of construction quality of building foundation1 总 则1.0.1 为加强工程质量监督管理,统一地基基础工程施工质量的验收,保证工程质量,制定本法律规范.1。0.2 本法律规范适用于建筑工程的地基基础工程施工质量验收。1。03 地基基础工程施工中采纳的工程技术文件、承包合同文件对施工质量验收的要求不得低于本法律规范的规定。1.0.4 本法律规范应与现行国家标准《建筑工程施工质量验收统一标准》GB50300 配套使用。1。0。5 地基基础工程施工质量的验收除应执行本法律规范外,尚应符合国家现行有关标准法律规范的规定.2 术 语2.0。1 土工合成材料地基 geosynthetics foundation在土工合成材料上填以土(砂土料)构成建筑物的地基,土工合成材料可以是单层,也可以是多层。一般为浅层地基。2。0.2 重锤夯实地基 heavy tamping foundation利用重锤自由下落时的冲击能来夯实浅层填土地基,使表面形成一层较为均匀的硬层来承受上部载荷。强夯的锤击与落距要远大于重锤夯实地基。2.0.3 强夯地基 dynamic consolidation foundation工艺与重锤夯实地基类同,但锤重与落距要远大于重锤夯实地基.2。0。4 注浆地基 grouting foundation将配置好的化学浆液或水泥浆液,通过导管注入土体孔隙中,与土体结合,发生物化反应,从而提高土体强度,减小其压缩性和渗透性。2。0.5 预压地基 preloading foundation在原状土上加载,使土中水排出,以实现土的预先固结,减少建筑物地基后期沉降和提高地基承载力。按加载方法的不同,分为堆载预压、真空预压、降水预压三种不同方法的预压地基。2。0。6 高压喷射注浆地基 jet grouting foundation利用钻机把带有喷嘴的注浆管钻至土层的预定位置或先钻孔后将注浆管放至预定位置,以高压使浆液或水从喷嘴中射出,边旋转边喷射的浆液,使土体与浆液搅拌混合形成一固结体。施工采纳单独喷出水泥浆的工艺,称为单管法;施工采纳同时喷出高压空气与水泥浆的工艺,称为二管法;施工采纳同时喷出高压水、高压空气及水泥浆的工艺,称为三管法。2.0。7 水泥土搅拌桩地基 soil-cement mixed pile foundation利用水泥作为固化剂,通过搅拌机械将其与地基土强制搅拌,硬化后构成的地基。2.0.8 土与灰土挤密桩地基 soil-lime compacted column在原土中成孔后分层填以素土或灰土,并夯实,使填土压密,同时挤密周围土体,...

1、当您付费下载文档后,您只拥有了使用权限,并不意味着购买了版权,文档只能用于自身使用,不得用于其他商业用途(如 [转卖]进行直接盈利或[编辑后售卖]进行间接盈利)。
2、本站所有内容均由合作方或网友上传,本站不对文档的完整性、权威性及其观点立场正确性做任何保证或承诺!文档内容仅供研究参考,付费前请自行鉴别。
3、如文档内容存在违规,或者侵犯商业秘密、侵犯著作权等,请点击“违规举报”。

碎片内容

《建筑地基基础工程施工质量验收规范》06365

您可能关注的文档

确认删除?
VIP
微信客服
  • 扫码咨询
会员Q群
  • 会员专属群点击这里加入QQ群
客服邮箱
回到顶部