电脑桌面
添加小米粒文库到电脑桌面
安装后可以在桌面快捷访问

《蒸压加气混凝士砌块标准》-GB11968-2025VIP专享

《蒸压加气混凝士砌块标准》-GB11968-2025_第1页
1/7
《蒸压加气混凝士砌块标准》-GB11968-2025_第2页
2/7
《蒸压加气混凝士砌块标准》-GB11968-2025_第3页
3/7
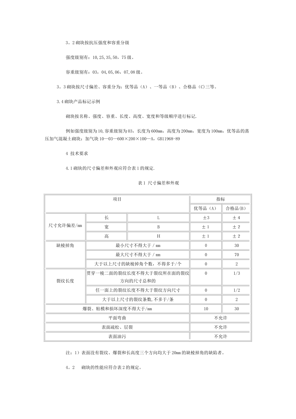
《蒸压加气混凝士砌块标准》 GB11968-2025时间:2025—8—30 18:17:13 点击:832 次摘要:本标准规定了蒸压加气混凝土砌块的产品分类、技术要求、试验方法、检验规则和产品质量说明书、堆放和运输。本标准适用于作民用与工业建筑物墙体和绝热使用的蒸压加气混凝土砌块(以下简称砌块)。1 主题内容与适用范围 本标准规定了蒸压加气混凝土砌块的产品分类、技术要求、试验方法、检验规则和产品质量说明书、堆放和运输。 本标准适用于作民用与工业建筑物墙体和绝热使用的蒸压加气混凝土砌块(以下简称砌块). 2 引用标准 GB5348 砖和砌块名词术语 GB11969 加气混凝土性能试验方法总则 GB11970 加气混凝土容重、含水率和吸水率试验方法 GB11971 加气混凝土力学性能试验方法 GB11972 加气混凝士干燥收缩试验方法 GB11973 加气混凝土抗冻性试验方法 3 产品分类 3。1 砌块一般规格的公称尺寸有两个系列,单位为 mm: a。长度:600. 高度:200,250,300。 宽度:75,100,125,150,175,200,250……(以 25 递增)。 b。长度:600。 高度:240,300。 宽度:60,120,180,240……(以 60 递增)。 其他规格可由购货单位与生产厂协商确定。 3。2 砌块按抗压强度和容重分级 强度级别有:10,25,35,50,75 级。 容重级别有:03,04,05,06,07,08 级。3。3 砌块按尺寸偏差、容重分为:优等品(A)、一等品(B)、合格品(C)三等。3.4 砌块产品标记示例 砌块按名称、强度、容重、长度、高度、宽度和等级顺序进行标记. 例如强度级别为 10,容重级别为 03,长度为 600mm,高度为 200mm,宽度为 100mm,优等品的蒸压加气混凝土砌块:加气块 10—03—600×200×100—A,GB11968-89 4 技术要求 4.1 砌块的尺寸偏差和外观应符合表 1 的规定. 表 1 尺寸偏差和外观项目指标优等品(A)合格品(B) 尺寸允许偏差/mm长L±3±4宽B±1±2高H±1±2缺棱掉角最小尺寸不得大于/mm030最大尺寸不得大于/mm070大于以上尺寸的缺棱掉角个数,不得多于/个02 裂纹长度贯穿一棱二面的裂纹长度不得大于裂纹所在面的裂纹方向的尺寸总和的01/3任一面上的裂纹长度不得大于裂纹方向尺寸01/2大于以上尺寸的裂纹条数,不多于/条02爆裂、粘模和损坏深度不得大于/mm1030平面弯曲不允许表面疏松、层裂不允许表面油污不允许 注:1)表面没有裂纹、爆裂和长高度三个方向均大于 20mm 的缺棱掉角的缺陷者。 4。2 砌块的性能应符合表...

1、当您付费下载文档后,您只拥有了使用权限,并不意味着购买了版权,文档只能用于自身使用,不得用于其他商业用途(如 [转卖]进行直接盈利或[编辑后售卖]进行间接盈利)。
2、本站所有内容均由合作方或网友上传,本站不对文档的完整性、权威性及其观点立场正确性做任何保证或承诺!文档内容仅供研究参考,付费前请自行鉴别。
3、如文档内容存在违规,或者侵犯商业秘密、侵犯著作权等,请点击“违规举报”。

碎片内容

《蒸压加气混凝士砌块标准》-GB11968-2025

确认删除?
VIP
微信客服
  • 扫码咨询
会员Q群
  • 会员专属群点击这里加入QQ群
客服邮箱
回到顶部