电脑桌面
添加小米粒文库到电脑桌面
安装后可以在桌面快捷访问

三相笼型异步电动机点动控制线路--教案

三相笼型异步电动机点动控制线路--教案_第1页
1/4
三相笼型异步电动机点动控制线路--教案_第2页
2/4
三相笼型异步电动机点动控制线路--教案_第3页
3/4
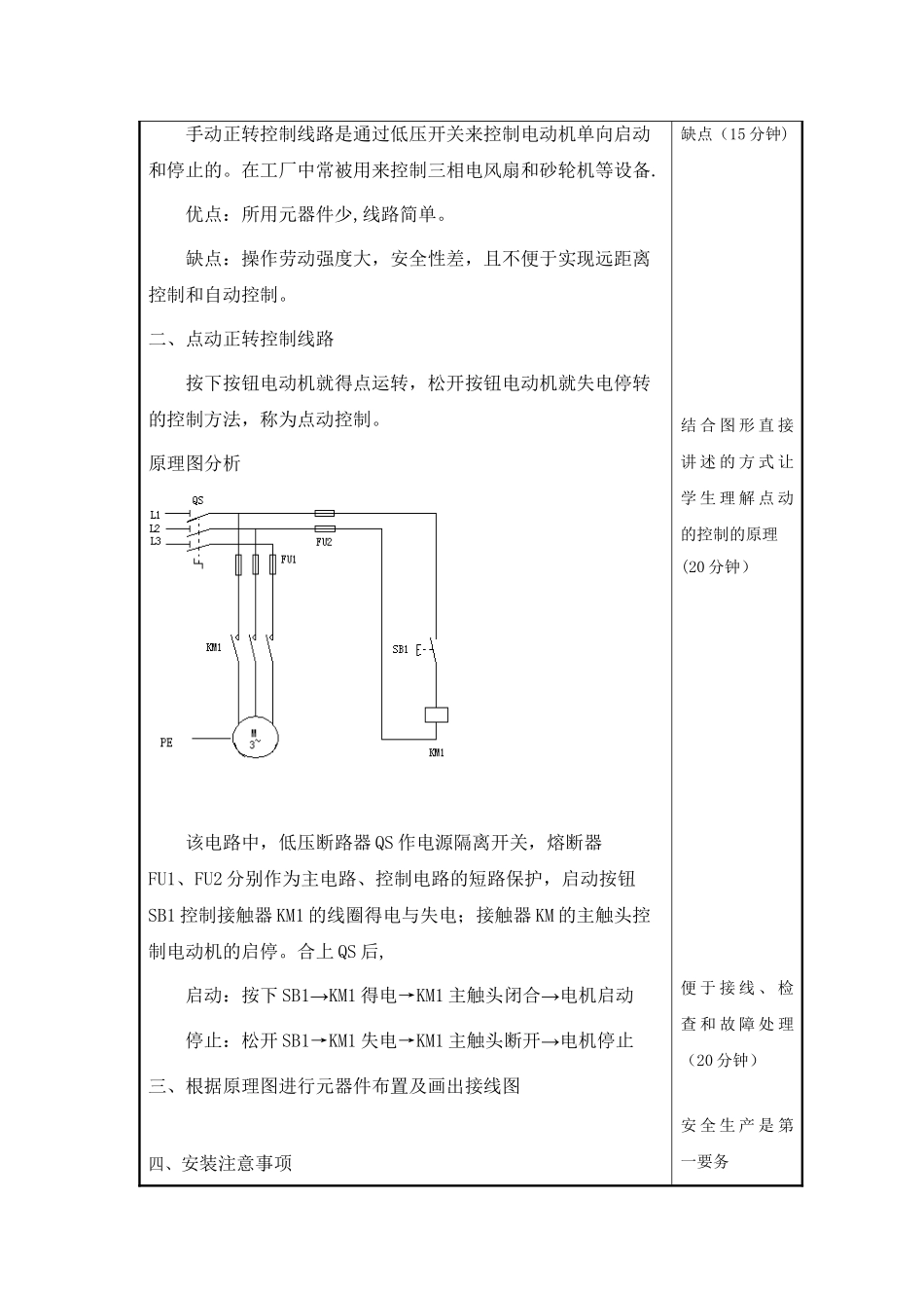
一体化教案用纸首页课 程电力拖动控制线路授课老师审批签字课 题三相笼型异步电动机点动正转控制线路课时分配理 论2 节 实 操4 节授课日期授课班级教学目标认知目标:让学生熟悉绘制、识读电路图、布置图和接线图的原则,为以后学习做准备.能力目标:学会安装和检修三相异步电动机点动正转控制线路.情感目标:养成在日常生活观察事物的习惯,为今后的专业学习打下坚实基础。课前准备工具:电工工具 1 套、万用表材料:沟通接触器 1 个、按钮 1 个、熔断器 5 个、组合开关 1 个、端子排 1 个。设备:电力拖动控制板、操作台。重点难点重点:按要求正确安装及检修三相异步电动机点动正转控制线路。难点:如何引导学生解读原理图。教学方法1. 直观演示法:利用多媒体教学手段进行直观演示,激发学生的学习兴趣,活跃课堂气氛,促进学生对知识的掌握。2. 活动探究法:引导学生通过创设情景等活动形式猎取知识,以学生为主体,使学生的独立探究性得到了充分的发挥,培育学生的自觉能力、思维能力、活动组织能力。3. 集体讨论法:针对学生提出的问题,组织学生进行集体和分组讨论,促使学生在学习中解决问题,培育学生的团结协作的能力.课后反思一体化教案用纸附页教学内容、方法和过程本次课的时间安排:安全教育5 分钟复习提问10 分钟新课导入5 分钟手动正转控制线路15 分钟点动正转控制线路20 分钟布置元器件并画出接线图20 分钟实际训练160 分钟课堂小结3 分钟作业布置2 分钟【安全教育】1、 一律身穿成套工作服进入实训中心。2、 在进行实习操作时禁止进入与该模块无关的场所。3、 实习时要集中精神,不准说嘻笑、打闹4、 严禁任何学生私自启动或分断电源。5、 实习场所、工作台、教室、通道应始终保持干净,做到文明实习。【复习提问】1、常用低压电器的符号、用途?2、熔断器和热继电器在电路中所起的作用?【新课导入】 在生产实践中,由于各种生产机械的工作性质和加工工艺的不同,使得他们对电动机的控制要求不同,需要的电器类型和数量不同,构成的控制线路也就不同,有的比较简单,有的则相当复杂。但任何复杂的控制线路也是由一些基本控制线路有机地组合起来的。今日我们所要学的是最简单的控制线路—---三相异步电动机点动正转控制线路【新课讲授】一、手动正转控制线路授课时间安排安 全 教 育 (5 分钟)采 纳 师 生 问 答的 方 式 进 行 复习提问(5 分钟)新课导入(5 分钟)结 合 多 媒 ...

1、当您付费下载文档后,您只拥有了使用权限,并不意味着购买了版权,文档只能用于自身使用,不得用于其他商业用途(如 [转卖]进行直接盈利或[编辑后售卖]进行间接盈利)。
2、本站所有内容均由合作方或网友上传,本站不对文档的完整性、权威性及其观点立场正确性做任何保证或承诺!文档内容仅供研究参考,付费前请自行鉴别。
3、如文档内容存在违规,或者侵犯商业秘密、侵犯著作权等,请点击“违规举报”。

碎片内容

三相笼型异步电动机点动控制线路--教案

您可能关注的文档

确认删除?
VIP
微信客服
  • 扫码咨询
会员Q群
  • 会员专属群点击这里加入QQ群
客服邮箱
回到顶部