电脑桌面
添加小米粒文库到电脑桌面
安装后可以在桌面快捷访问

三级安全教育范本格式

三级安全教育范本格式_第1页
1/2
三级安全教育范本格式_第2页
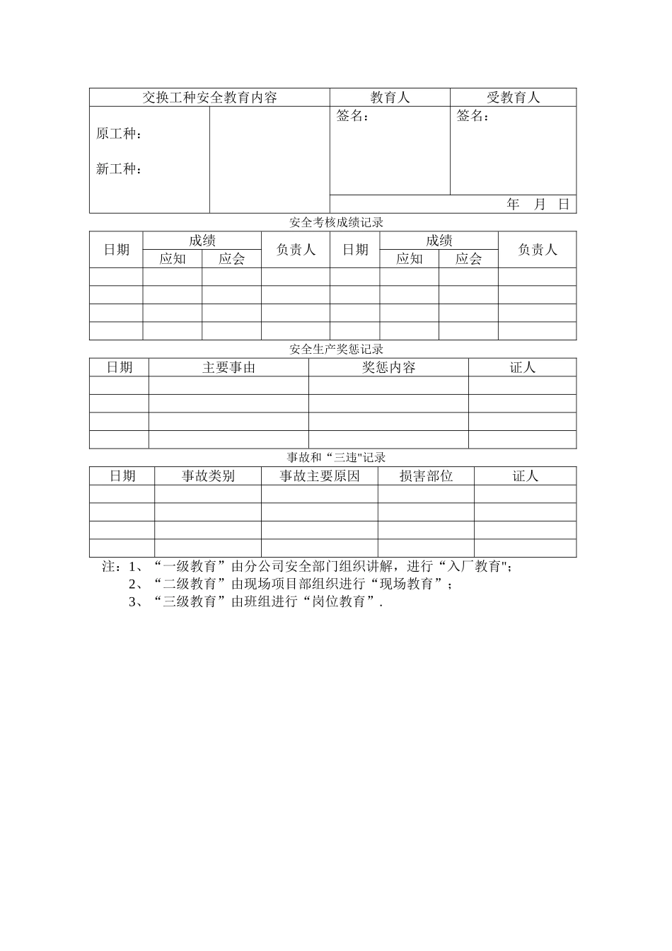
2/2
“三级”安全教育记录卡姓 名: 编 号: 出生年月: 身份证号码: 家庭住址: 单位名称: 班组及工种: 进场日期: 三级安全教育内容教育人受教育人一级教育进行安全基本知识、法规、法制教育,主要内容是:1.党和国家的安全生产方针、政策;2.安全生产法规、标准和法制观念;3.本单位施工过程及安全生产规章制度、安全纪律;4.单位安全生产形势及历史上发生的重大事故及应吸取的教训;5。发生事故后如何抢险伤员、排险、保护现场和及时进行报告。签名:签名:年 月 日二级教育 进行现场规章制度和遵章守纪教育,主要内容是:1.本单位施工特点及施工安全基本知识;2。本单位(包括施工、生产现场)安全生产制度、规定及安全注意事项;3。本工种的安全技术操作规程;4.高处作业、机械设备、电气安全基础知识;5。防火、防毒、防尘、防爆知识及紧急情况安全处置和安全疏散知识;6。防护用品发放标准及防护用品、用具使用的基本知识.签名:签名:年 月 日三级教育进行本工种岗位安全操作及班组安全制度、纪律教育,主要内容是:1。本班组作业特点及安全操作规程;2。班组安全活动制度及纪律;3.爱护和正确使用安全防护装置(设施)及个人劳动保护用品;4。本岗位易发生事故的不安全因素及其防范对策;5。本岗位的作业环境及使用的机械设备、工具的安全要求.签名:签名:年 月 日交换工种安全教育内容教育人受教育人原工种:新工种:签名:签名:年 月 日安全考核成绩记录日期成绩负责人日期成绩负责人应知应会应知应会安全生产奖惩记录日期主要事由奖惩内容证人事故和“三违"记录日期事故类别事故主要原因损害部位证人注:1、“一级教育”由分公司安全部门组织讲解,进行“入厂教育";2、“二级教育”由现场项目部组织进行“现场教育”;3、“三级教育”由班组进行“岗位教育”.

1、当您付费下载文档后,您只拥有了使用权限,并不意味着购买了版权,文档只能用于自身使用,不得用于其他商业用途(如 [转卖]进行直接盈利或[编辑后售卖]进行间接盈利)。
2、本站所有内容均由合作方或网友上传,本站不对文档的完整性、权威性及其观点立场正确性做任何保证或承诺!文档内容仅供研究参考,付费前请自行鉴别。
3、如文档内容存在违规,或者侵犯商业秘密、侵犯著作权等,请点击“违规举报”。

碎片内容

三级安全教育范本格式

确认删除?
VIP
微信客服
  • 扫码咨询
会员Q群
  • 会员专属群点击这里加入QQ群
客服邮箱
回到顶部