电脑桌面
添加小米粒文库到电脑桌面
安装后可以在桌面快捷访问

三菱FR-A700变频器闭环矢量控制方式的学习

三菱FR-A700变频器闭环矢量控制方式的学习_第1页
1/9
三菱FR-A700变频器闭环矢量控制方式的学习_第2页
2/9
三菱FR-A700变频器闭环矢量控制方式的学习_第3页
3/9
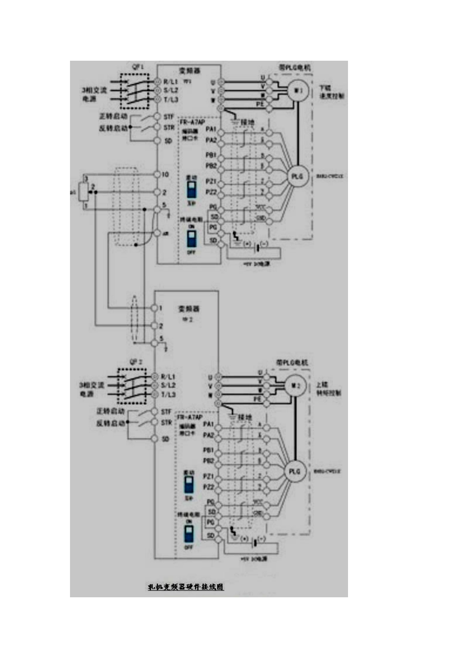
三菱 FR-A700 变频器在某工厂铝连铸连轧机上的应用引言三菱 FR—A700 变频器闭环矢量控制方式,主要用于高精度的速度控制、转矩控制、简单伺服控制等对控制性能要求严格的场合。在该方式下采纳的速度传感器一般是旋转编码器并安装在被控电动机的轴端。通过对铝连铸连轧机上下辊电机的速度和转矩控制来实现铝板的高精度轧制,并能实现系统的稳定性和可靠性。 1、 项目背景某工厂铝连铸连轧机的主要工作是将经原炉熔炼、静止炉精炼后的高温铝液在快速冷却的同时轧制成铝板,最终通过卷取机卷成铝卷.该设备主要有主轧机、铝液位控制装置、钛丝进给、铸嘴小车、石墨喷涂及行走、平动液压剪、卷取机、卸卷车等,如图 1 所示.该轧机的系统技术性能参数:最高轧制速度 2。0m/min、最大卷重 5000kg、卷径φ610~1920mm、板宽 1400mm、板厚 6~8mm,轧机上下辊电机 90kW。针对铸轧机成套电控系统的工艺特点(长期稳定连续生产、一旦事故停车将造成严重损失),选择高性能、高可靠性的控制元器件是满足控制要求的关键。现要求:轧机下辊采纳速度控制,上辊采纳转矩控制,且都采纳带编码器的变频电机。轧机传动控制系统的硬件设计2。1 控制原理速度和转矩控制是轧机上下辊传动电机的核心控制原理,其示意如图 2 所示.M1 为主传动,采纳双闭环速度/转矩矢量控制方式,速度环为 V 速度给定和 PG 编码器返回的实际速度的控制回路,其输出值再乘以一定的比值就是 M2 的转矩控制输入值。转矩环为内部闭环。M2 为从传动,速度闭环的输出值并不直接控制转矩,而只是限定 M2 转矩的幅度,以最终保证轧机上下两辊电机在线速度上的紧密性和同步性,M2 转矩的输入值是来自主传动 M1的转矩值,以决定 M2 的转矩输出值。2。2 硬件选型与设计本次轧机电机选用国产 YVP 系列变频电机,其选用强制风冷和 OMRON 差动式编码器E6B2—CWZ1X,由于三菱变频器所选配电机基本都是国产电动机,并非选用三菱电机,因此,需要了解清楚编码器。编码器 E6B2—CWZ1X 接线原理如图 3 所示. 欧姆龙编码器 E6B2-CWZ1X 接线端子功能定义如上图所示,它采纳 5VDC 电源,输出 3 对A、B、Z 相差动信号。右图为编码器 E6B2—CWZ1X 接线端子功能定义2。3 轧机变频器硬件接线图轧机变频器硬件接线图如下图所示。VF1 下辊变频器的速度设定采纳电位器,并连接了 PLG差动输入信号作为闭环矢量控制的反馈信号,跳线设置如图中标识所示,同时输出转矩信号给 VF...

1、当您付费下载文档后,您只拥有了使用权限,并不意味着购买了版权,文档只能用于自身使用,不得用于其他商业用途(如 [转卖]进行直接盈利或[编辑后售卖]进行间接盈利)。
2、本站所有内容均由合作方或网友上传,本站不对文档的完整性、权威性及其观点立场正确性做任何保证或承诺!文档内容仅供研究参考,付费前请自行鉴别。
3、如文档内容存在违规,或者侵犯商业秘密、侵犯著作权等,请点击“违规举报”。

碎片内容

三菱FR-A700变频器闭环矢量控制方式的学习

元素商铺+ 关注
实名认证
内容提供者

欢迎挑选合适的文档

确认删除?
VIP
微信客服
  • 扫码咨询
会员Q群
  • 会员专属群点击这里加入QQ群
客服邮箱
回到顶部