电脑桌面
添加小米粒文库到电脑桌面
安装后可以在桌面快捷访问

二次结构配管方案

二次结构配管方案_第1页
1/5
二次结构配管方案_第2页
2/5
二次结构配管方案_第3页
3/5
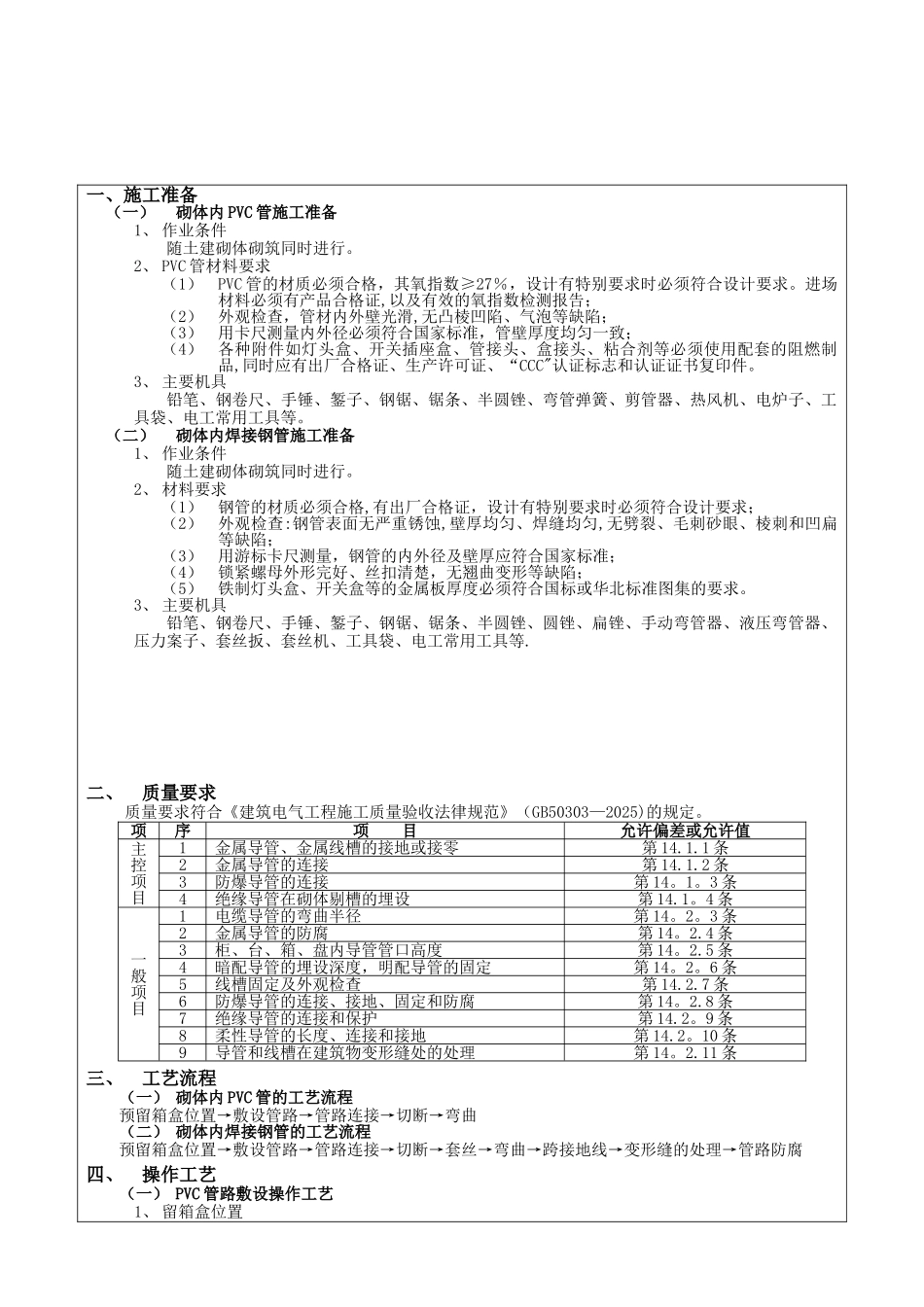
二次结构配管施工方案一、施工准备(一)砌体内 PVC 管施工准备1、 作业条件随土建砌体砌筑同时进行。2、 PVC 管材料要求(1)PVC 管的材质必须合格,其氧指数≥27%,设计有特别要求时必须符合设计要求。进场材料必须有产品合格证,以及有效的氧指数检测报告;(2)外观检查,管材内外壁光滑,无凸棱凹陷、气泡等缺陷;(3)用卡尺测量内外径必须符合国家标准,管壁厚度均匀一致;(4)各种附件如灯头盒、开关插座盒、管接头、盒接头、粘合剂等必须使用配套的阻燃制品,同时应有出厂合格证、生产许可证、“CCC"认证标志和认证证书复印件。3、 主要机具铅笔、钢卷尺、手锤、錾子、钢锯、锯条、半圆锉、弯管弹簧、剪管器、热风机、电炉子、工具袋、电工常用工具等。(二)砌体内焊接钢管施工准备1、 作业条件随土建砌体砌筑同时进行。2、 材料要求(1)钢管的材质必须合格,有出厂合格证,设计有特别要求时必须符合设计要求;(2)外观检查:钢管表面无严重锈蚀,壁厚均匀、焊缝均匀,无劈裂、毛刺砂眼、棱刺和凹扁等缺陷;(3)用游标卡尺测量,钢管的内外径及壁厚应符合国家标准;(4)锁紧螺母外形完好、丝扣清楚,无翘曲变形等缺陷;(5)铁制灯头盒、开关盒等的金属板厚度必须符合国标或华北标准图集的要求。3、 主要机具铅笔、钢卷尺、手锤、錾子、钢锯、锯条、半圆锉、圆锉、扁锉、手动弯管器、液压弯管器、压力案子、套丝扳、套丝机、工具袋、电工常用工具等.二、质量要求质量要求符合《建筑电气工程施工质量验收法律规范》(GB50303—2025)的规定。项序项 目允许偏差或允许值主控项目1金属导管、金属线槽的接地或接零第 14.1.1 条2金属导管的连接第 14.1.2 条3防爆导管的连接第 14。1。3 条4绝缘导管在砌体剔槽的埋设第 14.1。4 条一般项目1电缆导管的弯曲半径第 14。2。3 条2金属导管的防腐第 14。2.4 条3柜、台、箱、盘内导管管口高度第 14。2.5 条4暗配导管的埋设深度,明配导管的固定第 14。2。6 条5线槽固定及外观检查第 14.2.7 条6防爆导管的连接、接地、固定和防腐第 14。2.8 条7绝缘导管的连接和保护第 14.2。9 条8柔性导管的长度、连接和接地第 14.2。10 条9导管和线槽在建筑物变形缝处的处理第 14。2.11 条三、工艺流程(一) 砌体内 PVC 管的工艺流程预留箱盒位置→敷设管路→管路连接→切断→弯曲(二) 砌体内焊接钢管的工艺流程预留箱盒位置→敷设管路→管路连接→切断→套丝→弯曲→跨接...

1、当您付费下载文档后,您只拥有了使用权限,并不意味着购买了版权,文档只能用于自身使用,不得用于其他商业用途(如 [转卖]进行直接盈利或[编辑后售卖]进行间接盈利)。
2、本站所有内容均由合作方或网友上传,本站不对文档的完整性、权威性及其观点立场正确性做任何保证或承诺!文档内容仅供研究参考,付费前请自行鉴别。
3、如文档内容存在违规,或者侵犯商业秘密、侵犯著作权等,请点击“违规举报”。

碎片内容

二次结构配管方案

确认删除?
VIP
微信客服
  • 扫码咨询
会员Q群
  • 会员专属群点击这里加入QQ群
客服邮箱
回到顶部