电脑桌面
添加小米粒文库到电脑桌面
安装后可以在桌面快捷访问

井架基础计算书及施工方案

井架基础计算书及施工方案_第1页
1/5
井架基础计算书及施工方案_第2页
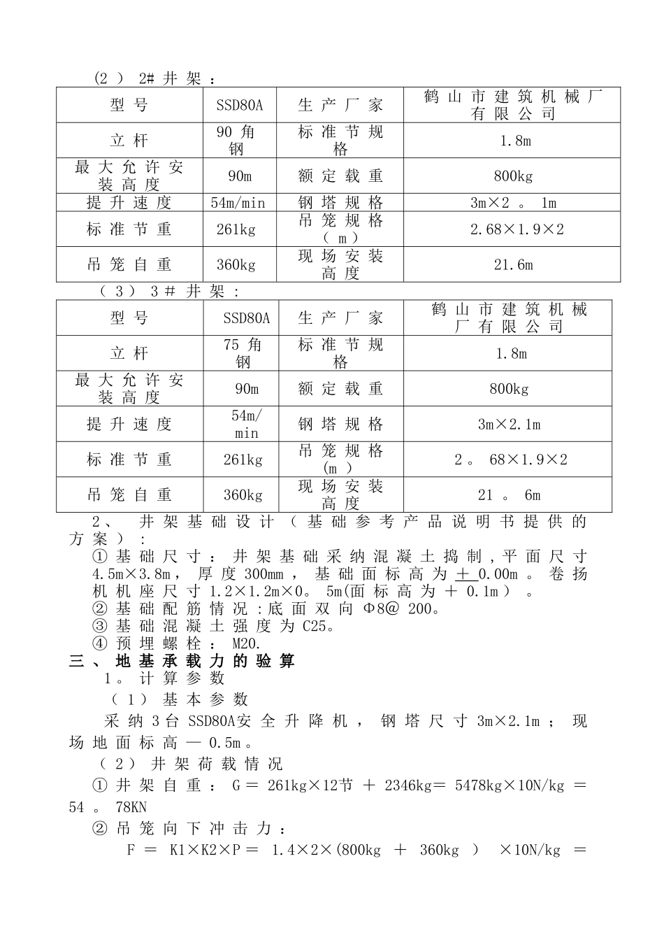
2/5
井架基础计算书及施工方案_第3页
3/5
目 录一 、 编 制 依 据 ............................................................................ 2二 、 工 程 概 况 ............................................................................ 2 二 、 井 架 设 计 概 况 .................................................................. 2 三 、 地 基 承 载 力 的 验 算 ....................................................... 3 四 、 井 架 基 础 施 工 .................................................................. 4 五 、 主 要 安 全 措 施 .................................................................. 5 六 、 附 图 ....................................................................................... 5 井 架 基 础 计 算 书 及 施 工 方 案一 、 编 制 依 据1 、 鹤 山 市 建 筑 机 械 厂 有 限 公 司 提 供 的 井 架 使 用 说明 书 ;2 、 建 筑 地 基 基 础 设 计 法 律 规 范 (GB50007-2025 ) ;3 、 锦 绣 豪 庭 小 区 I3 、 I4 、 I5 # 楼 工 程 建 筑 图 、 结构 图 ;4 、 锦 绣 豪 庭 小 区 I3 、 I4 、 I5 # 楼 工 程 施 工 组 织 设计 ;5 、 混 凝 土 结 构 设 计 法 律 规 范 ( GB50010—2025 ) 。二 、 工 程 概 况1 、工 程 简 介 :工 程 名 称 : 锦 绣 豪 庭 小 区 I3 、 I4 、 I5# 楼工 程 地 点 : 江 门 市 蓬 江 区 高 尔 夫 球 场 西 北 侧建 设 单 位 : 江 门 金 华 房 地 产 开 发 有 限 公 司设 计 单 位 : 江 门 市 建 筑 设 计 工 程 公 司监 理 单 位 : 江 门 市 建 设 监 理 顾 问 公 司监 督 部 门 : 江 门 市 蓬 江 区 建 设 工 程 质 量 、 安 全 监督 站施 工 单 位 : 茂 名 市 建 筑 集 团 有 限 公 司2 、建 筑 、 结 构 设 计 概 况 :锦 绣 豪 庭 小 区 I3 、 I4 、 I5 # 楼 位 于 江 门 市 蓬 江 区高 尔 夫 球 场 西 北 侧 地 段 , 地 上 层 高 十 七 层 , 地 下 二层 , 采 纳 框 剪 结...

1、当您付费下载文档后,您只拥有了使用权限,并不意味着购买了版权,文档只能用于自身使用,不得用于其他商业用途(如 [转卖]进行直接盈利或[编辑后售卖]进行间接盈利)。
2、本站所有内容均由合作方或网友上传,本站不对文档的完整性、权威性及其观点立场正确性做任何保证或承诺!文档内容仅供研究参考,付费前请自行鉴别。
3、如文档内容存在违规,或者侵犯商业秘密、侵犯著作权等,请点击“违规举报”。

碎片内容

井架基础计算书及施工方案

确认删除?
VIP
微信客服
  • 扫码咨询
会员Q群
  • 会员专属群点击这里加入QQ群
客服邮箱
回到顶部