电脑桌面
添加小米粒文库到电脑桌面
安装后可以在桌面快捷访问

交通事故调查结案管理规定

交通事故调查结案管理规定_第1页
1/4
交通事故调查结案管理规定_第2页
2/4
交通事故调查结案管理规定_第3页
3/4
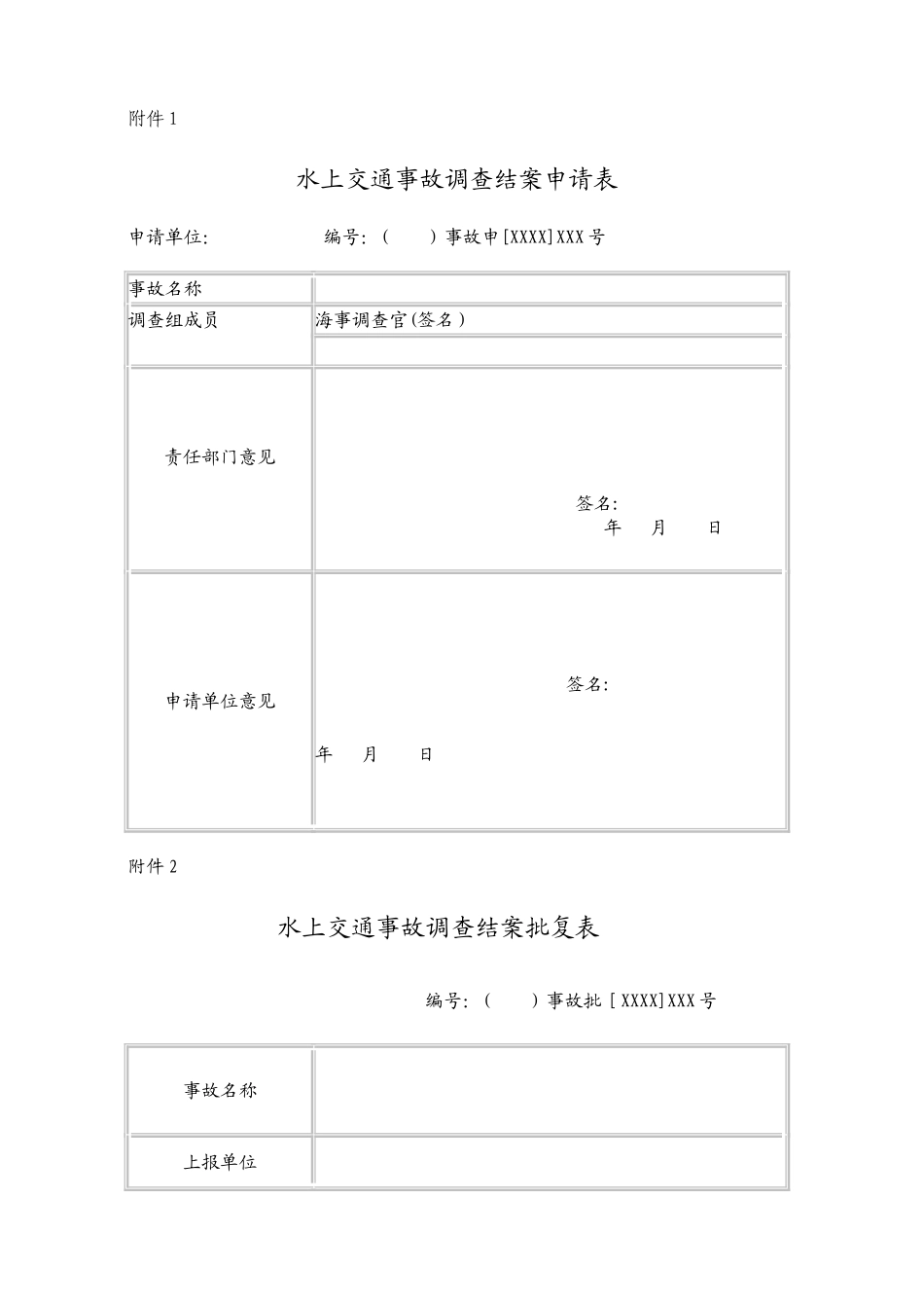
交通事故调查结案管理规定(海船舶[2025]324 号,2025 年月 24 日中国海事局文件) 第一章 总则 第一条 为提高水上交通事故调查工作效率和质量,法律规范事故调查处理工作,制定本规定. 第二条 本规定适用于各级海事机构的事故调查结案管理工作,污染事故的调查结案除外。 第三条 调查结案是指负责事故调查的海事机构完成事故调查,经申请上级批复后(如须申请),以正式文件形成事故调查报告。 第二章 结案管辖 第四条 水上交通事故调查结案根据事故调查分级管辖的要求,实行“谁调查、谁结案”原则。 第五条 分支海事局(处)和基层海事处调查处理的一般等级以上事故,应报上一级海事机构申请结案,小事故自行结案.中华人民共和国海事局、部直属海事局和省级地方海事机构负责调查的事故自行结案。 第六条 上级海事机构指定调查的水上交通事故,由被指定的海事机构按第五条规定结案.同级海事机构委托调查的水上交通事故,由委托海事机构按第五条规定结案。 第七条 各级海事机构根据本规定,按其职责范围制定相应的水上交通事故调查结案管理实施办法,并报上级海事机构备案。 第三章 结案程序 第八条 自海事机构获悉事故发生之日起,应在 3 个月内申请事故调查结案。因涉及沉船打捞、事故定损等影响事故原因调查或事故等级确定的,经上级海事机构同意后,可延长 3 个月。 在上述规定期限内仍然难以查明事故原因或确定事故等级的,按可能的原因分析及估量的事故损失上报申请结案.事故原因查明和事故损失确定后要重新申请结案。 第九条 负责事故调查的海事机构申请结案时需填写《水上交通事故调查结案申请表》(见附件 1),并附《水上交通事故调查报告》及必要的其他附件。若调查组成员对调查报告有不同意见,或有其他需要说明的问题,应一并上报。 第十条 上级海事机构应对《水上交通事故调查报告》中描述的事故经过、事故原因、责任判定等进行审查,填写《水上交通事故调查结案批复表》(见附件 2)。如认为事实清楚,原因分析和责任判定准确的,批复同意结案;不同意结案的,要说明原因,要求修改后再次申请结案。 第十一条 事故调查结案审批部门应在收到结案申请之日起,1 个月内予以批复。 结案批复后,若发现重要证据需要重新调查的,原调查机构应向上级海事机构说明情况,并在重新调查结束后重新申请调查结案。 第十二条 事故调查结案单位应保存好事故调查相关案卷材料. 第十三条 负责事故调查结案...

1、当您付费下载文档后,您只拥有了使用权限,并不意味着购买了版权,文档只能用于自身使用,不得用于其他商业用途(如 [转卖]进行直接盈利或[编辑后售卖]进行间接盈利)。
2、本站所有内容均由合作方或网友上传,本站不对文档的完整性、权威性及其观点立场正确性做任何保证或承诺!文档内容仅供研究参考,付费前请自行鉴别。
3、如文档内容存在违规,或者侵犯商业秘密、侵犯著作权等,请点击“违规举报”。

碎片内容

交通事故调查结案管理规定

确认删除?
VIP
微信客服
  • 扫码咨询
会员Q群
  • 会员专属群点击这里加入QQ群
客服邮箱
回到顶部