电脑桌面
添加小米粒文库到电脑桌面
安装后可以在桌面快捷访问

产品和过程确认管理规定

产品和过程确认管理规定_第1页
1/14
产品和过程确认管理规定_第2页
2/14
产品和过程确认管理规定_第3页
3/14
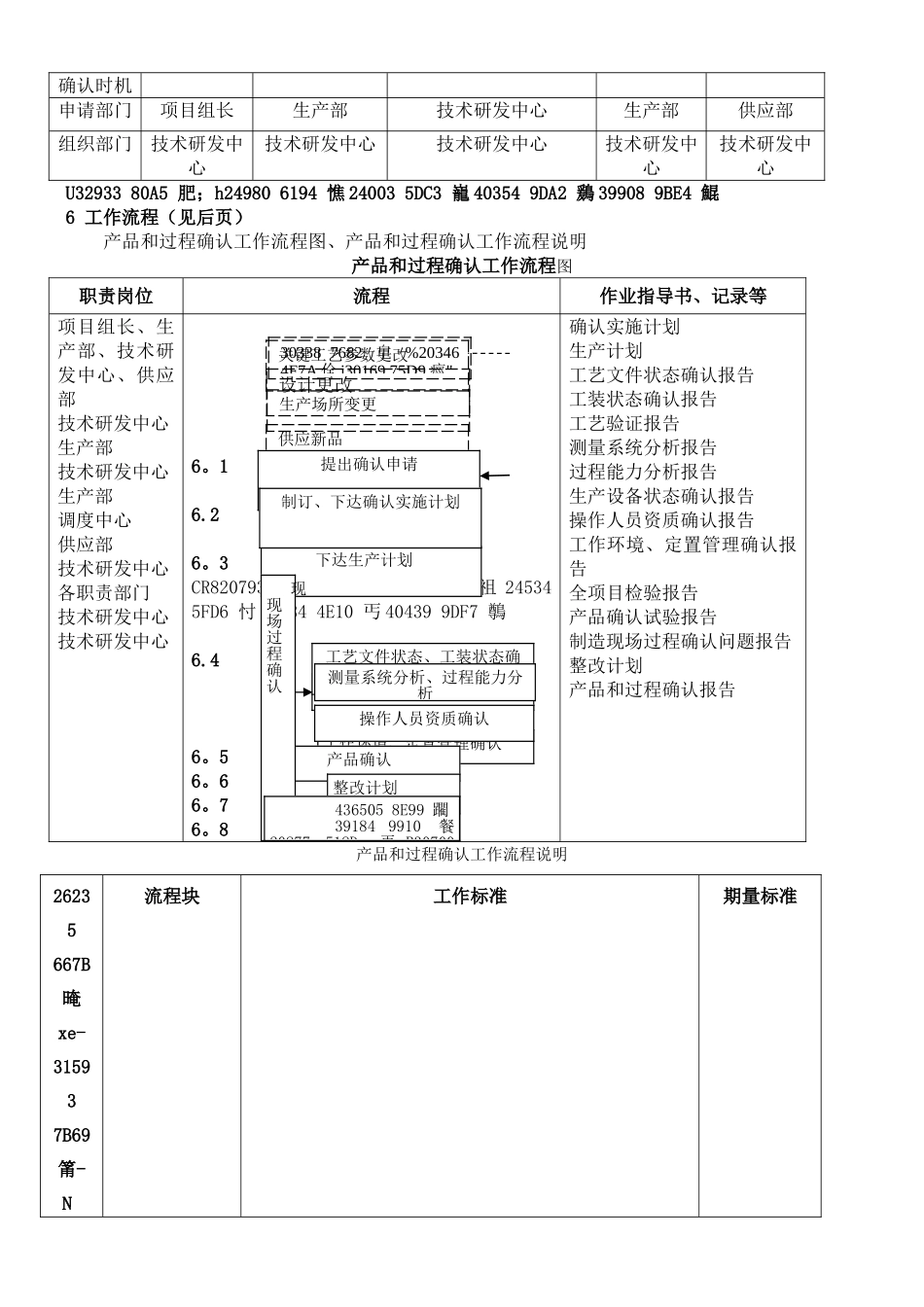
文件编号:QG/YP 3 50 002—2025产品和过程确认管理规定(D 版)发布日期:2015 年 01 月 28 日 实施日期:2015 年 01 月 28 日 1 目的对新产品和新过程以及批产产品和批产生产线(过程)进行确认,证实产品和过程能够满足规定的使用要求或已知的预期用途的要求且稳定受控。2 适用范围2。1 适用于公司及外协的产品和过程确认。2.2 如下发生更改时,需进行重新确认:2.2.1 新品(油品);2。2。2 关键工艺参数更改(调合/灌装设备、调合温度、调合时间、溶胶温度、溶胶时间、调合加料顺序、过滤设置)2。2。3 油品设计更改(DFMEA 更改、关键原材料更改-复合添加剂、增粘剂、基础油等级降低);2.2.4 生产产地变更;2.2.5 供应新品(包材、外购新品)。3 职责3.1 技术研发中心负责组织产品和过程确认,并下达确认实施计划;*s~U23472 5BB0 宰_33826 8422 萢负责向顾客提交 PPAP 申请批准资料。3.2 生产部根据确认计划组织试生产;负责生产设备状态、工艺、人员资格等确认。3.3 调度中心负责包材产品确认。3。4 各部门负责按项目提出申请和开展工作。 4 引用文件4。1 《产品质量先期策划控制程序》5 术语和定义5。1 确认项目、申请部门、周期时间项目新品(油品)关键工艺参数更改设计更改(油品)生产场所变更供应新品29807 746F 瑯F 38122 94EA 铪u20962 51E2 凢24087 5E17 帗4批产前批产时批产时批产前批产前受控状态受控分发编号确认时机申请部门项目组长生产部技术研发中心生产部供应部组织部门技术研发中心技术研发中心技术研发中心技术研发中心技术研发中心U32933 80A5 肥;h24980 6194 憔 24003 5DC3 巃 40354 9DA2 鶢 39908 9BE4 鯤6 工作流程(见后页)产品和过程确认工作流程图、产品和过程确认工作流程说明产品和过程确认工作流程图职责岗位流程作业指导书、记录等项目组长、生产部、技术研发中心、供应部技术研发中心生产部技术研发中心生产部调度中心供应部技术研发中心各职责部门技术研发中心技术研发中心6。16.26。3CR820793 5139 儹 31062 7956 祖 24534 5FD6 忖 19984 4E10 丐 40439 9DF7 鷷6.46。56。66。76。8确认实施计划生产计划工艺文件状态确认报告工装状态确认报告工艺验证报告测量系统分析报告过程能力分析报告生产设备状态确认报告操作人员资质确认报告工作环境、定置管理确认报告全项目检验报告产品确认试验报告制造现场过程确认问题报...

1、当您付费下载文档后,您只拥有了使用权限,并不意味着购买了版权,文档只能用于自身使用,不得用于其他商业用途(如 [转卖]进行直接盈利或[编辑后售卖]进行间接盈利)。
2、本站所有内容均由合作方或网友上传,本站不对文档的完整性、权威性及其观点立场正确性做任何保证或承诺!文档内容仅供研究参考,付费前请自行鉴别。
3、如文档内容存在违规,或者侵犯商业秘密、侵犯著作权等,请点击“违规举报”。

碎片内容

产品和过程确认管理规定

确认删除?
VIP
微信客服
  • 扫码咨询
会员Q群
  • 会员专属群点击这里加入QQ群
客服邮箱
回到顶部