电脑桌面
添加小米粒文库到电脑桌面
安装后可以在桌面快捷访问

产品工程师岗位说明书

产品工程师岗位说明书_第1页
1/3
产品工程师岗位说明书_第2页
2/3
产品工程师岗位说明书_第3页
3/3
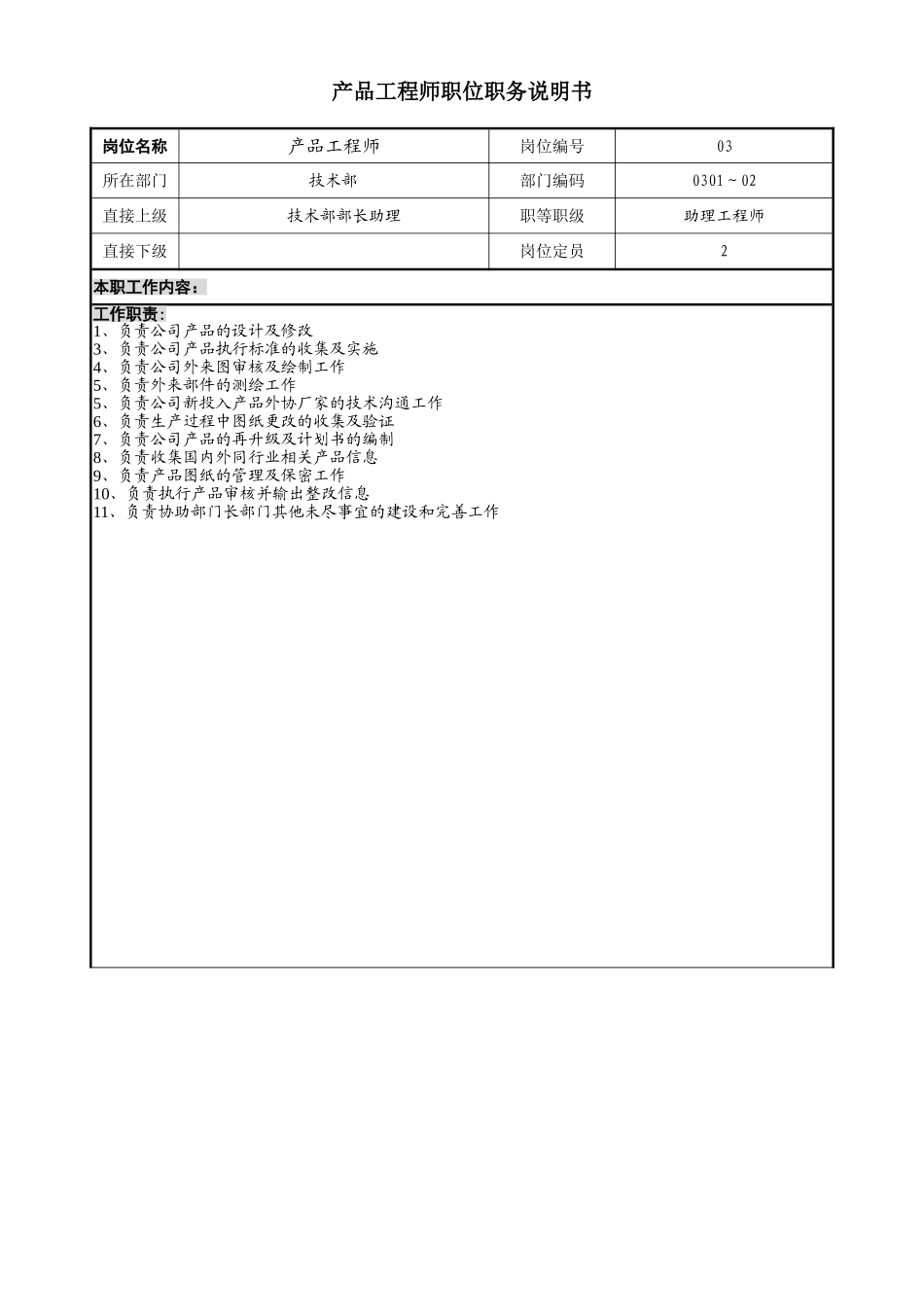
产品工程师职位职务说明书岗位名称产品工程师岗位编号03所在部门技术部部门编码0301~02直接上级技术部部长助理职等职级助理工程师直接下级岗位定员2本职工作内容:工作职责:1、负责公司产品的设计及修改3、负责公司产品执行标准的收集及实施4、负责公司外来图审核及绘制工作5、负责外来部件的测绘工作5、负责公司新投入产品外协厂家的技术沟通工作6、负责生产过程中图纸更改的收集及验证7、负责公司产品的再升级及计划书的编制8、负责收集国内外同行业相关产品信息9、负责产品图纸的管理及保密工作10、负责执行产品审核并输出整改信息11、负责协助部门长部门其他未尽事宜的建设和完善工作监督及岗位关系:(一)、所受监督和所施监督1、接受技术部长、部长助理日常监督2、设计图纸的下发更改实施3、产品执行标准的实施(二)、与其他岗位关系1、收集质保部门质量信息反馈至部长助理并提出自己建议2、收集生产部门的生产问题点信息并组织开展相关成本、效率活动3、收集销售部门的信息并体现到产品中,满足顾客需求4、收集员工合理化建议并体现在产品中,加以改善5、积极主机厂技术部门对接,输出工作计划内容6、接受公司领导其他未尽事宜的临时性安排(三)、本岗位晋升图技术职称:助理工程师→初级工程师→中级工程师→高级工程师→讨论员管理职称:产品工程师→技术部部长助理→技术部部长→总经理助理→技术副总考核要求:考核要求及指标1、 产品外部反馈质量2、 产品图纸正确性3、 产品改进项(质量、成本、加工效率)4、 产品设计制造成本降低5、 新产品一次交付合格率6、 技术资料管理权利:1、 图纸随意更改及污损的给予考核2、 图纸更改未实施的给予考核3、 变更后需主管工程签字的未签实施的考核工作时间:周一至周五 8:00-17:00偶有临时性加班任职资格:教育水平:本科以上学历专业:机械设计制造专业及机械同类专业经验:从事机械行业工作满 3 年以上,有 2 年产品设计开发经验知识:机械设计原理、机械制造工艺、产品知识、ISO90001 质量管理体系技能技巧:善于沟通、能够接纳建议、信息收集渠道广、具创新意识个人素养:具有足够的加工工艺知识性格特点:仔细、细致、自学能力突出、创新意识强心理品质及能力要求:1、 自我感知的能力2、 树立良好关系的能力3、 沟通能力4、 前瞻能力5、 发现问题并能诊断问题的能力6、 学习能力7、 创新能力8、 自我挑战能力需接受的培训:1、 新产品开发流程(APQP 流程)2、...

1、当您付费下载文档后,您只拥有了使用权限,并不意味着购买了版权,文档只能用于自身使用,不得用于其他商业用途(如 [转卖]进行直接盈利或[编辑后售卖]进行间接盈利)。
2、本站所有内容均由合作方或网友上传,本站不对文档的完整性、权威性及其观点立场正确性做任何保证或承诺!文档内容仅供研究参考,付费前请自行鉴别。
3、如文档内容存在违规,或者侵犯商业秘密、侵犯著作权等,请点击“违规举报”。

碎片内容

产品工程师岗位说明书

确认删除?
VIP
微信客服
  • 扫码咨询
会员Q群
  • 会员专属群点击这里加入QQ群
客服邮箱
回到顶部