电脑桌面
添加小米粒文库到电脑桌面
安装后可以在桌面快捷访问

产品标识和可追溯性管理规定

产品标识和可追溯性管理规定_第1页
1/5
产品标识和可追溯性管理规定_第2页
2/5
产品标识和可追溯性管理规定_第3页
3/5
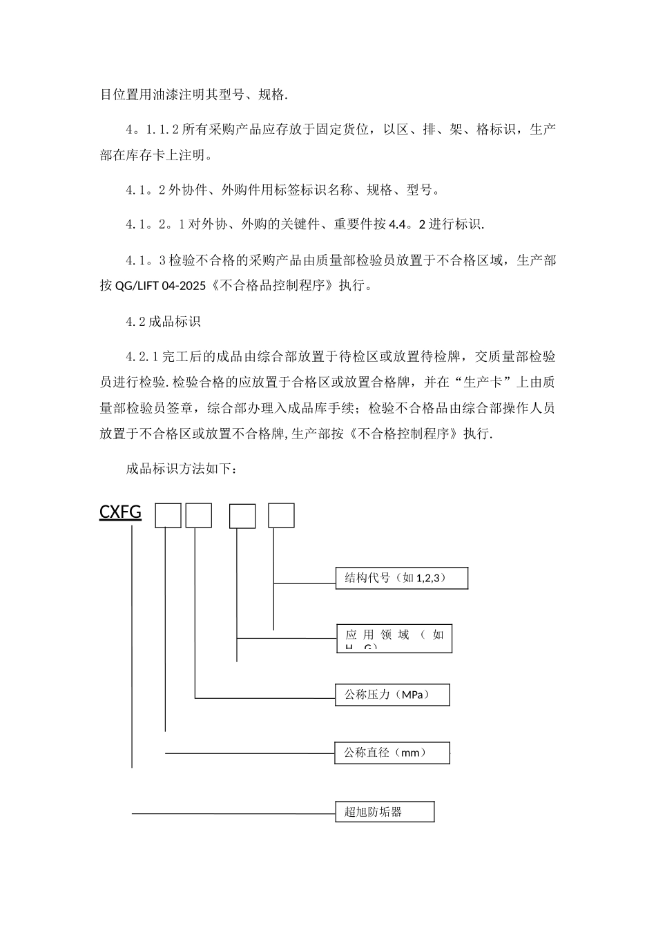
产品标识和可追溯性管理规定1。目的 公司对产品的标识进行管理,以防止不同产品之间混淆,误用.确保在需要时对产品质量的形成过程可追溯。 2。适用范围 本管理规定适用于本公司采购产品及生产过程中的半成品、成品。3。职责 3.1 生产部负责采购产品的标识,负责生产过程中做好产品标识和可追溯性的控制,负责产品批次管理工作,对产品实现过程实施批次管理。3.2 技术部负责产品标识和可追溯性的管理工作,明确产品标识和可追溯性要求;3。3 质量部负责产品标识和可追溯性的监督检查,按规定进行产品质量状态标识;3。4 生产部负责采购产品的标识及标识移植. 3。5 生产部负责所属区域内产品标识和维护管理,负责产品的分区摆放。 4.程序 4。1 采购产品的标识 采购产品包括原材料、外协件、外构件等。采购产品进入工厂车间后,生产部负责将其放置于待检区,由生产部人员向质量部提出报检并提供相关质量证明,经质量部人员检验合格后方可办理入库手续. 生产部按不同类型的采购产品分别进行标识库存. 4.1。1 原材料的标识 4.1.1。1 存放于库房的产品用挂牌方式标识规格、型号,型材、钢板在醒目位置用油漆注明其型号、规格. 4。1.1.2 所有采购产品应存放于固定货位,以区、排、架、格标识,生产部在库存卡上注明。4.1。2 外协件、外购件用标签标识名称、规格、型号。 4.1。2。1 对外协、外购的关键件、重要件按 4.4。2 进行标识. 4.1。3 检验不合格的采购产品由质量部检验员放置于不合格区域,生产部按 QG/LIFT 04-2025《不合格品控制程序》执行。4.2 成品标识 4.2.1 完工后的成品由综合部放置于待检区或放置待检牌,交质量部检验员进行检验.检验合格的应放置于合格区或放置合格牌,并在“生产卡”上由质量部检验员签章,综合部办理入成品库手续;检验不合格品由综合部操作人员放置于不合格区或放置不合格牌,生产部按《不合格控制程序》执行. 成品标识方法如下: C XF G — -公称直径(mm)公称压力(MPa)应 用 领 域 ( 如H,G)结构代号(如 1,2,3)超旭防垢器4。2.2 综合部管理员负责对“生产卡”把关、核查,并负责移植相关记录并进行标识,分类、分批存放,建立"成品台帐.4。2.3 出厂成品按工艺文件规定用铭牌标识对应替换掉“成品库存卡", 铭牌标识标明产品的名称、规格型号、出厂日期、出厂编号等。替换掉的“成品库存卡”由综合部妥善保管。 4。3 检验和试验状态标识 4.3.1 检验和试验状态...

1、当您付费下载文档后,您只拥有了使用权限,并不意味着购买了版权,文档只能用于自身使用,不得用于其他商业用途(如 [转卖]进行直接盈利或[编辑后售卖]进行间接盈利)。
2、本站所有内容均由合作方或网友上传,本站不对文档的完整性、权威性及其观点立场正确性做任何保证或承诺!文档内容仅供研究参考,付费前请自行鉴别。
3、如文档内容存在违规,或者侵犯商业秘密、侵犯著作权等,请点击“违规举报”。

碎片内容

产品标识和可追溯性管理规定

您可能关注的文档

确认删除?
VIP
微信客服
  • 扫码咨询
会员Q群
  • 会员专属群点击这里加入QQ群
客服邮箱
回到顶部