电脑桌面
添加小米粒文库到电脑桌面
安装后可以在桌面快捷访问

人工挖孔桩工程检验批质量验收记录表

人工挖孔桩工程检验批质量验收记录表_第1页
1/3
人工挖孔桩工程检验批质量验收记录表_第2页
2/3
人工挖孔桩工程检验批质量验收记录表_第3页
3/3
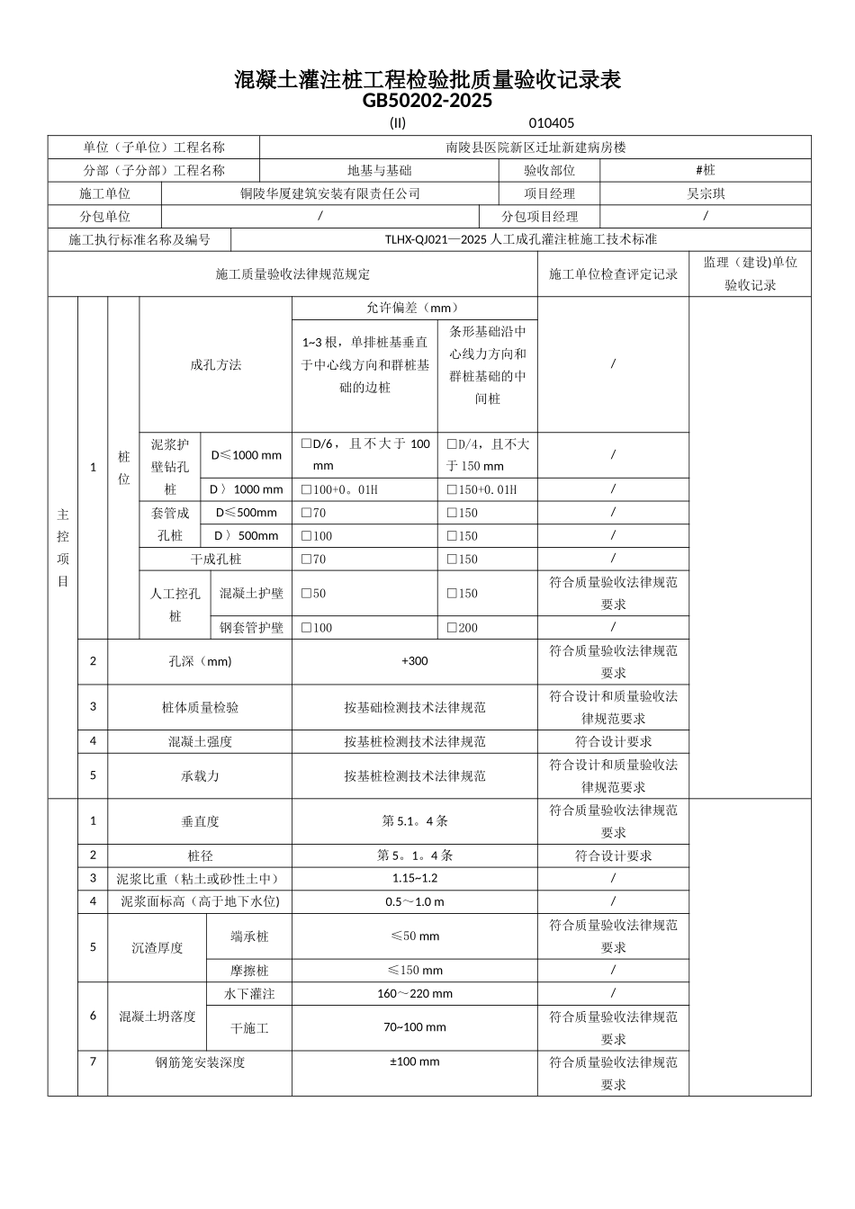
混凝土灌注桩工程检验批质量验收记录表GB50202-2025 (II) 010405单位(子单位)工程名称南陵县医院新区迁址新建病房楼分部(子分部)工程名称地基与基础验收部位#桩施工单位铜陵华厦建筑安装有限责任公司项目经理吴宗琪分包单位/分包项目经理/施工执行标准名称及编号TLHX-QJ021—2025 人工成孔灌注桩施工技术标准施工质量验收法律规范规定施工单位检查评定记录监理(建设)单位验收记录主控项目1桩位成孔方法允许偏差(mm)/1~3 根,单排桩基垂直于中心线方向和群桩基础的边桩条形基础沿中心线力方向和群桩基础的中间桩泥浆护壁钻孔桩D≤1000 mm□D/6,且不大于 100 mm□D/4,且不大于 150 mm/D 〉1000 mm□100+0。01H□150+0.01H/套管成孔桩D≤500mm□70□150/D 〉500mm□100□150/干成孔桩□70□150/人工控孔桩混凝土护壁□50□150符合质量验收法律规范要求钢套管护壁□100□200/2孔深(mm)+300符合质量验收法律规范要求3桩体质量检验按基础检测技术法律规范符合设计和质量验收法律规范要求4混凝土强度按基桩检测技术法律规范符合设计要求5承载力按基桩检测技术法律规范符合设计和质量验收法律规范要求1垂直度第 5.1。4 条符合质量验收法律规范要求2桩径第 5。1。4 条符合设计要求3泥浆比重(粘土或砂性土中)1.15~1.2/4泥浆面标高(高于地下水位)0.5~1.0 m/5沉渣厚度端承桩≤50 mm符合质量验收法律规范要求摩擦桩≤150 mm/6混凝土坍落度水下灌注160~220 mm/干施工70~100 mm符合质量验收法律规范要求7钢筋笼安装深度±100 mm符合质量验收法律规范要求8混凝土充盈系数>1符合质量验收法律规范要求9桩顶标高+30 mm—50 mm符合质量验收法律规范要求施工单位检查评定结果专业工长(施工员)施工班组长主控项目全部合格,一般项目满足法律规范规定要求项目专业质量检查员: 年 月 日监理(建设)单位验收结论专业监理工程师(建设单位项目专业技术负责人): 年 月 日人工挖孔灌注桩检验批质量验收记录(桩孔验收)(GB50202-2025)工程名称子分部工程名称桩基桩号桩身直径桩位轴线施工单位分包单位项目经理分包项目经理专业工长施工执行标准名称及编号TLHX-QJ021—2025 人工成孔灌注桩施工技术标准检查项目施工单位检查评定记录监理(建设)单位验收记录主控项目1桩端进入持力层对比勘察文件逐一全数检查合格检查项目实测值实测偏差图例监理(建设)单位验收记录2桩径及桩身垂直度桩径允许偏差+50mm—20mm820合格桩身垂直...

1、当您付费下载文档后,您只拥有了使用权限,并不意味着购买了版权,文档只能用于自身使用,不得用于其他商业用途(如 [转卖]进行直接盈利或[编辑后售卖]进行间接盈利)。
2、本站所有内容均由合作方或网友上传,本站不对文档的完整性、权威性及其观点立场正确性做任何保证或承诺!文档内容仅供研究参考,付费前请自行鉴别。
3、如文档内容存在违规,或者侵犯商业秘密、侵犯著作权等,请点击“违规举报”。

碎片内容

人工挖孔桩工程检验批质量验收记录表

一二三四传媒+ 关注
实名认证
内容提供者

大量资料供您选择,没有合适的可以联系小二。

确认删除?
VIP
微信客服
  • 扫码咨询
会员Q群
  • 会员专属群点击这里加入QQ群
客服邮箱
回到顶部