电脑桌面
添加小米粒文库到电脑桌面
安装后可以在桌面快捷访问

人工挖孔灌注桩单桩施工记录1

人工挖孔灌注桩单桩施工记录1_第1页
1/27
人工挖孔灌注桩单桩施工记录1_第2页
2/27
人工挖孔灌注桩单桩施工记录1_第3页
3/27
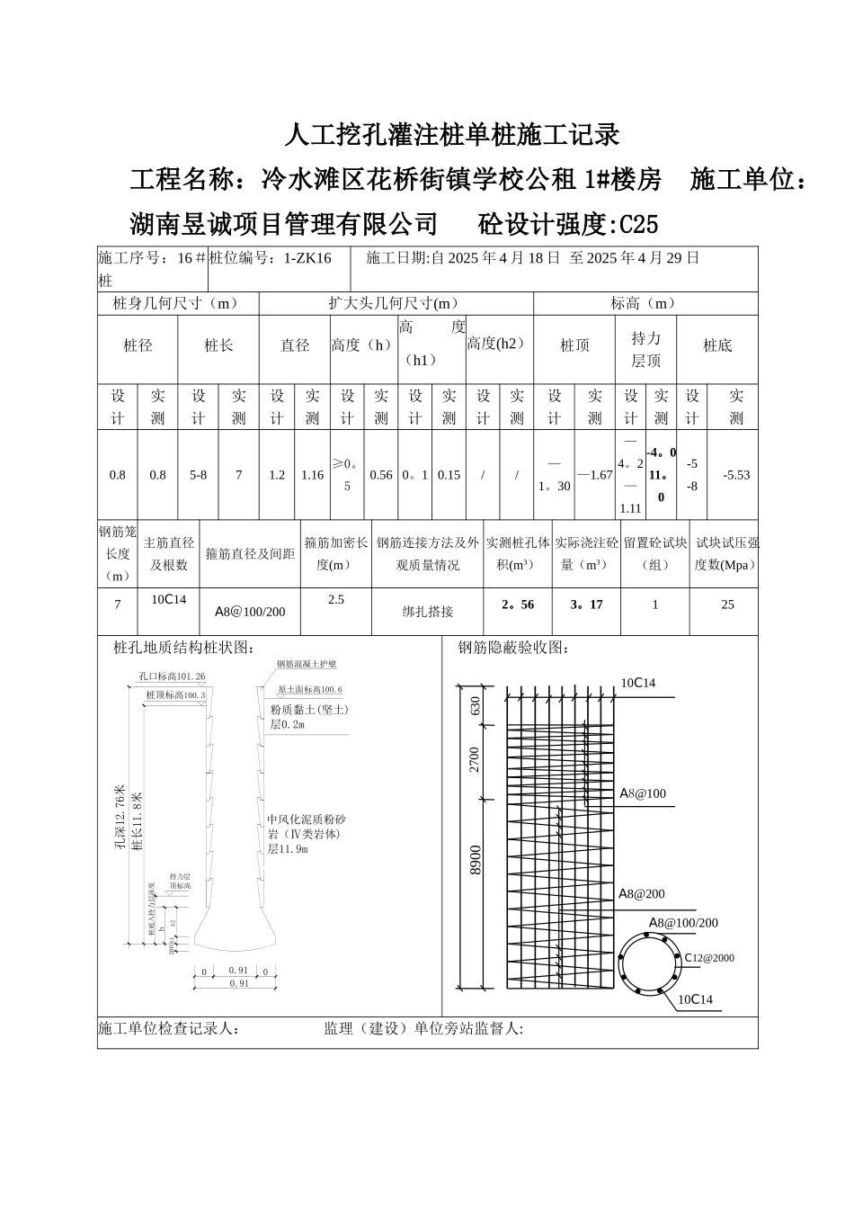
人工挖孔灌注桩单桩施工记录工程名称:冷水滩区花桥街镇学校公租 1#楼房 施工单位:湖南昱诚项目管理有限公司 砼设计强度:C25施工序号:16#桩桩位编号:1-ZK16施工日期:自 2025 年 4 月 18 日 至 2025 年 4 月 29 日 桩身几何尺寸(m)扩大头几何尺寸(m)标高(m)桩径桩长直径高度(h)高度(h1)高度(h2)桩顶持力层顶桩底设计实测设计实测设计实测设计实测设计实测设计实测设计实测设计实测设计实测0.80.85-871.21.16≥0。50.56 0。1 0.15//—1。30—1.67—4。2—1.11-4。011。0-5-8-5.53钢筋笼长度(m)主筋直径及根数箍筋直径及间距箍筋加密长度(m)钢筋连接方法及外观质量情况实测桩孔体积(m3)实际浇注砼量(m3)留置砼试块(组)试块试压强度数(Mpa)710C14A8@100/2002.5绑扎搭接2。563。17125桩孔地质结构桩状图:0.9100.910孔口标高101.26桩顶标高100.3桩长11.8米孔深12.76米200h2持力层顶标高桩底入持力层深度h1中风化泥质粉砂岩(Ⅳ类岩体)层11.9m原土面标高100.6h粉质黏土(坚土)层0.2m钢筋混凝土护壁钢筋隐蔽验收图:施工单位检查记录人: 监理(建设)单位旁站监督人:6302700890010C14A8@100A8@200A8@100/200 C12@2000 10C14该桩持力层土质名称及承载力标准值(Mpa)为:5000 桩端端阻力特征值为 该桩桩底进入持力层深度:0.56 勘探单位勘查人:施工单位检查评定结果: 符合设计及施工质量验收法律规范规定要求,检查评定合格.项目专业技术负责人:项目专业质量检查员: 年 月 日监理(建设)单位验收结论:项目专业监理工程(建 监理(建设)项目部(章)设单位项目技术负责人): 年 月 日注:桩孔结构柱状图应按比例绘制成孔形状,其左侧标注成孔实测几何尺寸及桩顶(即承台底)、桩底和持力层顶面标高,右侧自上而下标注地质部面各土层名称、厚度等。H 指扩大头总高度,h1 指弧形部分高度。人工挖孔灌注桩单桩施工记录工程名称:冷水滩区花桥街镇学校公租房 施工单位:湖南昱诚项目管理有限公司 砼设计强度:C25施 工 序 号 : 11#桩桩位编号:1-ZK11施工日期:自 2025 年 4 月 18 日 至 2025 年 4 月 28 日 桩身几何尺寸(m)扩大头几何尺寸(m)标高(m)桩径桩长直径高度(h) 高度(h1)高度(h2)桩顶持力层顶桩底设计实测设计实测设计实测设计实测设计实测设计实测设计实测设计实测设计实测0.80.85-85.81。2 1。25 ≥0.50。68 0。1 0。11//—1。30-1。67—4。2-11。16...

1、当您付费下载文档后,您只拥有了使用权限,并不意味着购买了版权,文档只能用于自身使用,不得用于其他商业用途(如 [转卖]进行直接盈利或[编辑后售卖]进行间接盈利)。
2、本站所有内容均由合作方或网友上传,本站不对文档的完整性、权威性及其观点立场正确性做任何保证或承诺!文档内容仅供研究参考,付费前请自行鉴别。
3、如文档内容存在违规,或者侵犯商业秘密、侵犯著作权等,请点击“违规举报”。

碎片内容

人工挖孔灌注桩单桩施工记录1

您可能关注的文档

确认删除?
VIP
微信客服
  • 扫码咨询
会员Q群
  • 会员专属群点击这里加入QQ群
客服邮箱
回到顶部