电脑桌面
添加小米粒文库到电脑桌面
安装后可以在桌面快捷访问

人工草皮施工方案

人工草皮施工方案_第1页
1/3
人工草皮施工方案_第2页
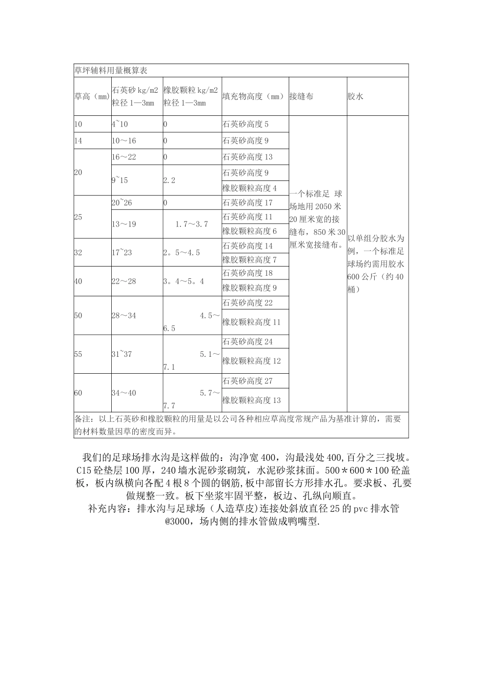
2/3
人工草皮施工方案_第3页
3/3
人工草皮施工方案第一章 基础 一、 基础设计及尺寸 参照国际田联有关田径场地设计标准手册要求及道路基础建设相关要求。 二、 基础排水 采纳龟背式排水,在内场和跑道之间采纳环状排水沟,再与周围集水口相连,达到场地排水要求. 人造草坪 场地面层材料及其基础的排水性能要求应大于 180mm/h。 人造草坪场地中心线至四周边线的坡度应小于 3‰。 三、 基础类型 人造草坪 场地可采纳沥青混凝土基础,水泥混凝土基础,硬质砂土和三合土基础。 四、 基础验收标准 1、 验收要求 基础应具有一定的强度和稳定性。基础不能产生裂缝和由于冰冻引起的不均匀冻胀。在冰冻地区,表层与碎石层之间应加上一层土工布缓冲层,沿排水沟的基础应做特别防水处理。 基础的平整度:3 米直尺误差<4 毫米,横向、纵向坡度〈3‰,跑道区<4‰,表面应平坦,光滑,保证排水,直径 3m 区域内,最大间隙小于 10mm;直径 0。3m 内,最大间隙小于2mm。 在冰冻地区,表层与碎石层之间应加上一层土工布缓冲层,沿排水沟在基础应做特别防水处理. 基础表面应保持清洁干燥,沥青、混凝土基础完工后要求 30 天以上的保养期。 2、 混凝土基础要用 20 号水泥,混凝土高度〉=8cm,大面积使用需考虑留伸缩缝。 3、 沥青混凝土基础的技术指标: 基础碾压后密实度>95%;路基级配砂层压实密实度达 2.3Kg/公斤以上,重型碾压轮迹深度不大于 5mm,表面平整坚实无砂窝、梅花现象;基层碎石层的密实度达到 2.3Kg/公斤以上,碎砾石 2。14Kg/公斤以上,表面坚实平顺,空隙均匀,重型碾压无明显痕迹;沥青混凝土黑色碎石层压实密实度达到 97%以上,干容量达到 2。35Kg/公斤以上,表面无油污,无未搅拌开的沥青块,平整无裂纹,无明显碾压轮迹,无烂边推挤,无松散麻面,结缝平顺,无阻水现象,停雨半小时后积水;沥青基础应采纳不含蜡,或少含蜡的沥青材料,沥青混合料必须充分压实,针入度 1/10mm>60,软化点>50℃,延伸度 60cm;抗压强度R20>25Kg/ cm2,R50>25Kg/cm2,热稳定性系数 Kt= R20/ R50<3.5。体胀率〈1%,体吸水率 6—10%. 4、 验收程序 按基础顶层质量标准进行实测实量,对不合格的地段进行修整;对资料验收检查,由施工单位提供,草坪施工单位保存合并总竣工资料;编制施工方案;按工程数量编制材料计划量,须全场材料到齐后方可施工。 5、 现场清理 对新修建的底层进行清扫,清除泥土、油污等;对旧有基础,对破损地段进行同结构修补;对修建...

1、当您付费下载文档后,您只拥有了使用权限,并不意味着购买了版权,文档只能用于自身使用,不得用于其他商业用途(如 [转卖]进行直接盈利或[编辑后售卖]进行间接盈利)。
2、本站所有内容均由合作方或网友上传,本站不对文档的完整性、权威性及其观点立场正确性做任何保证或承诺!文档内容仅供研究参考,付费前请自行鉴别。
3、如文档内容存在违规,或者侵犯商业秘密、侵犯著作权等,请点击“违规举报”。

碎片内容

人工草皮施工方案

确认删除?
VIP
微信客服
  • 扫码咨询
会员Q群
  • 会员专属群点击这里加入QQ群
客服邮箱
回到顶部