电脑桌面
添加小米粒文库到电脑桌面
安装后可以在桌面快捷访问

人货电梯基础施工方案82223

人货电梯基础施工方案82223_第1页
1/8
人货电梯基础施工方案82223_第2页
2/8
人货电梯基础施工方案82223_第3页
3/8
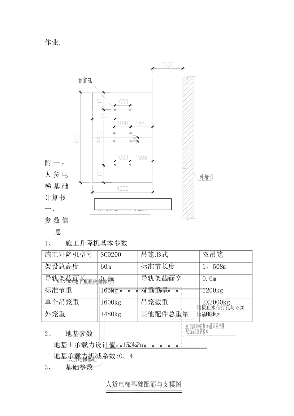
第一章 编制依据1 编制依据1.1 项目建筑、结构、安装专业施工图纸;1。2 租赁公司提供的 SC 系列施工人货电梯使用说明书;1。3 项目施工组织设计;1.4《建筑机械使用安全技术规程》JGJ33—2001;1.5 本工程所涉及的主要国家或行业法律规范、规程、技术法规、标准。第二章 工程概况工程名称:XXX 小区商住项目工程地点:XXX建设单位:XXX勘察单位:XXX设计单位:XXX施工单位:XXX监理单位:XXX工程规模及特点:XXX 小区商住项目占地面积为 12523㎡,总建筑面积为 55936.65㎡,其中含1、2 栋为 17 层住宅楼、3-5 栋为 18 层住宅楼、6 栋为 4 层住宅楼;设有 1 层地下车库,1 栋 1 层门卫室,临街为 1、2 层为商业。单体建筑概况:人货电梯选择及位置布置:根据XXX小区商住项目工程施工总平面图、工程结构特点,选用 SCD200,考虑本工程施工条件,结合人货电梯与结构之间的关系以及人货电梯附属,我项目将在 1 栋、2 栋、3 栋及 4 栋分别布置一台电梯。第三章 施工部署1、人货电梯基础施工顺序为:土方平整(土方开挖时已施工至地下室底板底标高)→定位放线→浇筑砼垫层→钢筋加工、绑扎→焊 3mm水平止水钢板(四周用钢丝网围挡)→预埋基础节→砼浇筑、养护楼号层数建筑高度(m)檐口高度(m)建筑面积(㎡)备注地下地上1 栋/1753.3539442。162 栋11754539701.933 栋11853.3539713.074、5 栋11853。35317016.716 栋1416。715。42286.02地下室1/3.75/7665。72门卫室119.59.2242、基础尺寸为 6000×4000×400,(长×宽×高),人货电梯基础布置见附图。3、钢筋的安装绑扎要求:(1)所有钢材,必须有出厂合格证、材质化验单,使用前进行复试,合格后方可使用.(2)钢筋制作严格按钢筋放样详图进行,基础配筋为 12@150,双层双向.(3)钢筋绑扎施工工艺流程:基础底筋绑扎→预埋基础节→马凳架立→基础面筋绑扎钢筋交叉点须全部扎牢,底筋保护层 25mm 厚,采纳大理石2.5cm×2.5cm 垫块,按 1m×1m 间距布设,上下层钢筋之间用 16 的钢筋加工马凳支撑,间距 1。0m 见方,马凳脚下应应焊短节钢筋垫稳在底板钢筋上。(4)绑扎钢筋骨架外形尺寸允许偏差(单位:mm)骨架的宽及高±5 骨架的长±10 箍筋间距±20排距±5 受力筋间距±10 (5)基础预埋件必须牢固地固定在基础加强钢筋上,地脚螺栓中心距最大允许偏差为±5mm。(6)做好预留孔地预留工作,预留孔尺寸为 200mm×200 mm,深350mm,孔内钢筋外露...

1、当您付费下载文档后,您只拥有了使用权限,并不意味着购买了版权,文档只能用于自身使用,不得用于其他商业用途(如 [转卖]进行直接盈利或[编辑后售卖]进行间接盈利)。
2、本站所有内容均由合作方或网友上传,本站不对文档的完整性、权威性及其观点立场正确性做任何保证或承诺!文档内容仅供研究参考,付费前请自行鉴别。
3、如文档内容存在违规,或者侵犯商业秘密、侵犯著作权等,请点击“违规举报”。

碎片内容

人货电梯基础施工方案82223

一二三四传媒+ 关注
实名认证
内容提供者

大量资料供您选择,没有合适的可以联系小二。

确认删除?
VIP
微信客服
  • 扫码咨询
会员Q群
  • 会员专属群点击这里加入QQ群
客服邮箱
回到顶部