电脑桌面
添加小米粒文库到电脑桌面
安装后可以在桌面快捷访问

人防工程分部分项工程质量验收评定记录表人防办提供

人防工程分部分项工程质量验收评定记录表人防办提供_第1页
1/117
人防工程分部分项工程质量验收评定记录表人防办提供_第2页
2/117
人防工程分部分项工程质量验收评定记录表人防办提供_第3页
3/117
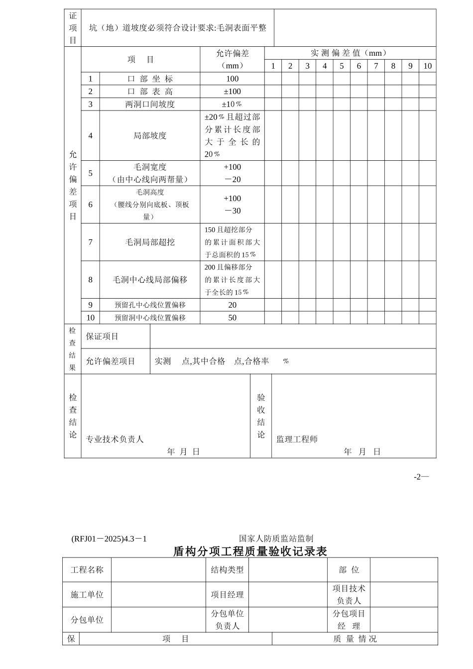
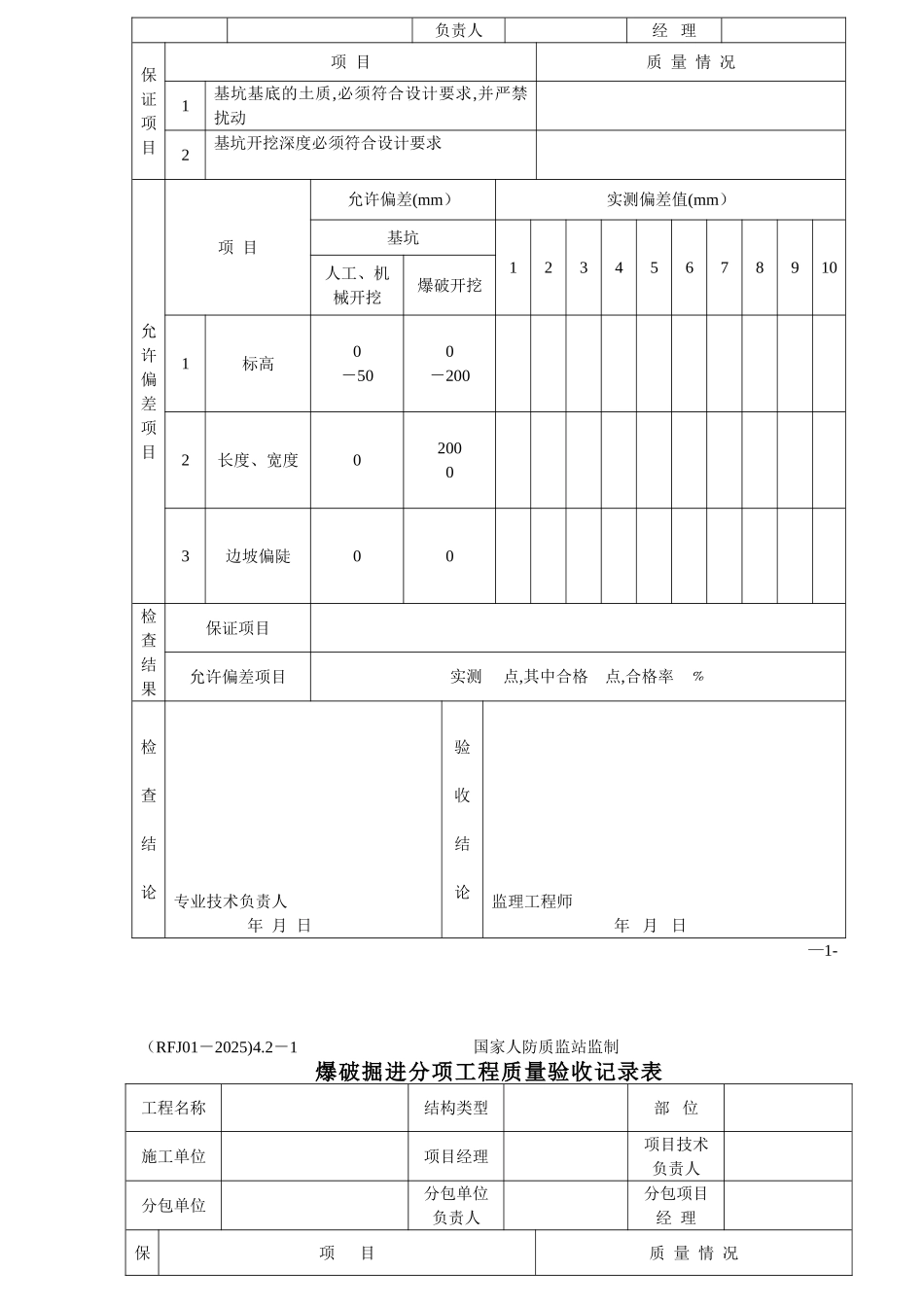
一、分项工程质量验收记录表1.结构工程(RFJ01-2025)4。1-1 国家人防质监站监制土石方分项工程质量验收记录表工程名称结构类型部 位施工单位项目经理项目技术负责人分包单位分包单位分包项目负责人经 理保证项目项 目质 量 情 况1基坑基底的土质,必须符合设计要求,并严禁扰动2基坑开挖深度必须符合设计要求允许偏差项目项 目允许偏差(mm)实测偏差值(mm)基坑12345678910人工、机械开挖爆破开挖1标高0-500-2002长度、宽度020003边坡偏陡00检查结果保证项目允许偏差项目实测 点,其中合格 点,合格率 ﹪检查结论专业技术负责人 年 月 日验收结论监理工程师 年 月 日—1- (RFJ01-2025)4.2-1 国家人防质监站监制爆破掘进分项工程质量验收记录表工程名称结构类型部 位施工单位项目经理项目技术负责人分包单位分包单位负责人分包项目经 理保项 目质 量 情 况证项目坑(地)道坡度必须符合设计要求:毛洞表面平整允许偏差项目项 目允许偏差(mm)实 测 偏 差 值(mm)123456789101口 部 坐 标1002口 部 表 高±1003两洞口间坡度±10﹪4局部坡度±20﹪且超过部分累计长度部大 于 全 长 的20﹪5毛洞宽度(由中心线向两帮量)+100-206毛洞高度(腰线分别向底板、顶板量)+100-307毛洞局部超挖150 且超挖部分的累计面积部大于总面积的 15﹪8毛洞中心线局部偏移200 且偏移部分的累计长度部大于全长的 15﹪9预留孔中心线位置偏移2010预留洞中心线位置偏移50检查结果保证项目允许偏差项目实测 点,其中合格 点,合格率 ﹪检查结论专业技术负责人 年 月 日验收结论监理工程师 年 月 日 -2—(RFJ01-2025)4.3-1 国家人防质监站监制盾构分项工程质量验收记录表工程名称结构类型部 位施工单位项目经理项目技术负责人分包单位分包单位负责人分包项目经 理保项 目质 量 情 况证项目1盾构工作井的位置和规定符合设计要求施工法律规范的规定2衬砌管片的质量必须符合设计要求3衬砌管片的拼接和接缝防水处理必须符合设计要求和施工法律规范规定4盾构掘进完成后,地表变形值、地道沉降量必须符合设计要求允许偏差项目项 目允许偏差(mm)实测偏差值(mm)123456789101衬砌环圆环面平整度52衬砌环椭圆度203衬砌环环缝宽度34衬砌环纵缝张角宽度35地道轴线水平方向偏移50垂直方向偏移±50检查结果保证项目允许偏差项目实测 点,其中合格 点,合格率 ﹪检查结论专业技术负责人 年 月 日验收结论监理...

1、当您付费下载文档后,您只拥有了使用权限,并不意味着购买了版权,文档只能用于自身使用,不得用于其他商业用途(如 [转卖]进行直接盈利或[编辑后售卖]进行间接盈利)。
2、本站所有内容均由合作方或网友上传,本站不对文档的完整性、权威性及其观点立场正确性做任何保证或承诺!文档内容仅供研究参考,付费前请自行鉴别。
3、如文档内容存在违规,或者侵犯商业秘密、侵犯著作权等,请点击“违规举报”。

碎片内容

人防工程分部分项工程质量验收评定记录表人防办提供

您可能关注的文档

确认删除?
VIP
微信客服
  • 扫码咨询
会员Q群
  • 会员专属群点击这里加入QQ群
客服邮箱
回到顶部