电脑桌面
添加小米粒文库到电脑桌面
安装后可以在桌面快捷访问

人防工程防护设备及通风系统安装施工质量检测报告

人防工程防护设备及通风系统安装施工质量检测报告_第1页
1/12
人防工程防护设备及通风系统安装施工质量检测报告_第2页
2/12
人防工程防护设备及通风系统安装施工质量检测报告_第3页
3/12
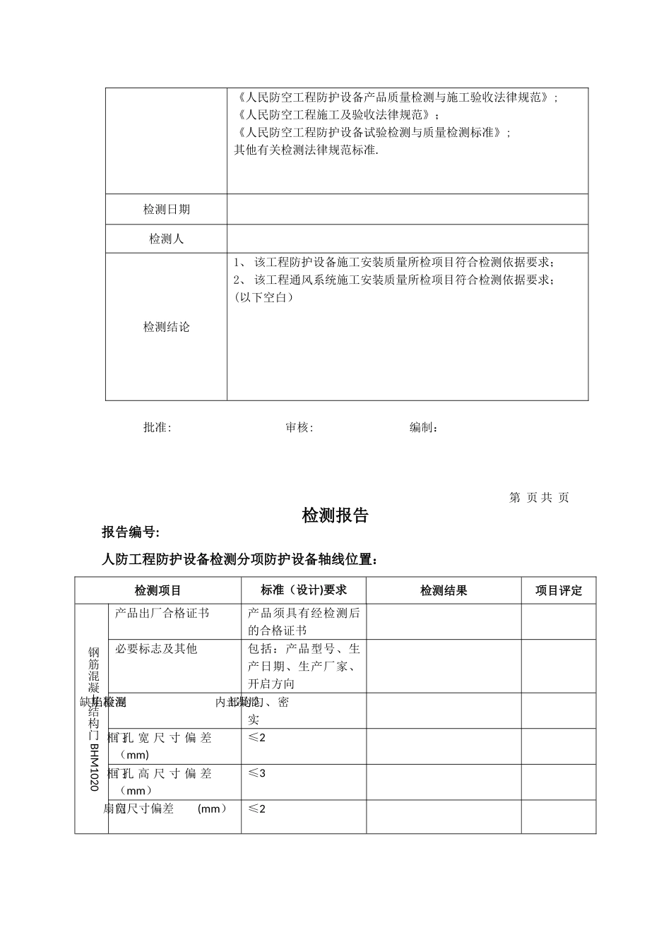
检测报告【样本】人防工程防护设备及通风系统安装施工质量检测报告编号:工程名称:工程地址:委托单位:发出日期:(检测单位名称及盖章)检测报告报告编号:工程名称*建设单位*委托单位*施工单位*监理单位*设计单位*防护设备生产企业*通风设备安装企业*检测项目人防工程防护设备安装施工质量;人防工程防护通风系统安装施工质量。检测依据工程设计图纸;《人民防空工程防护设备产品质量检测与施工验收法律规范》;《人民防空工程施工及验收法律规范》;《人民防空工程防护设备试验检测与质量检测标准》;其他有关检测法律规范标准.检测日期检测人检测结论1、 该工程防护设备施工安装质量所检项目符合检测依据要求;2、 该工程通风系统施工安装质量所检项目符合检测依据要求;(以下空白)批准: 审核: 编制:第 页 共 页检测报告报告编号:人防工程防护设备检测分项防护设备轴线位置:检测项目标准(设计)要求检测结果项目评定钢筋混凝土结构门BHM1020产品出厂合格证书产品须具有经检测后的合格证书必要标志及其他包括:产品型号、生产日期、生产厂家、开启方向混凝土缺陷检测混凝土内部均匀、密实门框 孔 宽 尺 寸 偏 差(mm)≤2门框 孔 高 尺 寸 偏 差(mm)≤3门扇宽尺寸偏差(mm)≤2门扇 高 尺 寸 偏 差(mm)≤3门框闭锁座(盒)锁孔位置偏差(mm)前后偏差≤0.2上下或左右偏差≤1门框铰页座铰轴孔位置偏差(mm)前后偏差≤0.2上下或左右偏差≤1门扇闭锁头位置偏差(mm)前后偏差≤0.2上下或左右偏差≤1门扇铰轴孔位置偏差(mm)前后偏差≤0.2上下或左右偏差≤1门扇厚度偏差(mm)≥—1.5门框(内侧)垂直度偏差(mm)≤2左:右:第 页 共 页钢筋混凝土结构门BHM1020门框(外侧)垂直度偏差(mm)≤2左:右:门扇门框贴合面间隙(mm)≤2.5门扇门框贴合面中心线偏差(mm)≤4门扇启闭力(N)≤90闭锁操纵力(N)≤220钢门框焊缝检测焊缝均匀饱满,符合施工质量要求钢门框型钢尺寸规格(mm)型材厚度达到设计值的 95%门扇 混凝土强 度(MPa)符合设计要求推定值:门扇钢筋编扎平均间距(mm)符合法律规范要求横向:竖向:钢筋保 护 层 厚 度(mm)钢筋保护层厚度偏差≤2钢门框 漆 膜 厚 度(um)100~120 微米漆膜附着力符 合 GB/T9286—1998中三级质量要求门扇关闭漏光检查门扇与门框贴合紧密,严密不漏光。密封胶条安装质量采纳 45 度斜接口,不允许弯处接头。单扇不超过 2 处,双扇不超过 6 处门扇运动平稳性...

1、当您付费下载文档后,您只拥有了使用权限,并不意味着购买了版权,文档只能用于自身使用,不得用于其他商业用途(如 [转卖]进行直接盈利或[编辑后售卖]进行间接盈利)。
2、本站所有内容均由合作方或网友上传,本站不对文档的完整性、权威性及其观点立场正确性做任何保证或承诺!文档内容仅供研究参考,付费前请自行鉴别。
3、如文档内容存在违规,或者侵犯商业秘密、侵犯著作权等,请点击“违规举报”。

碎片内容

人防工程防护设备及通风系统安装施工质量检测报告

确认删除?
VIP
微信客服
  • 扫码咨询
会员Q群
  • 会员专属群点击这里加入QQ群
客服邮箱
回到顶部