电脑桌面
添加小米粒文库到电脑桌面
安装后可以在桌面快捷访问

住宅工程室内空间尺寸质量分户验收记录表

住宅工程室内空间尺寸质量分户验收记录表_第1页
1/23
住宅工程室内空间尺寸质量分户验收记录表_第2页
2/23
住宅工程室内空间尺寸质量分户验收记录表_第3页
3/23
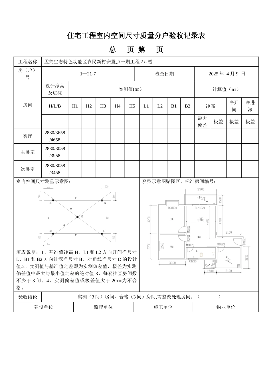
住宅工程室内空间尺寸质量分户验收记录表 总 页 第 页工程名称孟关生态特色功能区农民新村安置点一期工程 2#楼房(户)号1-22-7检查日期 2025 年 4 月 9 日房间设计净高及进深实测值(㎜)计算值(㎜)H/L/BH1H2H3H4H5L1L2B1B2净高净开间净进深最大偏差极差极差极差客厅2880/3658/4658主卧室2880/3058/3958 次卧室2880/3058/3458室内空间尺寸测量示意图:填表说明:1、基准值净高 H、L1 和 L2 方向开间净尺寸L、B1 和 B2 方向进深净尺寸 B、对角线净尺寸 D 的设计值。2、实测值与基准值之差即为实测偏差值,极差为实测偏差值中最大与最小值之差的绝对值。3、每套抽查房间数不少于 3 间。4、实测偏差值或极差值大于 20㎜为不合格.套型示意图贴图区,标准房间编号:验收结论实测(3 间)房间,合格(3 间)房间,需整改处理房间:( )建设单位监理单位施工单位物业单位验收人员:(分户验收专用章)年月日验收人员:(分户验收专用章)年月日验收人员:(分户验收专用章)年月日验收人员:(分户验收专用章)年月日住宅工程室内空间尺寸质量分户验收记录表 总 页 第 页工程名称孟关生态特色功能区农民新村安置点一期工程 2#楼房(户)号1—21-7检查日期 2025 年 4 月 9 日房间设计净高及进深实测值(㎜)计算值(㎜)H/L/BH1H2H3H4H5L1L2B1B2净高净开间净进深最大偏差极差极差极差客厅2880/3658/4658主卧室2880/3058/3958 次卧室2880/3058/3458室内空间尺寸测量示意图:填表说明:1、基准值净高 H、L1 和 L2 方向开间净尺寸L、B1 和 B2 方向进深净尺寸 B、对角线净尺寸 D 的设计值.2、实测值与基准值之差即为实测偏差值,极差为实测偏差值中最大与最小值之差的绝对值.3、每套抽查房间数不少于 3 间。4、实测偏差值或极差值大于 20㎜为不合格。套型示意图贴图区,标准房间编号:验收结论实测(3 间)房间,合格(3 间)房间,需整改处理房间:( )建设单位监理单位施工单位物业单位验收人员:(分户验收专用章)年月日验收人员:(分户验收专用章)年月日验收人员:(分户验收专用章)年月日验收人员:(分户验收专用章)年月日住宅工程室内空间尺寸质量分户验收记录表 总 页 第 页工程名称孟关生态特色功能区农民新村安置点一期工程 2#楼房(户)号1-20-7检查日期 2025 年 4 月 9 日房间设计净高及进深实测值(㎜)计算值(㎜)H/L/BH1H2H3H4H5L1L2B1B2净高净开间净进深最大偏差极差极差极...

1、当您付费下载文档后,您只拥有了使用权限,并不意味着购买了版权,文档只能用于自身使用,不得用于其他商业用途(如 [转卖]进行直接盈利或[编辑后售卖]进行间接盈利)。
2、本站所有内容均由合作方或网友上传,本站不对文档的完整性、权威性及其观点立场正确性做任何保证或承诺!文档内容仅供研究参考,付费前请自行鉴别。
3、如文档内容存在违规,或者侵犯商业秘密、侵犯著作权等,请点击“违规举报”。

碎片内容

住宅工程室内空间尺寸质量分户验收记录表

确认删除?
VIP
微信客服
  • 扫码咨询
会员Q群
  • 会员专属群点击这里加入QQ群
客服邮箱
回到顶部