电脑桌面
添加小米粒文库到电脑桌面
安装后可以在桌面快捷访问

供热外网施工方案

供热外网施工方案_第1页
1/12
供热外网施工方案_第2页
2/12
供热外网施工方案_第3页
3/12
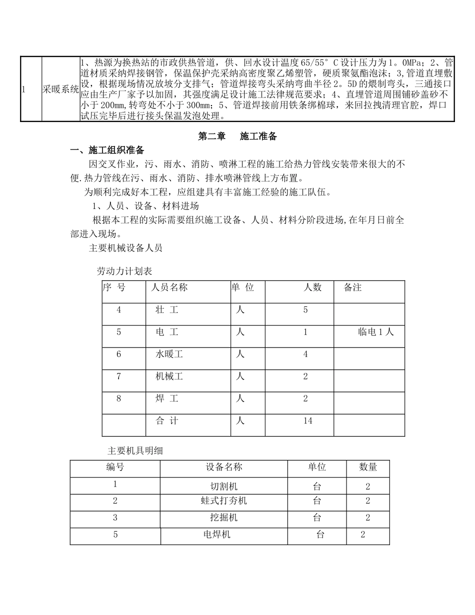
第一章 工程概述1、工程简况本工程为-—--—-供热外网工程,位于在北京市大兴区采育镇,项目用地北至政通路,南至育隆路,东至采图路,西至采合路,项目分两期开发建设建筑,一期建筑面积为 15800 平方米。机械挖土配合人工清理沟槽,管道采纳有补偿直埋敷设,聚胺脂发泡保温、高密度聚乙烯防护层。管道连接方式为焊接,弯头弯曲半径为R=1。5D.清除各种障碍物并做好各种防护措施后,进行管道安装.2、设计图纸文件序号图纸及文件日 期备注1《北京海纳川航盛汽车电子产业园》室外给水及消防施工图2025.04水总施-012《北京海纳川航盛汽车电子产业园》室外竖向布置施工图2025。04总施—023《北京海纳川航盛汽车电子产业园》室外雨、污水平面施工图2025。05水总施—024《北京海纳川航盛汽车电子产业园》室外采暖总平面施工图2025。04暖总施—013 现行有关规程、法律规范、标准序号类别名 称编 号1国家给水排水构筑物施工及验收法律规范GBJ141-902国家建筑给水排水及采暖工程施工质量验收法律规范GB50242—20253国家自动喷水灭火系统施工及验收法律规范GB50261-20254国家给水排水构筑物施工及验收法律规范GBJ141-905国家城镇直埋供热管道技术规程CJJ/T81—986国家城市供热管网工程施工及验收法律规范CJJ28-20258地方(2025 北京市)建筑工程资料管理规程DB11/T695—20259国家建设工程施工现场供用电安全法律规范GB50194-9310国家建筑工程文件归档整理法律规范GB/T50328-200111国家建设工程项目管理法律规范GB/T50326—200112国家建筑安装工程质量验评统一标准GBJ50300—200113行业建筑施工高处作业安全技术法律规范JGJ80-9114行业施工现场临时用电安全技术法律规范JGJ46—202515行业建筑施工安全检查评分标准JGJ59—994 工程应用的主要图集序号类别名称图集号1国标城镇供热管网工程施工验收及验收法律规范CJJ28—20252国标城镇直埋供热管道技术规程CJJ/T81-983国标国标05R4105 工程总体简介序号项 目内 容1工程名称北京海纳川航盛汽车电子产业园2项目名称厂房二等 5 项海纳川航盛汽车电子产业园项目4建设地点采育开发区5建设单位北京房修一建筑工程有限公司6设计单位城市建设讨论院7施工范围给排水系统、采暖系统、市政道路、雨污水系统8业主质量要求北京市建筑合格工程6 专业工程设计概况1 采暖工程概况序号 项目概况1采暖系统1、热源为换热站的市政供热管道,供、回水设计温度 65/55°C 设计压力为 1。0MPa;2、管道材质采纳焊接钢管...

1、当您付费下载文档后,您只拥有了使用权限,并不意味着购买了版权,文档只能用于自身使用,不得用于其他商业用途(如 [转卖]进行直接盈利或[编辑后售卖]进行间接盈利)。
2、本站所有内容均由合作方或网友上传,本站不对文档的完整性、权威性及其观点立场正确性做任何保证或承诺!文档内容仅供研究参考,付费前请自行鉴别。
3、如文档内容存在违规,或者侵犯商业秘密、侵犯著作权等,请点击“违规举报”。

碎片内容

供热外网施工方案

您可能关注的文档

确认删除?
VIP
微信客服
  • 扫码咨询
会员Q群
  • 会员专属群点击这里加入QQ群
客服邮箱
回到顶部