电脑桌面
添加小米粒文库到电脑桌面
安装后可以在桌面快捷访问

光伏施工质量控制重点

光伏施工质量控制重点_第1页
1/15
光伏施工质量控制重点_第2页
2/15
光伏施工质量控制重点_第3页
3/15
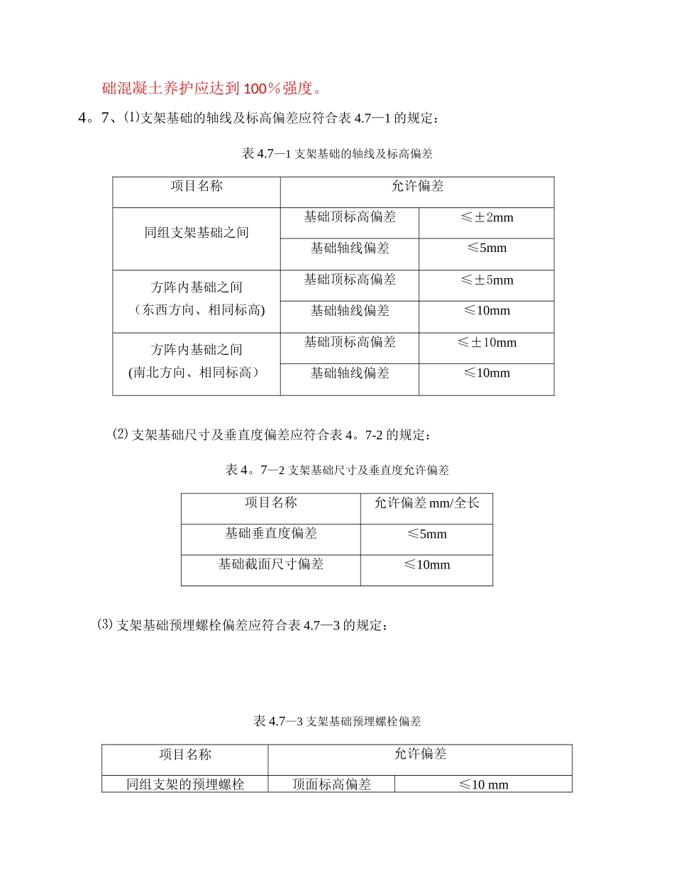
太阳电池方阵光伏发电项目施工质量控制重点 太阳电池方阵光伏发电项目,主要包括电站场区场地平整、主干道工程;支架基础、电池组件的土建安装工程、预埋件、接地系统(埋入部分)制作、安装;逆变器、箱变器、配电室、开关站土建、电气二次系统及接地系统工程;会线、支架、组件安装;电站接地及避雷系统;给水、消防、报警系统等。为了提高施工质量,预防施工过程中出现的各类质量通病,特整理施工过程中各道工序的质量控制重点如下: 一、支架基础(基础灌注桩)1、测量放线:进场前首先进行场地测量,定位各个坐标点,以 1MWP 方阵为单位定位场地标高,为以后减少各光伏板方阵落差打好基础;放线时做好标记,将本单位最高点及最低点的坐标定位。质量控制重点主要是标识清楚,定位准确。2、桩身开槽:桩身开槽前首先考察施工区域的土质状况,确定好施工方案,一般含沙量大土质松散的土质采纳二次成型方式进行钻孔,开槽深度=桩身高度—桩基露出地表高度,机械钻孔成型后采纳人工清孔方式,清除坑底浮土,防止成型后桩基下沉。质量控制重点主要是孔深符合图纸要求,坑底洁净无浮土、无异物,孔壁无塌方。3、钢筋笼绑扎:按图纸技术要求进行材料下料及制作,质量控制重点主要是主筋下料尺寸及箍筋间距在公差范围内,箍筋绑扎牢固,主筋分布均匀,主筋两端平齐。4、灌注桩浇筑施工:4。1、在混凝土浇筑前应先进行基槽验收,轴线、基坑尺寸、基底标高,钢筋笼质量及定位基准线应符合设计要求,合格后方可施工。质量控制重点主要是混凝土强度达到图纸要求,混凝土坍落度符合技术要求,孔深符合图纸要求,孔深公差±10mm,钢筋笼在运输过程中无变形,基坑验槽后应立即浇筑垫层混凝土.4.2、一般设置两个定位基准线,一个为水平定位基准线,一个为立面垂直定位基准线,水平定位基准线保证方阵内基础上平面在同一个水平面上,垂直定位基准线保证方阵内基础桩在一条直线上,这样就保证了基础灌注桩的水平高度和桩身间距在要求的误差范围内.相邻两个方阵落差不能过大,落差要考虑日光的最小照射倾角。质量控制重点主要是定位线尺寸准确,方阵内定位线尺寸公差±1mm,相邻两个方阵之间最大落差小于80mm.4.3、钢筋笼首先放置在孔底,浇筑混凝土,当混凝土与地面平齐时停止浇筑,将钢筋笼按图纸要求的保护层提起一定高度后进行振捣。质量控制重点主要是保证钢筋笼上下均有混凝土保护层,混凝土振捣良好。4.4、放置模具,按两个定位基准线来调整模具的位置,调整好后浇筑混...

1、当您付费下载文档后,您只拥有了使用权限,并不意味着购买了版权,文档只能用于自身使用,不得用于其他商业用途(如 [转卖]进行直接盈利或[编辑后售卖]进行间接盈利)。
2、本站所有内容均由合作方或网友上传,本站不对文档的完整性、权威性及其观点立场正确性做任何保证或承诺!文档内容仅供研究参考,付费前请自行鉴别。
3、如文档内容存在违规,或者侵犯商业秘密、侵犯著作权等,请点击“违规举报”。

碎片内容

光伏施工质量控制重点

确认删除?
VIP
微信客服
  • 扫码咨询
会员Q群
  • 会员专属群点击这里加入QQ群
客服邮箱
回到顶部