电脑桌面
添加小米粒文库到电脑桌面
安装后可以在桌面快捷访问

公共设施设备维修养护方案

公共设施设备维修养护方案_第1页
1/4
公共设施设备维修养护方案_第2页
2/4
公共设施设备维修养护方案_第3页
3/4
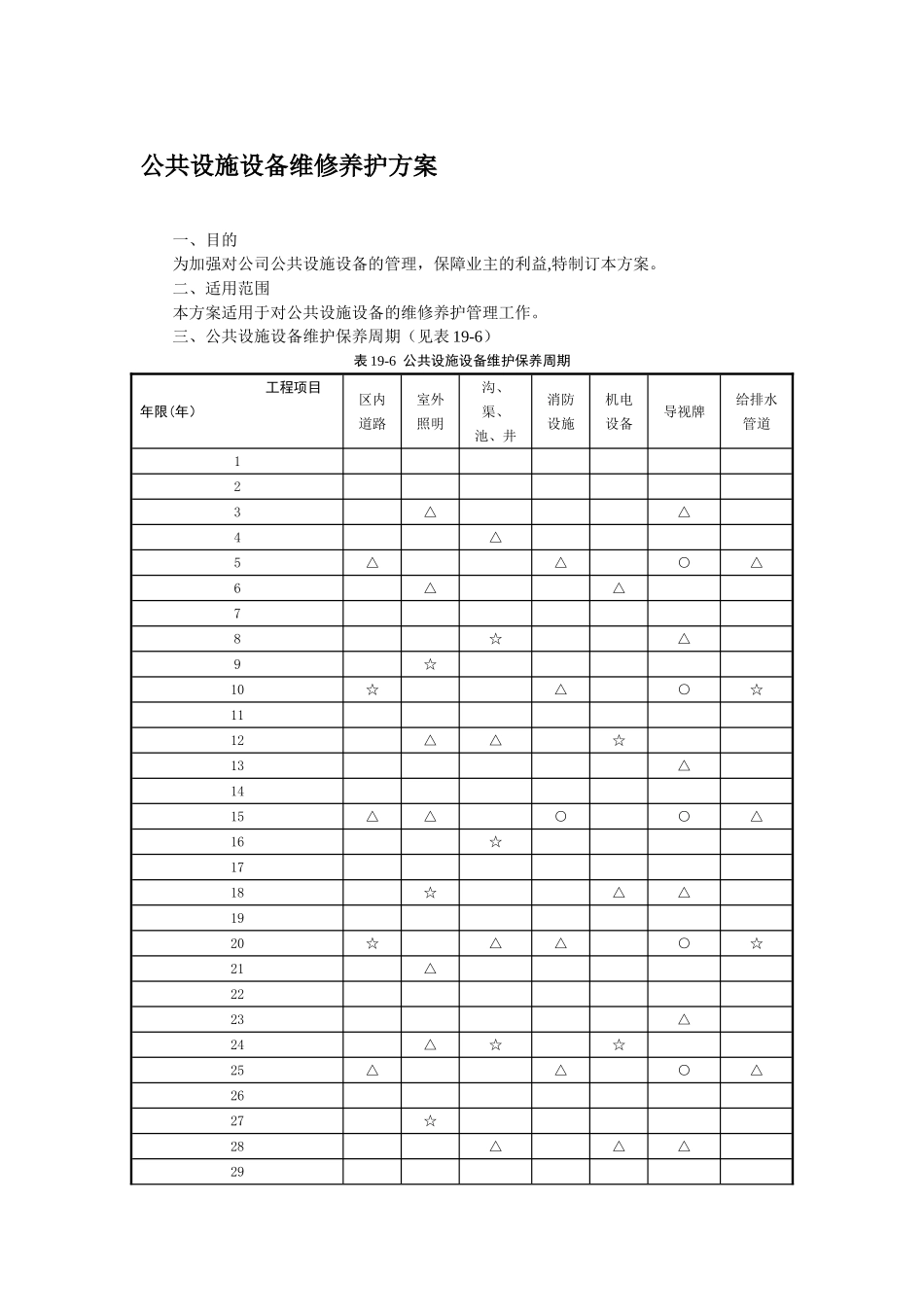
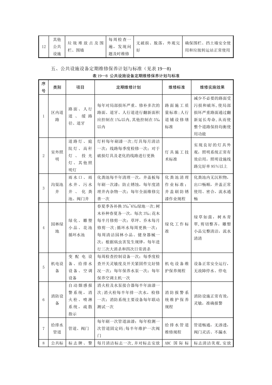
公共设施设备维修养护方案一、目的为加强对公司公共设施设备的管理,保障业主的利益,特制订本方案。二、适用范围本方案适用于对公共设施设备的维修养护管理工作。三、公共设施设备维护保养周期(见表 19-6)表 19-6 公共设施设备维护保养周期工程项目年限(年)区内道路室外照明沟、渠、池、井消防设施机电设备导视牌给排水管道123△△4△5△△○△6△△78☆△9☆10☆△○☆1112△△☆13△1415△△○○△16☆1718☆△△1920☆△△○☆21△2223△24△☆☆25△△○△2627☆28△△△2930☆△○○☆注:中修△ 大修☆ 更换○四、公共设施设备日常维修保养计划与标准(见表 19—7)表 19—7 公共设施设备日常维修保养计划与标准序号类别项目日常维修计划日常维修标准日常维修实施效果1区内道路路面、人行道、缓路径、道牙每周检查一次,及时维修路面修缮质量标准;人行道铺设修缮标准平整、无坑洼、无积水、无缺损2室外照明道路灯、庭院灯、高秆灯、投光灯、其他照明灯每天检查一次,及时维修电 气 作 业 安 全 操 作 规程;灯具施工技术标准灯泡正常使用,灯罩完好,清洁灯杆及灯座无破损3沟渠池井雨水口、雨水井、污水井、化粪池、阀门井每周检查一次,及时维修井内无积物,井壁无脱落;化粪池出口及其他分隔池无堵塞;井盖上标示清楚井盖完好,无缺损,少污积,无堵塞4园林绿地绿化、雕塑小品、花池循环水池每天检查一次,发现问题及时整改绿化工作标准;园林工作标准绿化管理设施、设备齐全完好;雕塑小品等园艺完好;绿化完好;循环水系统畅顺5机电设备变配电设备、给排水设备、空调设备每天检查一次,发现问题及时维修变配电设备保养规程;给排水设备保养规程;空调维修保养规程无故障停水停电,设备正常安全运行6消防设备自 动 烟 感 报 警 系统,消火栓、喷淋系统,疏散指示每周检查一次,发现问题及时维修消防设备保养规程;消防设计施工技术标准消防设施正常有效,灵敏准确报警7给排水管道管道、阀门每天检查一次,发现问题及时维修给排水管道维修规程管道畅通,无渗透8公共标志设施标志牌、警示牌每周检查一次,发现问题及时维修住宅区标志、警示牌制作安装及管理规定标志清洁美观,安放稳固,标示清楚,无损坏9文娱场所每天检查一遍,发现问题及时维修会所及活动中心维修工作标准各项设施、设备完好,正常使用10地下停车场每天检查两遍,发现问题及时维修路面修缮标准;停车场地面修缮标准道路平整、无积水、无缺损11 公共智能...

1、当您付费下载文档后,您只拥有了使用权限,并不意味着购买了版权,文档只能用于自身使用,不得用于其他商业用途(如 [转卖]进行直接盈利或[编辑后售卖]进行间接盈利)。
2、本站所有内容均由合作方或网友上传,本站不对文档的完整性、权威性及其观点立场正确性做任何保证或承诺!文档内容仅供研究参考,付费前请自行鉴别。
3、如文档内容存在违规,或者侵犯商业秘密、侵犯著作权等,请点击“违规举报”。

碎片内容

公共设施设备维修养护方案

您可能关注的文档

确认删除?
VIP
微信客服
  • 扫码咨询
会员Q群
  • 会员专属群点击这里加入QQ群
客服邮箱
回到顶部