电脑桌面
添加小米粒文库到电脑桌面
安装后可以在桌面快捷访问

公路水运工程试验检测机构等级标准

公路水运工程试验检测机构等级标准_第1页
1/68
公路水运工程试验检测机构等级标准_第2页
2/68
公路水运工程试验检测机构等级标准_第3页
3/68
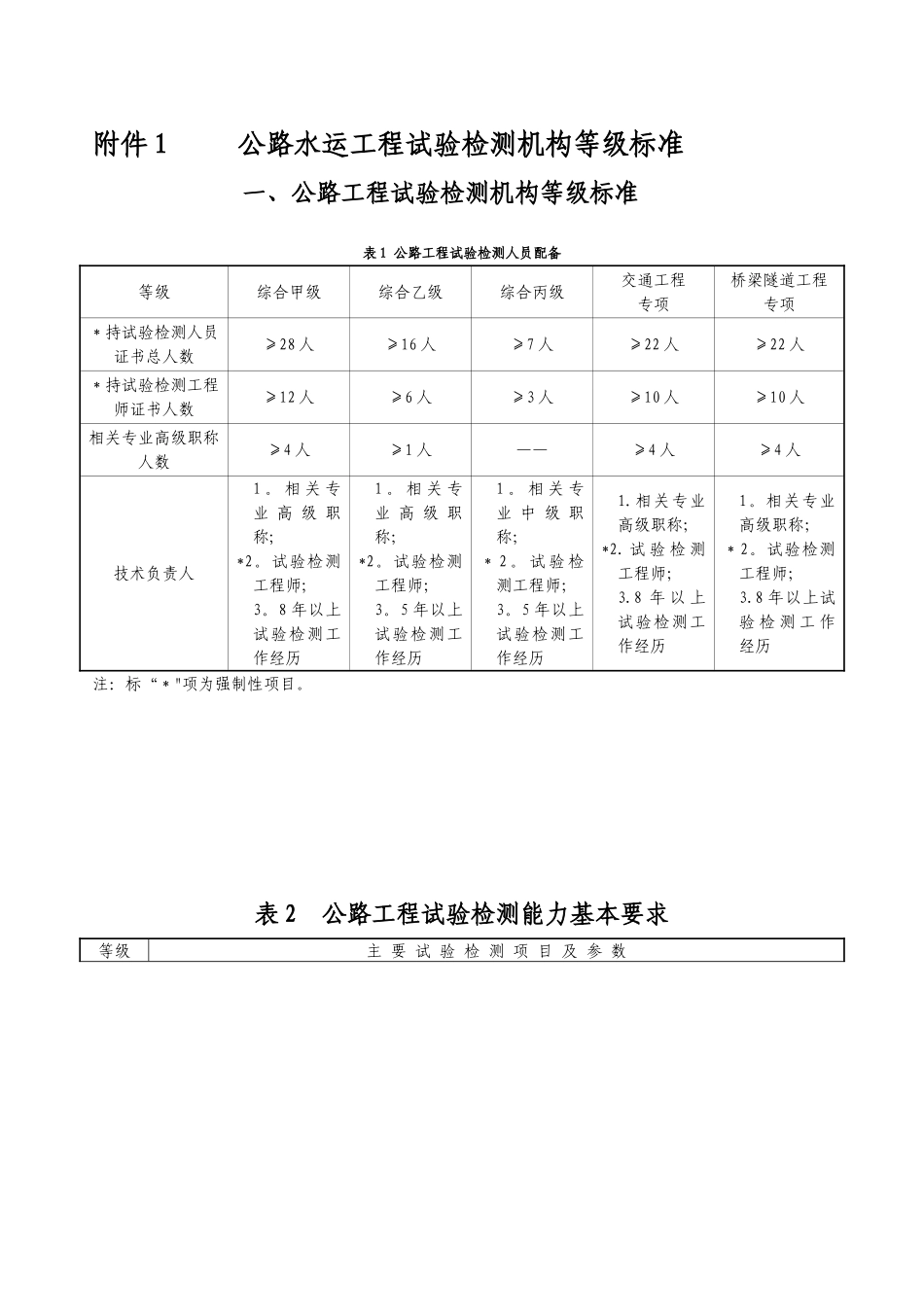
附件 1 公路水运工程试验检测机构等级标准 一、公路工程试验检测机构等级标准表 1 公路工程试验检测人员配备等级综合甲级综合乙级综合丙级交通工程专项桥梁隧道工程专项*持试验检测人员证书总人数≥28 人≥16 人≥7 人≥22 人≥22 人*持试验检测工程师证书人数≥12 人≥6 人≥3 人≥10 人≥10 人相关专业高级职称人数≥4 人≥1 人——≥4 人≥4 人技术负责人1 。 相 关 专业 高 级 职称;*2。试验检测工程师;3。8 年以上试验检测工作经历1 。 相 关 专业 高 级 职称;*2。试验检测工程师;3。5 年以上试验检测工作经历1 。 相 关 专业 中 级 职称;* 2 。 试 验 检测工程师;3。5 年以上试验检测工作经历1.相关专业高级职称;*2. 试 验 检 测工程师;3.8 年 以 上试验检测工作经历1。相关专业高级职称;*2。试验检测工程师;3.8 年以上试验 检 测 工 作经历注:标“*"项为强制性项目。表 2 公路工程试验检测能力基本要求等级主 要 试 验 检 测 项 目 及 参 数综合甲级1. 土:颗粒级配、液限塑限、最大干密度、最佳含水量、 CBR、粗粒土最大干密度、回弹模量、凝聚力、内摩擦角、自由膨胀率2. 集料:颗粒级配、压碎值、磨耗值、磨光值、冲击值、针片状颗粒含量、砂当量、含泥量、坚固性、表观相对密度、吸水率、棱角性、碱活性3. 石料:单轴抗压强度、抗冻性4. 水泥:凝聚时间、安定性、胶砂强度、细度、胶砂流动度、比表面积5. 水泥混凝土、砂浆、外加剂:抗压强度、抗折强度、抗压弹性模量、配合比设计、坍落度、含气量、混凝土凝聚时间、抗渗性 、劈裂抗拉强度、抗折弹性模量、干缩性、抗磨性、抗冻性、减水率、泌水率、外加剂的钢筋锈蚀试验6. 无机结合料稳定材料:无侧限抗压强度、水泥或石灰剂量、配合比设计、石灰有效钙镁含量、粉煤灰细度、粉煤灰烧失量、粉煤灰比表面积7. 沥青:针入度、延度、软化点、闪点、蜡含量、粘附性、动力粘度、运动粘度、薄膜加热质量损失、改性沥青弹性恢复、改性沥青离析、 乳化沥青破乳速度、乳化沥青粒子电荷、乳化沥青筛上残留物、恩格拉粘度、道路标准粘度、蒸发残留物含量8 . 沥 青 混 合 料 : 马 歇 尔 稳 定 度 、 沥 青 含 量 、 动 稳 定 度 、 配 合 比 设 计 、 最 大 理 论 密度、SMA 粗集料骨架间隙率、析漏损失、飞散损失、冻融劈裂强度比、低温最大弯拉应变...

1、当您付费下载文档后,您只拥有了使用权限,并不意味着购买了版权,文档只能用于自身使用,不得用于其他商业用途(如 [转卖]进行直接盈利或[编辑后售卖]进行间接盈利)。
2、本站所有内容均由合作方或网友上传,本站不对文档的完整性、权威性及其观点立场正确性做任何保证或承诺!文档内容仅供研究参考,付费前请自行鉴别。
3、如文档内容存在违规,或者侵犯商业秘密、侵犯著作权等,请点击“违规举报”。

碎片内容

公路水运工程试验检测机构等级标准

确认删除?
VIP
微信客服
  • 扫码咨询
会员Q群
  • 会员专属群点击这里加入QQ群
客服邮箱
回到顶部