电脑桌面
添加小米粒文库到电脑桌面
安装后可以在桌面快捷访问

关键岗位人员到岗履职情况抽查记录表

关键岗位人员到岗履职情况抽查记录表_第1页
1/22
关键岗位人员到岗履职情况抽查记录表_第2页
2/22
关键岗位人员到岗履职情况抽查记录表_第3页
3/22
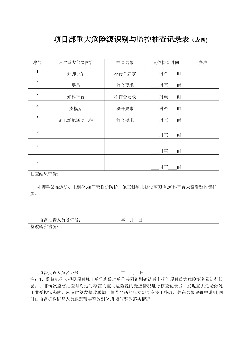
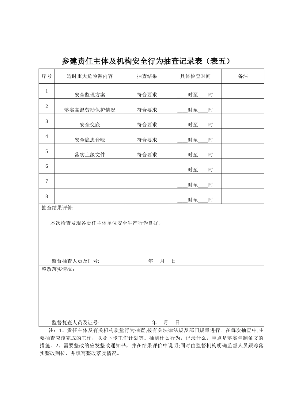
关键岗位人员到岗履职情况抽查记录表(表一)部门岗 位姓 名岗位证号到岗情况履 职 情 况施工单位项目负责人彭国奇00019758技术负责人张建B08041919960000058安全员冀正春10204060036张跃辉10204060052机械员分包单位项目负责人技术负责人安全员监理单位总监夏立坤43004103监理代表专业监理工程师柳行L100207林志杰L100210欧孟辉L100204监理员监督机构处理意见监督抽查人员及证号: 年 月 日注:1、监督抽查人员每次现场监督抽查时,应根据《湖南省建设工程施工项目部与现场监理部关键岗位人员配备标准及管理办法(试行)》的规定,对施工企业关键岗位人员任命文件的符合性及到岗履职情况进行抽查记录。2、分包单位其他岗位人员按规定要求和实际配备情况进行抽查记录。3、对人员配备不达标、擅自变更、不到岗或不按规定履职的签发限期整改通知书,并在处理意见栏目中说明。项目部重大危险源识别与监控抽查记录表(表四)序号适时重大危险内容抽查结果具体检查时间备注1外脚手架不符合要求____时至____时2塔吊符合要求____时至____时3卸料平台不符合要求____时至____时4支模架符合要求____时至____时5施工场地活动工棚符合要求____时至____时6____时至____时7____时至____时8____时至____时抽查结果评价:外脚手架临边防护未到位,梯间无临边防护,施工斜道未搭设剪刀撑,卸料平台未设置验收责任牌。监督抽查人员及证号: 年 月 日整改落实情况:监督复查人员及证号: 年 月 日注:1、监督机构应根据项目施工单位和监理单位共同识别确认后上报的项目重大危险源名录进行核验,并非每次监督抽查时对适时存在的重大危险源的受控情况进行核查记录 .2、发现重大危险源处于非受控状态的,应及时签发整改通知,情节严惩的应立即责令停工整改,并在结果评价中说明;同时由监督机构监督人员跟踪落实整改到位,并填写整改落实情况.参建责任主体及机构安全行为抽查记录表(表五)序号适时重大危险源内容抽查结果具体检查时间备注1安全监理方案符合要求____时至____时2落实高温劳动保护情况符合要求____时至____时3安全交底符合要求____时至____时4安全隐患台账符合要求____时至____时5落实上级文件符合要求____时至____时6____时至____时7____时至____时8____时至____时抽查结果评价: 本次检查发现各责任主体单位安全生产行为良好。监督抽查人员及证号: 年 月 日整改落实情况:监督复查人员及证号: 年 月 日注:1、责任主体及有关机构质量行为抽查,...

1、当您付费下载文档后,您只拥有了使用权限,并不意味着购买了版权,文档只能用于自身使用,不得用于其他商业用途(如 [转卖]进行直接盈利或[编辑后售卖]进行间接盈利)。
2、本站所有内容均由合作方或网友上传,本站不对文档的完整性、权威性及其观点立场正确性做任何保证或承诺!文档内容仅供研究参考,付费前请自行鉴别。
3、如文档内容存在违规,或者侵犯商业秘密、侵犯著作权等,请点击“违规举报”。

碎片内容

关键岗位人员到岗履职情况抽查记录表

人从众+ 关注
实名认证
内容提供者

欢迎光临小店,本店以公文和教育为主,希望符合您的需求。

确认删除?
VIP
微信客服
  • 扫码咨询
会员Q群
  • 会员专属群点击这里加入QQ群
客服邮箱
回到顶部