电脑桌面
添加小米粒文库到电脑桌面
安装后可以在桌面快捷访问

冠梁用检验批报验表

冠梁用检验批报验表_第1页
1/12
冠梁用检验批报验表_第2页
2/12
冠梁用检验批报验表_第3页
3/12
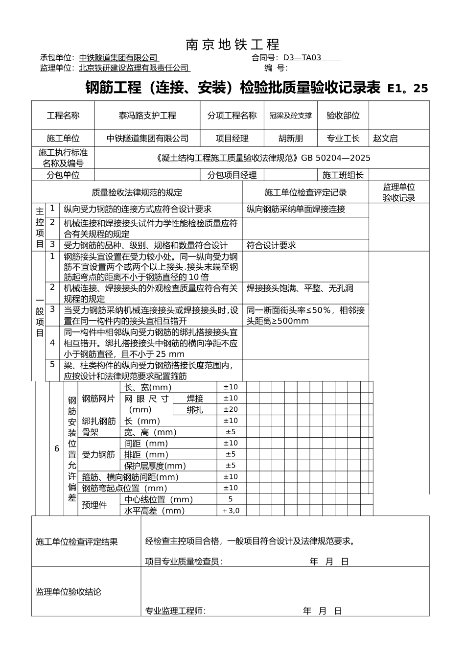
南 京 地 铁 工 程承包单位:中铁隧道集团有限公司 合同号:D3—TA03 监理单位:北京铁研建设监理有限责任公司 编 号:工序质量报验单 A3.5致:北京铁研建设监理有限责任公司 (监理单位)兹报验:分部/子分部/分项名称:部位:工序:验收时间:本次报验内容为第次报验,本项目经理部已完成自检工作且资料完整,并呈报相应资料。 承包单位项目经理部(章): 项目经理:日期:项目监理部签收人姓名及时间承包单位签收人姓名及时间监理抽查数据及情况记录:1、收到施工相应检查资料和验收记录表共页,收到时间:2、 检查人:日期:监理审查意见:□可进行后续施工。□核验未通过,不得进入下道工序施工,整改后再报。项目监理部(章): 专业监理工程师:日期:注:1、未经项目监理部验收通过,承包单位不得进入下道工序施工。2、承包单位项目经理部应提前提出本报验单,并给予配合.3、由承包单位呈报二份,批准后监理单位留一份,退承包单位一份。南 京 地 铁 工 程承包单位:中铁隧道集团有限公司 合同号:D3—TA03 监理单位:北京铁研建设监理有限责任公司 编 号:钢筋工程(原材料、加工)检验批质量验收记录 E1。24工程名称泰冯路支护工程分项工程名称冠梁及砼支撑验收部位施工单位中铁隧道集团有限公司项目经理胡新朋专业工长赵文启施工执行标准名称及编号《凝土结构工程施工质量验收法律规范》GB 50204—2025分包单位分包项目经理施工班组长质量验收法律规范的规定施工单位检查评定记录监理单位验收记录主控项目1钢筋进场抽取试件作力学性能检验,其质量必须符合有关标准的规定钢筋原材检测报告:2有抗震设防要求的框架结构,其纵向受力钢筋强度应满足设计和法律规范要求3当发现钢筋脆断、焊接性能不良或力学性能不正常等现象时,应对该批钢筋进行化学成分或其他专项检验现场未发现钢筋脆断及力学性能不良形象4受力钢筋的弯钩和弯折应符合法律规范规定5非焊接封闭环式箍筋的末端应作弯钩, 弯钩形式应符合设计和法律规范要求箍筋末端弯钩形式符合设计及法律规范要求一般项目1钢筋应平直、无损伤,表面不得有裂纹、油污、颗粒状或片状老锈经检查钢筋外观质量良好2钢筋调直宜采纳机械方法,也可采纳冷拉。当采纳冷拉时,HPB235 级钢筋的冷拉率不宜大于 4%,HRB335 级、HRB400级和 RRB400 级钢筋的冷拉率不宜大于1%钢筋采纳机械调直3钢 筋 加 工 的形 状 、 尺 寸应 符 合 设 计要 求 , 允 许偏差(mm)受力钢...

1、当您付费下载文档后,您只拥有了使用权限,并不意味着购买了版权,文档只能用于自身使用,不得用于其他商业用途(如 [转卖]进行直接盈利或[编辑后售卖]进行间接盈利)。
2、本站所有内容均由合作方或网友上传,本站不对文档的完整性、权威性及其观点立场正确性做任何保证或承诺!文档内容仅供研究参考,付费前请自行鉴别。
3、如文档内容存在违规,或者侵犯商业秘密、侵犯著作权等,请点击“违规举报”。

碎片内容

冠梁用检验批报验表

您可能关注的文档

确认删除?
VIP
微信客服
  • 扫码咨询
会员Q群
  • 会员专属群点击这里加入QQ群
客服邮箱
回到顶部