电脑桌面
添加小米粒文库到电脑桌面
安装后可以在桌面快捷访问

列车无线调度通信固定设备

列车无线调度通信固定设备_第1页
1/8
列车无线调度通信固定设备_第2页
2/8
列车无线调度通信固定设备_第3页
3/8
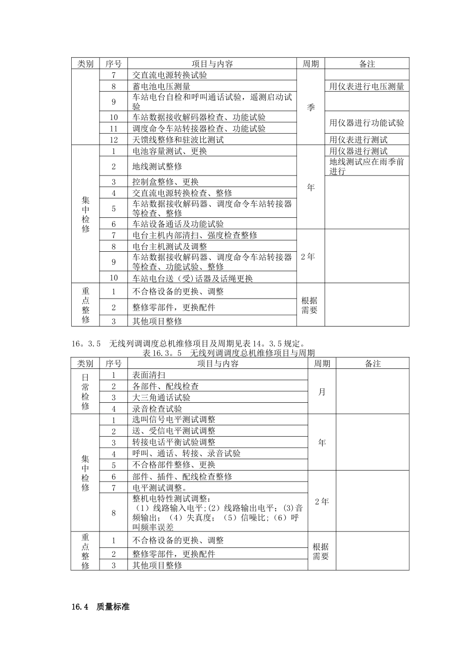
16 列车无线调度通信固定设备16.1 一般规定16.1。1 列车无线调度通信系统用于列车调度员、司机、车站值班员、车辆乘务员之间的通话联系,并实现数据传送功能。16.1。2 列车无线调度通信固定设备(以下简称无线列调固定设备)包括车站设备、调度总机、网管及监测设备等。其中车站设备由车站电台、车站数据接收解码器、调度命令车站转接器等组成。16。2 设备管理16。2.1 无线列调专业与其他专业的维护管理分界如下:(1)车站数据接收解码器与 CTC/TDCS 车站设备维护分界:车站数据接收解码器至CTC/TDCS 车站设备接线端子(不含)由通信部门负责.(2)调度命令车站转接器与 CTC/TDCS 车站设备维护分界:调度命令车站转接器至CTC/TDCS 车站设备接线端子(不含)由通信部门负责。(3)其它维护分界,由铁路局根据实际情况自行确定。16.2.2 无线列调固定设备电源应具有交、直流自动转换功能,配置免维护备用电池,电池容量应保证设备连续工作时间不少于 6 小时.有条件的中间站,车站电台应由中间站高频开关电源柜供电。16。2。3 维护部门应根据需要,配备以下仪表、工器具:场强测试系统、便携式场强仪、频谱分析仪、无线综合测试仪、直放站综合测试仪、中继器测试仪、功率计、天馈测试仪、光源、光功率计、调监模拟器、电池容量测试仪、电子经纬仪、交、直流稳压电源、望远镜。16。2.4 维护部门应具备以下技术资料:(1)竣工资料、验收测试资料;(2)无线列调系统图; (3)无线列调场强覆盖示意图;(4) 设备台帐(含设备型号、规格、软硬件版本、生产厂家、开通时间等);(5)设备技术资料(设备产品说明书、使用手册等);(6)仪器仪表使用说明书;(7)应急预案。16。3 设备维护16。3。1 设备维护单位应根据本维护规则制定相应的维护作业指导书、维护管理制度,编制检修计划表。按计划进行维修、添乘,及早发现问题,减少障碍的发生。16.3。2 铁路局电务处组织管内无线列调场强测试工作,掌握管内无线场强覆盖状况。16。3.3 设备维护单位应加强无线场强覆盖管理,严格控制场强覆盖区,消除越区覆盖现象.根据场强测试资料和场强分布曲线,建立场强覆盖曲线数据库,针对弱场和问题区段,开展场强整治工作。整治完成后应及时进行场强复测。16.3.4 车站设备维修项目及周期见表 16.3.4。表 16.3。4 车站设备维修项目与周期类别序号项目与内容周期备注日常检修1访问用户月询问车站值班员,了解设备运用情况。2车站设备检查、清扫3各...

1、当您付费下载文档后,您只拥有了使用权限,并不意味着购买了版权,文档只能用于自身使用,不得用于其他商业用途(如 [转卖]进行直接盈利或[编辑后售卖]进行间接盈利)。
2、本站所有内容均由合作方或网友上传,本站不对文档的完整性、权威性及其观点立场正确性做任何保证或承诺!文档内容仅供研究参考,付费前请自行鉴别。
3、如文档内容存在违规,或者侵犯商业秘密、侵犯著作权等,请点击“违规举报”。

碎片内容

列车无线调度通信固定设备

您可能关注的文档

确认删除?
VIP
微信客服
  • 扫码咨询
会员Q群
  • 会员专属群点击这里加入QQ群
客服邮箱
回到顶部