电脑桌面
添加小米粒文库到电脑桌面
安装后可以在桌面快捷访问

副产品销售管理制度QG-04-01

副产品销售管理制度QG-04-01_第1页
1/3
副产品销售管理制度QG-04-01_第2页
2/3
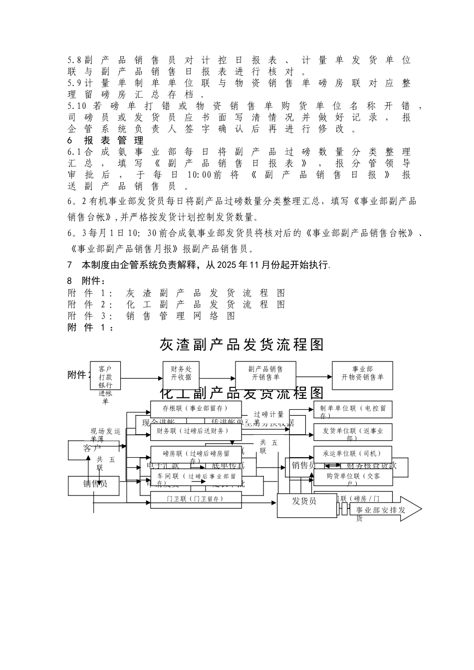
副产品销售管理制度QG-04-01_第3页
3/3
副 产 品 销 售 管 理 制 度1 目 的为 理 顺 关 系 , 明 确 各 相 关 单 位 职 责 , 法 律 规 范副 产 品 销 售 工 作 , 特 制 定 本 程 序 。2 适 用 范 围2.1 灰渣副产品:造气渣、造气沉渣、烟道灰、放空灰、锅炉渣、分筛粗渣、粉煤灰等。2。2 化工副产品:废硫磺、高/低浓度氨水、废油渣、废甲醇油等。3 职 责 划 分3.1 招 标 办 负 责 通 过 对 副 产 品 的 招 标 确 定 销 售 价 格和 中 标 客 户 。3.2 财 务 系 统 负 责 副 产 品 客 户 往 来 帐 目 的 管 理 、 票据 的 审 核 和 开 具 。3.3 物 业 保 卫 处 负 责 厂 区 主 干 道 的 卫 生 、 副 产 品出 入 安 全 及 车 辆 秩 序 的 管 理 ( 一 次 放 行 进 入 车 辆不 得 超 过 3 台 ) 。3.4 销 售 部 物 流 处 负 责 对 不 能 及 时 销 售 的 副 产 品 作转 运 处 理 及 转 运 车 辆 的 调 度 。3.5 企 管 系 统 负 责 副 产 品 制 度 的 制 定 、 检 查 、 监 督和 审 核 。 副 产 品 销 售 员 负 责 开 具 灰 渣 副 产 品 计 划和 销 售 单 , 负 责 化 工 副 产 品 硫 磺 、 甲 醇 油 、 废 油渣 的 开 票 、 发 货 , 并 建 立 相 关 发 货 台 帐 .3 。 6 有 机 事 业 部 根 据 企 管 系 统 下 达 的 副 产 品 销 售计 划 和 销 售 单 , 负 责 灰 渣 副 产 品 的 开 票 和 发 货 、现 场 安 全 、 监 装 、 环 境 卫 生 、 车 辆 秩 序 的 管 理,并 建 立 发 货 台 帐 。3.7 尿 素 工 段 负 责 对 化 工 副 产 品 氨 水 ( 高 、 低 浓 度 )的 开 票 、 监 装 、 现 场 安 全 、 环 境 卫 生 及 现 场 车 辆秩 序 的 管 理 , 并 建 立 发 货 台 帐 。3 。 8 压 缩 工 段 负 责 废 油 渣 的 现 场 安 全 、 出 售 监 装 、环 境 卫 生 及 现 场 车 辆 秩 序 的 管 理 。3.9 合 成 工 段 负 责 甲 醇 油 、 硫 磺 的 现 场 安 全 、 出 售监 装 、 环 境 卫 生 、 车 辆 秩 序 的 管 理 。4...

1、当您付费下载文档后,您只拥有了使用权限,并不意味着购买了版权,文档只能用于自身使用,不得用于其他商业用途(如 [转卖]进行直接盈利或[编辑后售卖]进行间接盈利)。
2、本站所有内容均由合作方或网友上传,本站不对文档的完整性、权威性及其观点立场正确性做任何保证或承诺!文档内容仅供研究参考,付费前请自行鉴别。
3、如文档内容存在违规,或者侵犯商业秘密、侵犯著作权等,请点击“违规举报”。

碎片内容

副产品销售管理制度QG-04-01

您可能关注的文档

确认删除?
VIP
微信客服
  • 扫码咨询
会员Q群
  • 会员专属群点击这里加入QQ群
客服邮箱
回到顶部