电脑桌面
添加小米粒文库到电脑桌面
安装后可以在桌面快捷访问

电控设备厂质量管理手册

电控设备厂质量管理手册_第1页
1/147
电控设备厂质量管理手册_第2页
2/147
电控设备厂质量管理手册_第3页
3/147
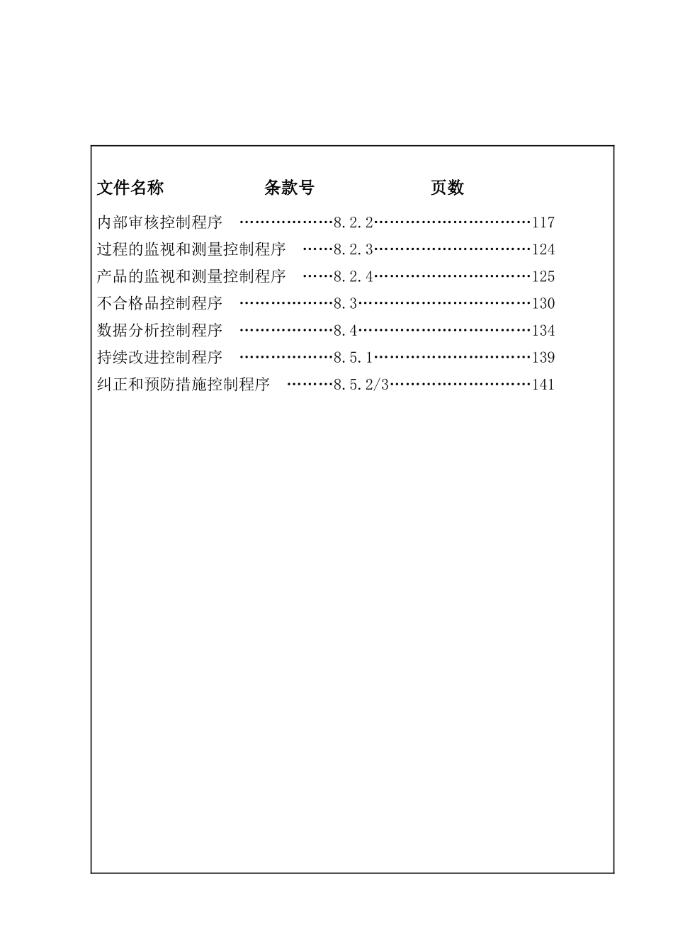
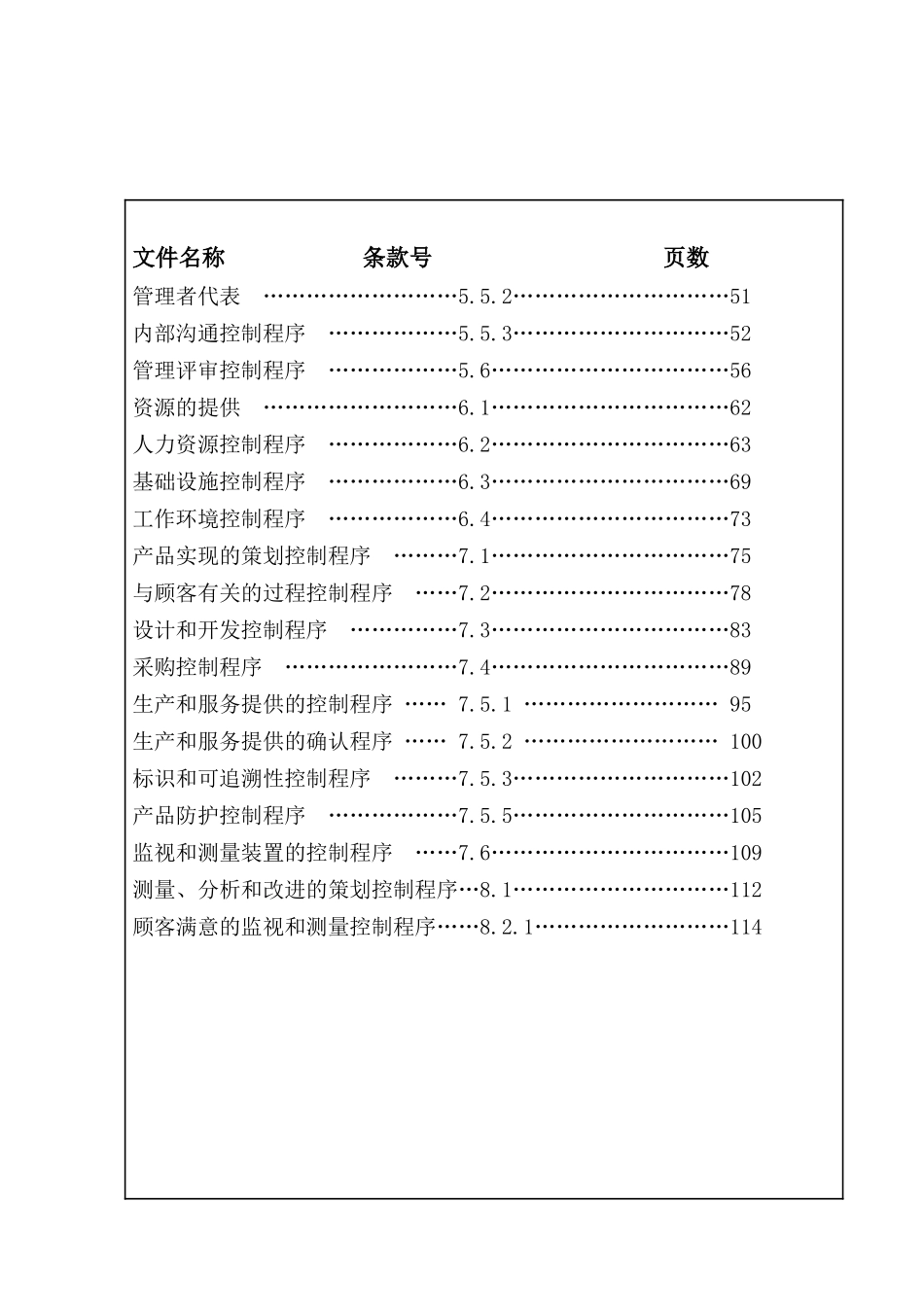
文件名称条款号 页数目录 …………………………………………………………………3质量管理手册说明 ……………………………………………………6质量管理手册修改控制 ………………………………………………7企业概况 ……………………………………………………………8组织机构图 …………………………………………………………9质量管理体系过程职责分配表 ……………………………………10质量方针 ……………………………………………………………11质量目标 ……………………………………………………………12范围 ………………………………1………………………………14引用标准 …………………………2………………………………15术语和定义 ………………………3………………………………16质量管理体系 ……………………4.1,4.2.1,4.2.2……………17文件控制程序 ……………………4.2.3…………………………20记录控制程序 ……………………4.2.4…………………………27管理承诺 …………………………5.1……………………………31以顾客为关注焦点 ………………5.2……………………………32质量方针控制程序 ………………5.3……………………………34质量目标控制程序 ………………5.4.1…………………………36质量管理体系策划控制程序 ……5.4.2…………………………41职责和权限……………………………5.5.1…………………………44文件名称 条款号 页数管理者代表 ………………………5.5.2…………………………51内部沟通控制程序 ………………5.5.3…………………………52管理评审控制程序 ………………5.6……………………………56资源的提供 ………………………6.1……………………………62人力资源控制程序 ………………6.2……………………………63基础设施控制程序 ………………6.3……………………………69工作环境控制程序 ………………6.4……………………………73产品实现的策划控制程序 ………7.1……………………………75与顾客有关的过程控制程序 ……7.2……………………………78设计和开发控制程序 ……………7.3……………………………83采购控制程序 ……………………7.4……………………………89生产和服务提供的控制程序 …… 7.5.1 ……………………… 95生产和服务提供的确认程序 …… 7.5.2 ……………………… 100标识和可追溯性控制程序 ………7.5.3…………………………1...

1、当您付费下载文档后,您只拥有了使用权限,并不意味着购买了版权,文档只能用于自身使用,不得用于其他商业用途(如 [转卖]进行直接盈利或[编辑后售卖]进行间接盈利)。
2、本站所有内容均由合作方或网友上传,本站不对文档的完整性、权威性及其观点立场正确性做任何保证或承诺!文档内容仅供研究参考,付费前请自行鉴别。
3、如文档内容存在违规,或者侵犯商业秘密、侵犯著作权等,请点击“违规举报”。

碎片内容

电控设备厂质量管理手册

您可能关注的文档

确认删除?
VIP
微信客服
  • 扫码咨询
会员Q群
  • 会员专属群点击这里加入QQ群
客服邮箱
回到顶部